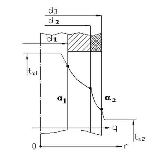
Теплопередача через многослойную цилиндрическую стенку
Многослойка, m -слоев, рис. 1.12. Сразу запишем
, (1.30)
где
,
.
Температура на левой поверхности
и наружной 

Рис. 1.12 Теплопередача через многослойную цилиндрическую стенку
ОПРЕДЕЛЕНИЕ. Тепловая изоляция
- это всякое покрытие горячей поверхности, которое способствует снижению потерь теплоты в окружающую среду.

Рис. 1.13. Зависимость тепловых потерь от толщины изоляции, наложенной на цилиндрическую стенку
Термическое сопротивление такой стенки






