Схема автоматического управления компрессором пускового воздуха
Схема автоматического управления и резервирования электроприводами насосов машинного отделения
Защита от токов перегрузки
Для защиты от токов перегрузки служит тепловое реле КК. При перегрузке это реле размыкает верхний контакт в цепи катушки контактора КМ, насос останавливается. Вто-
рой, нижний контакт КК замыкается в цепи реле времени КТ2, которое включает сигнал «Насос неисправен».
Защита по снижению напряжения
При снижении напряжения до 60% и менее якорь контактора КМ отпадает, насос останавливается.
При восстановлении напряжения защита работает по разному, в зависимости от
режима работы насоса, а именно:
1. при ручном управлении контактор КМ не включается, т.к. после отпадания якоря контактора КМ его вспомогательный контакт, включенный параллельно кнопкам SB1 (SB2) «Пуск» остается разомкнутым. Иначе говоря, в этом режиме защита по снижению напряжения работает как нулевая, т.е. для повторного включения насоса надо нажать кнопку SB1 (SB2);
|
|
|
2. при автоматическом управлении контактор КМ включается повторно, т.к. в цепи катушки КМ повторно замыкается (после восстановления напряжения) контакт КТ3 (КТ4). Иначе говоря, в этом режиме защита по снижению напряжения работает как мини-
мальная, т.е. обеспечивает повторное самопроизвольное (без участия человека) включе-
ние насоса.
Уровень автоматизации электроприводов вентиляторных и насосных установок зависит от типа судна и назначения электропривода.
На современных автоматизированных судах все основные нагнетатели имеют автоматическое управление.
Режим эксплуатации автоматизированных судов предполагает сохранение полной работоспособности энергетической установки при неисправности одного из элементов или системы без вмешательства обслуживающего персонала.
Поэтому для каждого привода, необходимого для обеспечения работы машинной установки, имеется однотипный резервный привод, который находится в режиме готовно-
сти при работе основного привода, и автоматически запускается при отключении основно
го привода из-за какой-либо неисправности.
После исчезновения и последующего восстановления напряжения в судовой элект
рической станции находящиеся в работе приводы должны быть автоматически введены в действие.
Пуск электродвигателей необходимо производить по специальной временной про
грамме в порядке важности электроприводов. Такая автоматизированная система управления электроприводами получила название «Stand by» («Готов к действию»).
Схема автоматизированного управления электроприводами насосов машинной установки предназначена для управления 10 парами важнейших насосов энергетической установки. В схему включены следующие пары насосов:
|
|
|
1. насосы пресной воды дизель-генераторов (ДГ);
2. насосы забортной воды ДГ;
3. насосы смазочного масла для главного двигателя (ГД);.
4. топливоподкачивающие насосы;
5. насосы пресной воды для охлаждения цилиндров;
6. насосы смазочного масла для турбонагнетателей;
7. насосы смазочного масла для распределительного вала;
8. насосы забортной воды для ГД;
9. питательные насосы котла;
10. циркуляционные насосы горячей воды.
Схема построена таким образом, что любой насос из пары может использоваться как основной (рабочий), или резервный.
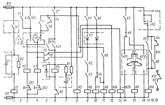
Схема пуска электропривода насоса показана на рис. 11.6.

Рис. 11.6. Схема пуска электропривода насоса
Распределительный щит насосов получает питание от ГРЩ. Включение электро-
привода осуществляется контактором КМ1, который включается через контактор управле-
ния КМ2.
При ручном управлении переключатель режима работы SA1 ставится в положение I. В этом случае управление осуществляется с помощью кнопок SB4 и SB5. У каждого на-
соса находится аварийный выключатель S1, который позволяет полностью отключить цепь управления.
При автоматическом управлении переключатель SA1 ставится в положение II. Управление насосом осуществляется вспомогательным реле К1А (для основного насоса), которое включено в схему автоматизированного управления электроприводами насосов, показанную на рис. 11.7.
Вспомогательное реле К2А управляет резервным насосом.
Перед пуском электродвигателя насоса необходимо прежде всего переключателем SA2 выбрать насос, который будет находиться в работе (основной насос). В положении 1 переключателя SA2 в работе насос № 1, а насос № 2 — резервный.
После этого насос может быть включен посредством кнопки «Пуск» SB1 (цепь 3). При нажатии кнопки SB1 получает питание реле К2 и самоблокируется через замыкаю-
щий контакт К2 (цепь 9) и размыкающий контакт Кб (цепь 5).
Одновременно получает питание вспомогательное реле К1А, осуществляющее пуск насоса (рис. 11.6).
В системе трубопроводов работающего насоса через известное время создается дав
ление, при котором срабатывает датчик минимального давления (см. рис.3.2) и замыкает контакт SP (цепь 6). Реле К4 своими контактами в цепях 5, 10 и 19 подготавливает к пуску резервный насос. Реле времени КТ1, контролирующее время введения в работу основного насоса, отключается контактом К8 и К7.

Рис. 11.7. Автоматизированная схема управления электроприводами насосов
Если в процессе пуска основной насос был не в состоянии создать необходимое ра-
бочее давление (контакт SP разомкнут) в обусловленное системой время, то реле времени КТ1 переключает свои контакты (цепь 15) и срабатывает реле К9. Реле К9 своим замыка-
ющим контактом в цепи 4 вызывает включение насоса, являющегося резервным.
Одновременно через замыкающий контакт К9 (цепь 17) включается реле К10, кото
рое включает сигнализацию о неисправности «Переключение в схеме» и дает сигнал в си-
стему централизованного контроля.
Сигнализация неисправности сохраняется и тогда, если произошел нормальный пуск резервного насоса, он создал давление в магистрали и контакт датчика SP замкнулся. Сигнализация неисправности исчезнет только при переводе избирательного переключате
ля SA2 на резервный насос если неисправность устранена
Процесс переключения с основного на резервный насос при нарушении давления но время работы соответствует описанному выше. Продолжительность времени для пере
ключения на резервный насос определяется уставкой реле времени КТ2.
Повторно насосы включаются автоматически осле исчезновения и последующего восстановления напряжения питания электроприводов по схеме, показанной па рис.11.8.
|
|
|
Поочередное повторное включение для насосов рассматриваемой системы после обесточнвания сети осуществляется по следующей временной программе:
1. Через 5 с — насосы пресной воды для ДГ; насосы забортной воды для ДГ.
2. Через 10 с — насосы смазочного масла для ГД; насосы топливо-подкачивающие.
3. Через 15 с—насосы пресной воды для охлаждения цилиндров.
4. Через 20 с — насосы смазочного масла для турбонагнетателей; насосы смазочно
го масла для распределительного вала.
5. Через 25 с — насосы забортной воды для ГД.
6. Через 30 с — питательные насосы котла; главный воздушный компрессор 1.
7. Через 35 с — циркуляционные насосы горячей воды; главный воздушный комп
рессор 2.

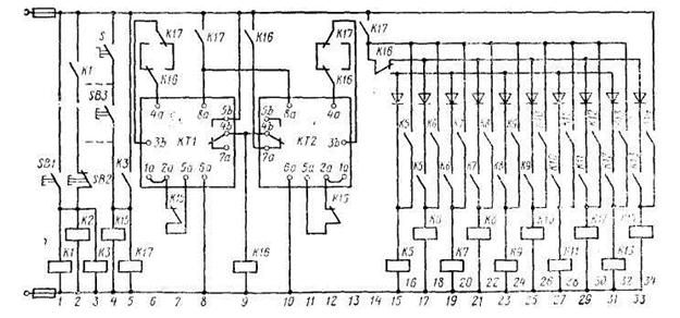
Рис. 11.8. Схема повторного включения электроприводов насосов
При работе аварийного генератора и при питании с берега устройство повторного включения отключается. Устройство повторного включения может быть также отключено выключателем S из ЦПУ.
Деблокировка для повторного включения насосов по временной программе осуще-
ствляется через контакт из системы автоматики энергетической установки.
Если осуществляется повторное включение при помощи выключателя SB3, распо-
ложенного в ЦПУ, то срабатывают реле К15 и К17 (цепи 4, 5). Замыкающий контакт К17 (цепь 8) подает рабочее напряжение на реле времени КТ1 и КТ2.
Одновременно срабатывают контакты К17 в цепях 6 и 12, т. е. замыкается перемыч
ка между Зb и 4а реле КТ1, вследствие чего оно сработает после установленного времени (уставка реле КТ1 5с).
Реле КТ2 не сработает, так как контакт К17 (цепь 12) разомкнул перемычку между Зb и 4а. После выдержки времени 5 с сработает реле КТ1 и через двухсторонний контакт
(цепь 9) включится выходное реле К16, которое через замыкающие контакты K16 и КТ2 самоблокируется.
Одновременно через переключающий контакт К16 (цепь 13) включается реле К5. Реле К5 самоблокируется (цепь 16), подготавливает запуск второй ступени выдержки вре-
|
|
|
мени (цепь 17) и включает через контакт SX (см. рис. 11.7, цепь 1) множительное реле К1, контакт которого реализует первое повторное включение насосов.
Контакт реле К16 (цепь 6) (см. рис. 11.8) отключает реле времени КТ1, а через дру-
гой переключающий контакт К16 (цепь 12) включается реле времени КТ2, которое сраба
тывает также через 5 с. Двухсторонний контакт КТ2 (цепь 9) прерывает самоблокировку выходного реле К16, вследствие чего оно отключается.
Переключение соответствует включению реле Кб (цепь 17), которое включает вто-
рой насос. Включение других насосов через каждые о с осуществляется таким же образом, как и описанное выше.
Компрессор – механизм для получения сжатого воздуха или газа.
На судах сжатый воздух применяют в следующих основных случаях:
- для пуска главных и вспомогательных дизелей; при этом давление составляет
20…30 at (2…3 МПа);.
- для управления работой пневмоэлементов систем судовой пневмоавтоматики; при
этом давление воздуха не более 2 at (0,2 МПа);
- для удаления пыли и грязи, например, при продувке электрических машин и аппа-
ратов, удаления остатков ржавчины после обивки палубы и т.п.; при этом давление возду
ха составляет 1,6…2 at (0,16…0,2 МПа).
Компрессоры разделяют (классифицируют) по таким признакам:
- по принципу действия – на центробежные, осевые и поршневые. Центробежные и
осевые применяют с целью получения больших подач (объёмов) воздуха или газа, порш-
невые – для получения больших давлений. На судах чаще применяются поршневые комп-
рессоры;
- по устройству – на компрессоры вертикального или горизонтального типа; одно-,
двух- и многоступенчатые; простого или двойного действия.
Принцип действия поршневого компрессора такой же, как и поршневого насоса.
В одноступенчатом компрессоре простого действия в качестве рабочего использует
ся только одно из двух движений поршня в цилиндре. Такие компрессоры применяют для получения небольших давлений.
В компрессорах двойного действия (двухступенчатых) используются как рабочие
оба движения поршня – прямое и обратное. При прямом движении воздух из атмосферы сжимается в первой ступени компрессора до 5…6 at, при обратном – этот воздух подается во вторую ступень, в которой дополнительно сжимается до 25…30 at.
Поскольку при сжатии выделяется тепло, цилиндры компрессора снаружи охлажда
ются водой. Для смазки трущихся частей внутрь цилиндров подают масло.
Перед каждым пуском компрессора, а также периодически при его работе обе сту-
пени компрессора продувают от конденсата и остатков масла. При этом сжатый воздух не поступает в баллоны, а стравливается непосредственно в машинное отделение.
При пуске компрессора давление воды и масла на 3…6 с понижается, поскольку
вода и масло начинают заполнять рабочие полости компрессора. Поэтому для предотвра-
щения отключения компрессора действие защит по давлению масла и воды блокируют
(исключают) при помощи реле времени (в схеме – КТ3) с выдержкой 8…10 с.