Основные сведения
Бесконтактные схемы управления электроприводами нагнетателей
Развитие полупроводниковой техники позволило перейти от контактных схем управления судовыми электроприводами к бесконтактным.
В контактных схемах для переключения цепей используют медные контакты, а в.
в бесконтактных полупроводниковые приборы двух видов:
1. транзисторы;
2. тиристоры.
Транзисторы применяют для управления слаботочными цепями с токами до десят-
ков ампер, тиристоры – для управления мощными силовыми цепями электроприводов с токами в десятки, сотни и тысячи ампер.
На базе транзисторов разных типов построены логические элементы, предназначен
ные для бесконтактного управления судовыми техническими средствами, например, насосами, компрессорами и др.
Следует заметить, что логические элементы могут быть построены не только на электрической элементной базе. На судах некоторых типов применяют пневматические логические элементы и др.
Логика (от греч. logike) – наука о способах доказательств и опровержений (БСЭ,
|
|
|
Т. 32, с. 720).
Логическим называют элемент схемы, реализующий одну из логических функций.
К основным (базовым) логическим функциям относят такие;
1. функция повторения («ДА»);
2. функция отрицания («НЕТ»); второе название функции- инверсия;
3. функция умножения («И»); второе название функции - конъюнкция;
4. функция сложения («ИЛИ»); второе название функции - дизъюнкция;
Из основных функций могут быть получены производные путём внесения изменений в схему.
На практике из производных функций чаще всего применяют такие:
1. функция инверсии суммы («ИЛИ-НЕ»), или стрелка Пирса;
2. функция инверсии произведения («И-НЕ»), или штрих Шеффера.
Рассмотрим первые четыре элемента..
Логический элемент «ДА»
Алгоритм элемента: сигнал на выходе всегда равен сигналу на входе.
(Алгоритм – конечный набор правил, позволяющих чисто механически решать любую конкретную задачу из некоторого класса однотипных задач – БСЭ, том 1, стр 123.. В упрощенном понимании алгоритм – программа действий какого либо устройства или его элементов)
В символах алгебры логики алгоритм записывают так:
Y = X (читается так; «игрек» есть «икс»),
где: Х – значение сигнала на входе;
Y - значение сигнала на выходе.
На основании алгоритма таблица истинности имеет такой вид:
| Х | Y |
Релейная схема, реализующая функцию «ДА», показана на рис. 11.10, а.

Рис. 11.10: а) релейная аналогия элемента «ДА»; б) условное изображение элемен-
та
Схема построена на реле КV с замыкающим контактом в цепи лампочки HL.
Исходное состояние: напряжение на катушке реле отсутствует (Х=0), контакт
|
|
|
КV:1 разомкнут, напряжение на лампочке отсутствует (Y=0), лампочка не горит.
Иначе говоря, на входе элемента – 0 (Х=0), на выходе – 0 (Y=0).
Рабочее состояние: напряжение на катушке реле есть (Х=1), контакт КV:1 замк-
нут, напряжение на лампочке есть (Y=1), лампочка горит.
Иначе говоря, на входе элемента – 1 (Х=1), на выходе – 1 (Y=1).
Логический элемент «НЕ»
Алгоритм элемента: сигнал на выходе всегда противоположен сигналу на входе.
В символах алгебры логики алгоритм записывают так:
Ŷ = X (читается так: «игрек» не есть «икс»),
где: Х – значение сигнала на входе;
Y - значение сигнала на выходе;
«- «(черточка сверху) - знак инверсии.
Инверсия – действие в алгебре логики, при выполнении которого функция приобретает противоположное значение, например: 0 = 1, 1 = 0.
На основании алгоритма таблица истинности имеет такой вид:
| Х | Y |
Релейная схема, реализующая функцию «НЕ», показана на рис. 11.11, а.

Рис. 11.11: а) релейная аналогия элемента «НЕ»; б) условное изображение элемен-
та
Схема построена на реле КV с размыкающим контактом в цепи лампочки HL.
Исходное состояние: напряжение на катушке реле отсутствует (Х=0), контакт
КV:1 замкнут, напряжение на лампочке есть (Y=1), лампочка горит.
Иначе говоря, на входе элемента – 0 (Х=0), на выходе – 1 (Y=1).
Рабочее состояние: напряжение на катушке реле есть (Х=1), контакт КV:1 разомкнут, напряжения на лампочке нет (Y=0), лампочка не горит.
Иначе говоря, на входе элемента – 1 (Х=1), на выходе – 0 (Y=0).
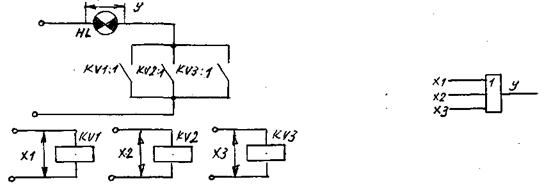
Логический элемент «И»
Алгоритм элемента: сигнал на выходе равен1 лишь в одном случае: если все сигналы на входах равны 1; если хотя бы один из сигналов на входе равен 0, сигнал на выходе равен 0.
В символах алгебры логики алгоритм записывают так:
Y = X1*Х2*Х3*…Х
= X1^Х2^Х3^…Х
,
где: X1, Х2, Х3, …Х
- значение сигналов на входах;
Y - значение сигнала на выходе;
^ - символ (знак) логического умножения.
На основании алгоритма таблица истинности логического элемента на 3 входа (как пример) имеет такой вид:
| Х1 | Х2 | Х3 | Y |
Релейная схема, реализующая функцию «И» на 3 входа, показана на рис. 11.12, а.

Рис. 11.12: а) релейная аналогия элемента «И»; б) условное изображение элемента
Схема построена на 3-х реле КV1, КV2, КV3 с замыкающими контактами в цепи лампочки HL. Контакты реле соединены последовательно.
Исходное состояние:
1. напряжение на катушках всех реле отсутствует (Х1=Х2=Х3=0), контакты этих
реле разомкнуты, напряжение на лампочке отсутствует (Y=0), лампочка не горит
(вторая строка сверху в таблице истинности).
Рабочее состояние (рассмотрим 3 характерных):
1. есть напряжение на катушке реле КV1 (Х1=1), но его нет на катушках реле КV2
и КV3 (Х2=Х3=0). Контакт КV1:1 замкнут, контакты КV2:1 и КV3:1 разомкнуты,
напряжения на лампочке нет (Y=0), лампочка не горит (третья строка сверху в таблице истинности);
2. есть напряжение на катушках реле КV1 и КV2, (Х1=Х2=1), но его нет на катуш-
ке реле КV3 (Х3=0).. Контакты КV1:1 и КV2:1 замкнуты, контакт КV3:1 разомк-
нут, напряжения на лампочке нет (Y=0), лампочка не горит (четвёртая строка сверху в таблице истинности);
3. есть напряжение на катушках всех реле (Х1=Х2=Х3=1). Контакты КV1:1,
КV2:1 и КV3:1 замкнуты, напряжение на лампочке есть (Y=1), лампочка горит
(пятая строка сверху в таблице истинности).
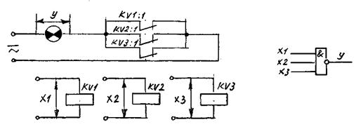
Логический элемент «ИЛИ»
Алгоритм элемента: сигнал на выходе равен1, если хотя бы на одном из входов есть 1; если на всех входах нули, на выходе также нуль.
В символах алгебры логики алгоритм записывают так:
Y = X1+Х2+Х3+…+Х
= X1√Х2√Х3√…√Х
,
где: X1, Х2, Х3, …Х
- значение сигналов на входах;
Y - значение сигнала на выходе;
√ - символ (знак) логического сложения.
На основании алгоритма таблица истинности логического элемента на 3 входа (как пример) имеет такой вид:
|
|
|
| Х1 | Х2 | Х3 | Y |
Релейная схема, реализующая функцию «ИЛИ» на 3 входа, показана на рис. 11.13, а.

Рис. 11.13: а) релейная аналогия элемента «ИЛИ»; б) условное изображение эле-
мента
Схема построена на 3-х реле КV1, КV2, КV3 с замыкающими контактами в цепи лампочки HL. Контакты соединены параллельно.
Исходное состояние:
1. напряжение на катушках всех реле отсутствует (Х1=Х2=Х3=0), контакты этих
реле разомкнуты, напряжение на лампочке отсутствует (Y=0), лампочка не горит
(вторая строка сверху в таблице истинности).
Рабочее состояние (рассмотрим 3 характерных):
1. напряжение на катушке реле КV1 есть (Х1=1), но его нет на катушках реле
КV2 и КV3 (Х2=Х3=0). Контакт КV1:1 замкнут, контакты КV2:1 и КV3:1 разомк
нуты, напряжение на лампочке есть (Y=1), лампочка горит (третья строка сверху в таблице истинности);
2. есть напряжение на катушках реле КV1 и КV2, (Х1=Х2=1), но его нет на ка-
тушке реле КV3 (Х3=0).. Контакты КV1:1 и КV2:1 замкнуты, контакт КV3:1 разомкнут, напряжение на лампочке есть (Y=1), лампочка горит (четвёртая стро
ка сверху в таблице истинности);
3. есть напряжение на катушках всех реле (Х1=Х2=Х3=1). Контакты КV1:1,
КV2:1 и КV3:1 замкнуты, напряжение на лампочке есть (Y=1), лампочка горит (пятая строка сверху в таблице истинности).
Логический элемент «И-НЕ»
Алгоритм элемента: сигнал на выходе равен 0, если сигналы на всех входах
равны 1; сигнал на выходе равен 1, если хотя бы один из сигналов на входе равен 0.
В символах алгебры логики алгоритм записывают так:
_______________ _______________
Y = X1*Х2*Х3*…*Х
= X1^Х2^Х3^…Х
,
где: X1, Х2, Х3, …Х
- значение сигналов на входах;
Y - значение сигнала на выходе;
«__________» - знак инверсии.
Инверсия – действие в алгебре логики, при выполнении которого функция приобретает противоположное значение, например: 0 = 1, 1 = 0.
На основании алгоритма таблица истинности логического элемента на 3 входа (как пример) имеет такой вид:
| Х1 | Х2 | Х3 | Y |
Релейная схема, реализующая функцию «И-НЕ» на 3 входа, показана на рис. 11.14, а.
|
|
|

Рис. 11.14: а) релейная аналогия элемента «И-НЕ»; б) условное изображение эле-
мента
Схема построена на 3-х реле КV1, КV2, КV3 с размыкающими контактами в цепи лампочки HL. Контакты соединены параллельно.
Исходное состояние:
1. напряжение на катушках всех реле отсутствует (Х1=Х2=Х3=0), контакты этих
реле замкнуты, напряжение на лампочке есть (Y=1), лампочка горит
(вторая строка сверху в таблице истинности).
Рабочее состояние (рассмотрим 3 характерных):
1. есть напряжение на катушке реле КV1 (Х1=1), но его нет на катушках реле
КV2 и КV3 (Х2=Х3=0). Контакт КV1:1 разомкнут, контакты КV2:1 и КV3:1 замк-
нуты, напряжение на лампочке есть (Y=1), лампочка горит (третья строка сверху в таблице истинности);
2. есть напряжение на катушках реле КV1 и КV2, (Х1=Х2=1), но его нет на катушке реле КV3 (Х3=0).. Контакты КV1:1 и КV2:1 разомкнуты, контакт КV3:1 замкнут, напряжение на лампочке есть (Y=1), лампочка горит (четвёртая строка сверху в таблице истинности);
3. есть напряжение на катушках всех реле (Х1=Х2=Х3=1). Контакты КV1:1, КV2:1 и КV3:1 разомкнуты, напряжения на лампочке нет (Y=0), лампочка не горит (пятая строка сверху в таблице истинности).
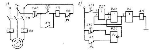
Бесконтактная схема управления электроприводом насоса на логических элементах
На рис. 11.15 изображены две схемы управления электроприводом насоса: на контактных (рис. 11.15, а) и бесконтактных (рис. 11.15, б) элементах.

Рис. 11.15. Контактная (а) и бесконтактная (б) схемы пуска электродвигателя насоса
В контактной схеме (рис. 11.15, а) для пуска насоса нажимают кнопку SB1 «Пуск»
Контакт кнопки замыкается, и через него образуется цепь тока катушки линейного контак
тора КМ:
средний линейный провод – замкнутый контакт кнопки SB2 «Стоп», замкнувшийся при нажатии контакт кнопки SB1 «Пуск» - катушка контактора КМ – замкнутый контакт
теплового реле КК – правый линейный провод.
Контактор КМ включается и замыкает 4 контакта – 3 главных в цепи обмотки стато
ра двигателя М, вследствие чего происходит пуск двигателя в ход, и один вспомогатель-
ный, включенный параллельно кнопке SB1 «Пуск», после чего эту кнопку можно отпу-
стить
Теперь ток катушки КМ будет протекать не через контакт кнопки SB1 «Пуск» (он разомкнут), а через вспомогательный контакт КМ (самоблокирока).
Для остановки двигателя нажимают кнопку SB2 «Стоп», ее контакт размыкается, обесточивая катушку КМ. Контактор КМ отключается и все его 4 контакта размыкаются.
Размыкание главных контактов приводит к отключению двигателя от сети, а размыкание вспомогательного нарушает цепь тока катушки КМ во втором месте (первое – разомкну-
тый контакт кнопки SB2 «Стоп».
ёПоэтому, если отпустить кнопку SB2 «Стоп», ее контакт замкнется, но останется разомкнутым вспомогательный контакт КМ, т.е. после замыкания контакта кнопки SB2
двигатель не включится.
При перегрузке двигателя срабатывает тепловое реле КК, которое размыкает свой контакт КК в цепи катушки КМ, контактор КМ отключается, двигатель останавливается.
Тепловые реле на судах, как правило, имеют ручной возврат. Поэтому после отклю
чения двигателя, для его повторного пуска надо сначала открыть крышку магнитного пу-
скателя и нажать кнопку ручного возврата теплового реле. Контакт КК реле в цепи катуш
ки КМ замкнется, после чего можно нажать кнопку SB1 «Пуск».
Время самовозврата контакта теплового реле серии ТРТ не превышает 180 с (3 мин), а необходимый перерыв для ручного возврата – 60 с (1 мин).
К основным элементам бесконтактной схемы относятся:
1. кнопка SB1 «Пуск»;
2. кнопка SB2 «Стоп»;
3. размыкающий контакт теплового реле КК;
4. линейный контактор КМ;
5. логические элементы DD1, DD2 «ИЛИ-НЕ», образующие симметричный
триггер;
6. логический элемент DD3 «И-НЕ»;
7. усилитель DA, реализующий логическую функцию «Повторение» («ДА»).






