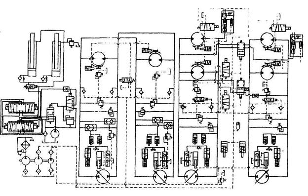
Гидросхема грейферного судового крана Либхер
Гидросхема крана представлена на рис.13.20.

Рис. 13.20. Гидросхема грейферного судового крана Либхер
На схеме слева вверху изображена гидросхема механизма изменения вылета стре-
лы. В этом гидроприводе применена открытая система питания.
Снизу слева приведена гидросхема вспомогательных систем гидроприводов крана с шестеренным насосом, состоящим из трех секций. Каждая секция этого насоса имеет отдельный фильтр на всасывающей и нагнетательной линиях.
Левая секция используется для охлаждения масла в маслоохладителе. Средняя сек-
ция служит для обеспечения подпитки гидроприводов подъема, поворота крана и дейст-
вия гидроцилиндров тормозов. Правая - для обеспечения управления сервоприводами насосов регулируемой подачи механизма подъема.
Правее на схеме изображен сдвоенный гидропривод механизма поворота.
На правой стороне рисунка представлено два гидропривода механизма, обеспечива
ющих действие грейфера.
Приводами насосов крана служат два электродвигателя.
Один из них приводит в действие через редуктор аксиально-поршневые насосы ре-
гулируемой подачи механизмов обслуживания грейфера и поворота крана, а также шес-
теренный насос, предназначенный для действия систем управления, подпитки и охлажде-
ния масла.
Второй электродвигатель служит приводом для аксиально-поршневого насоса по
стоянной подачи механизма изменения вылета стрелы.
Для действия охладителя масла используется электроприводной вентилятор. В каче
стве гидромоторов механизмов подъема и поворота применены аксиально-поршневые на-
сосы постоянной подачи. Вылет стрелы изменяется с помощью двух гидроцилиндров двустороннего действия.
Механизм обслуживания грейфера состоит из двух гидроприводов поддерживаю
щего и замыкающего, выполненных одинаково и работающих каждый на два барабана, соединенных валом.
После подготовки крана к работе и его пуска при нейтральном положении рукояток на пультах управления регулируемые насосы наминают работать при нулевой подаче, пускается и шестеренный насос, так как все они приводятся от одного редуктора.
В системе подпитки шестеренным насосом создается давление в 1,5-1,8 МПа, поско
льку на такое давление отрегулированы ее перепускные клапаны.
Через обратные клапаны системы подпитки во всех линиях, насосах и гидромоторах механизмов подъема и поворота создается и поддерживается это давление.
Для подъема рукоятку (рукоятка механически приводит потенциометр) пульта плав
но перемещают в сторону «подъем».
Первым в панели управления срабатывает электровыключатель, включающий по-
следовательно один через другой два контактора. Дальнейшее, перемещение рукоятки при
водит к увеличению тока, протекающего по потенциометру управления, панели управле-
ния к усилителю.
После усилителя ток, пропорциональный величине перемещения рукоятки, то есть пропорциональный заданной скорости подъема, поступает на электромагнит.
В сервоприводе управления люлькой насоса имеются два электромагнита с пружин
ными нагрузочными устройствами для осуществления «подъема» и «опускания» груза.
С помощью рычага определенный электромагнит устанавливает в заданное положе
ние управляющий золотник. Работая с золотником в следящем режиме, гидроцилиндр сервопривода постепенно выводит насос на заданную по величине и направлению подачу.
При «подъеме» подача осуществляется в правую линию. Давление в линии и затор
моженных гидромоторах растет.
Растормаживание для подъема осуществляется в момент, когда давление достигает значения, соответствующего нагрузке гидропривода, то есть веса груза. При этом давле-
нии срабатывает клапан-реле давления.
После срабатывания через его замкнутые контакты и контакты двух контакторов ток поступает в электромагнит распределителя, подключающего гидроцилиндры тормозов на растормаживание, гидромоторы растормаживаются.
Дальнейшее увеличение подачи насоса происходит при продолжении перемещения рукоятки на «подъем». Если рукоятка перемещается плавно, то после «страгивания» груза скорость подъема увеличивается постепенно до заданного значения.
Для исключения перегрузки гидропривода подъема каждая линия снабжена предо
хранительным клапаном.
Чтобы остановить груз, в системе управления выполняются следующие операции.
Рукоятка переводится в нейтральное положение. Электромагнит сервопривода обес
точивается и сервопривод переводит насос на нулевую подачу. Движение груза прекращается.
В нагнетательной линии после этого грузом создается давление, меньшее по сравне
нию с давлением при подъеме.
В электрической системе управления контакты срабатывают на обесточивание элек
тромагнита распределителя действия гидроцилиндров тормозов. Это происходит вслед за выключением электровыключателя системы управления, срабатывания ее контакторов, а также клапана-реле давления.
После обесточивания электромагнита распределителя действия гидроцилиндров тормозов гидроцилиндры переключаются на слив масла. Тормоза закрываются пружина-
ми и груз надежно затормаживается.
В механизме подъема для ограничения выходной мощности применен ограничи-
тель. Цилиндры ограничителя мощности показаны над сервоприводом насоса.
При повышенном давлении шток выдвигается из цилиндра ограничителя и переме
щает сердечник электромагнита в сторону уменьшения напряженности магнитного поля.
В результате этого перемещение золотника распределителя сервопривода уменьша
ется и сервопривод уменьшает подачу насоса и выходную мощность привода.
Для затормаживания груза в механизме подъема также предусмотрена аварийная защита с помощью реле времени. Эта защита срабатывает при появлении неисправностей в системе управления и в насосе.
Кроме аварийной защиты в приводе установлены конечные выключатели на валу барабанов и на ноке стрелы.
С их помощью в первом случае производится затормаживание груза для предотвра
щения сматывания с барабанов каната больше предельной длины, (на барабанах должно оставаться три витка каната), во втором - для избежания попадания подвески в ноковые блоки.
При срабатывании защиты в электрической системе управления также производит
ся переключение для выполнения последующей противоположной операции с грузом.
Для опускания грейфера рукоятка на пульте плавно перемещается в сторону «опу
скания».
До момента растормаживания в системе управления выполняются операции такие же как и при «подъеме», чтобы с помощью клапана-реле давления выполнить растормажи
вание.
После растормаживания контакторами производится переключение потенциометра управления на другой электромагнит сервопривода, сервопривод, отрабатывая новое зада
ние, переводит насос на противоположную по направлению подачу.
Опускание грейфера с этого момента идет с заданной скоростью. Если изменять
при опускании грейфера положение рукоятки, го соответственно будет изменяться и скорость опускания, поскольку гидропривод работает в следящем режиме.
Все изложенное выше относится к механизму, поддерживающему грейфер.
Гидросхема привода этого механизма на рис. 5 справа.
Левее приведена гидросхема замыкающего механизма. Поскольку гидросхемы ме-
ханизмов одинаковы, то одинаковы и их принципы действия и системы управления. Для синхронизации действия гидроприводов подъема при работе на гак используются пере
мычки между линиями одинакового назначения, снабженные распределителями с гидрав
лическим и электромагнитным управлением.
Гидропривод механизма поворота крана, как видно из его гидросхемы, сдвоенный. Поэтому в гидроприводе два одновременно действующие гидромотора. В работаю
щем кране механизма поворота системой подпитки в линиях, насосах и гидромоторах под
держивается давление 1,5-1,8 МПа.
При задании поворота крана, например, вправо, рукоятка плавно поворачивается вправо. После срабатывания электровыключателя включаются три контактора и электро
магнит распределителя подключения на растормаживание тормозов гидромоторов.
Происходит растормаживание гидромоторов, так как в гидроцилиндры тормозов из системы подпитки под давлением поступает масло.
Затем ток после усилителя поступает на электромагниты сервоприводов. Сервопри
воды выводят насосы на заданную подачу. Каждый гидромотор расходует осредненную подачу насосов из-за того, что на нагнетательных и сливных линиях привода сделаны перемычки.
Сервоприводы получают питание из основных линий через челночный и редукцион
ный клапаны. Выходная мощность привода регулируется ограничителем мощности.
Защита привода от перегрузок осуществляется предохранительными клапанами.
Чтобы остановить поворот крана рукоятку переводят в нейтральное положение.
Управление поворотом прекращается.
Потенциометр, усилитель и электромагниты сервоприводов обесточены. Сервопри
воды выводят насосы на нулевую подачу. Поворот крана прекращается.
В момент перехода насосов на нулевую подачу срабатывают их конечные выключа
ели.
После этого в системе управления проходят переключения с целью обесточивания электромагнита распределителя, управляющего тормозами. Обесточивание электромагни
та этого распределителя приводит к переключению гидроцилиндров на слив и затормажи
ванию гидромоторов.
При наличии неисправностей в системе управления насосами срабатывает защита от реле времени.
Для поворота влево рукоятку поворачивают влево. Последовательность работы ме
ханизма поворота крана влево аналогична последовательности работы при повороте вправо.
При неизменном положении стрелы крана насос гидропривода изменения вылета стрелы прокачивает масло через разгрузочный клапан в масляный, бак, обеспечивая его фильтрование.
Чтобы поднимать, стрелу рукоятку управления поворачивают в сторону «подъем стрелы». Электрическая система управления, аналогичная остальным таким системам,
управляет двумя распределителями: вспомогательным и главным, работающими в следя-
щем режиме. Золотник вспомогательного распределителя устанавливается в определенное положение электромагнитами.
Положение главного золотника, следящего за положением вспомогательного, опре
деляет величину расхода масла на действие гидроцилиндров изменения вылета стрелы, то есть определяет величину скорости ее подъема. Разница между подачей насоса и расходом через главный распределитель сливается через перепускной клапан в масляный бак.
Прекращается изменение вылета стрелы после поворота рукоятки управления в ней
тральное положение. При этом обесточивается электромагнит вспомогательного распреде
лителя, его золотник перемещается в среднее положение, в среднее положение переходит и золотник главного распределителя. Масло после этого перепускается в масляный бак и движение стрелы прекращается.
Опускание стрелы и прекращение ее движения выполняются по операциям в систе
ме управления, аналогичным таковым при подъеме стрелы. Надежное торможение стрелы обеспечивается гидроуправляемым тормозным блоком, установленным на выходе из бес-
штоковых полостей гидроцилиндров подъема стрелы.
В случае появления неисправностей в электропитании крана обесточиваются все электромагниты крана, срабатывают тормоза, а все насосы переводятся на нулевую пода-
чу.
Торможение стрелы наступает немедленно при уменьшении давления в линии опу
скания стрелы.
При падении давления в системе подпитки из-за поломки трубопровода либо существенной утечки также срабатывают все тормоза.
К основным машинам электрогидравлических кранов относятся лебедки двух видов:
1. грузовые лебедки;
2. лебедкимеханизма изменения вылета стрелы.
На рис. 13.21 изображена лебедка механизма подъема груза.

Рис. 13.21. Лебедка грузовая электрогидравлического крана
На рисунке: 1 – гидротормоз: 2 - стойка; 3 - гидромотор; 4 -канат механизма подъе-
ма груза; 5 - прижимное устройство, состоящее из кронштейнов, рычагов, роликов, пру-
жин и служащее для прижима каната к барабану.
Ролики прижимного устройства имеют разные длины и диаметры. Основной ролик, прижимающий канат к барабану имеет больший диаметр и длину, равную длине барабана.
Он пружинами прижимается к канату и исключает его ослабление
Второй ролик имеет меньший диаметр и длину, равную длине барабана, на которой размещается три последних шлага каната. С помощью этого ролика исключается полное сматывание каната с барабана, поскольку срабатывает защита и прекращает действие лебедки.
Защита срабатывает и при ослаблении каната.
Лебедка механизма изменения вылета стрелы представлена на рис. 13.22.
Здесь позициями 1 помечены: 1 - стойка; 2 - барабан; 3 - гидромотор; 4 - гидротормоз; 5 - прижимное устройство, состоящее из кронштейнов, роликов, рычагов, упора, пружин, фиксирующее канат в ручье барабана.

Рис.13.22.. Лебедка механизма изменения вылета стрелы гидравлического крана:






