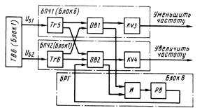
Блоки БПЧ1 и БПЧ2 входят в состав устройства синхронизации генераторов УСГ-35 СУ СЭЭС типа «Ижора» и служат для автоматической подгонки частоты подключаемого генератора к частоте сети путем воздействия на серводвигатель рейки топливного насоса.
Схема и принцип действия блоков БПЧ идентичны. Блок БПЧ1 включает в себя триггер Шмидта Tr5 на транзисторах VT1, VT2, одновибратор ОВ1 на транзисторах VT3, VT4 и конденсаторе С3, а также реле KV3. Триггер и одновибратор связаны между собой при помощи конденсатора С2.
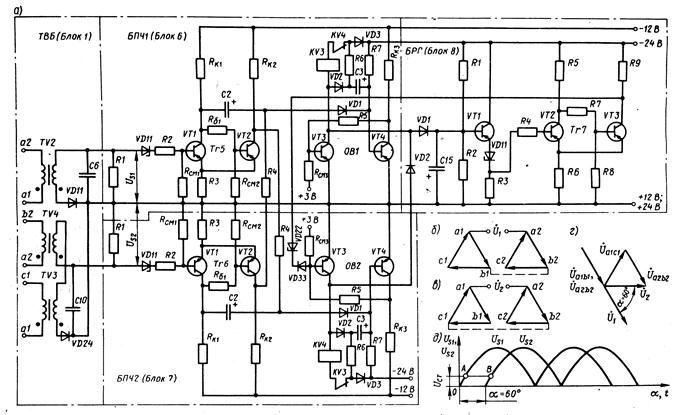
Для управления блоками используются напряжения огибающей Us1 и Us2, полученные при помощи трансформаторов TV2, TV3 и TV4. К первичной обмотке трансформатора TV2 приложено напряжение биения Ua1a2. Напряжение вторичной обмотки TV2 выпрямляется диодом VD11 и фильтруется конденсатором С6. Полученное таким образом напряжение Us1 подается на вход блокаБПЧ1. К первичным обмоткам трансформаторов TV3 и TV4 приложены соответственно напряжения Uв2a2. и Uс1a1. Вторичные обмотки этих трансформаторов включены последовательно для получения напряжения биения U2= Uс1a1 + Uв2a2, которое выпрямляется диодом VD24 и фильтруется конденсатором С10 и подается на вход блока БПЧ2. Напряжения Us1 и Us2 сдвинуты по фазена угол 60°.
Если напряжение Us1 на входе БПЧ1 недостаточно для пробоя стабилитрона VD11, то VT1 закрыт, а VT2 открыт. Конденсатор С2 заряжается до напряжения 12 В по цепи: (+)12 В – R3 - VT2 (блок 7) – R4 – C2 – Rк1 (блок 6) – (-)12 В.
VT4 открыт базовым током через R7 и шунтирует вход VT3. Реле KV3 не получает питание. Конденсатор С3 заряжен током базы по цепи: (+)24 В – ЭБ VT4 – C3 – R6 – VD3 – (-)24 В.
Аналогичное состояние БПЧ2. Очередность работы БПЧ зависит от соотношения частот подключаемого генератора fг и сети fс. Если fг > fс, то Us1 опережает Us2.
При увеличении напряжение Us1 до напряжения пробоя стабилитрона VD11 триггер Tr5 опрокидывается, при этом VT1 открывается, а VT2 закрывается. Напряжение конденсатора С2 через открытый VT1 прикладывается ко входу VT4 и запирает его. VT3 открывается базовым током через R5 и Rк3. При этом реле KV3 включается и своими контактами подключает питание к электродвигателю рейки топливного насоса. Рейка смещается в сторону уменьшения подачи топлива. Длительность срабатывания реле определяется временем разряда конденсатора С3 через R7, источник питания 24 В, VT3 и VD2. В течение этого времени С3 удерживает VT4 закрытым. После разряда конденсатора С3 одновибратор ОВ1 устанавливается в исходное состояние и KV3 обесточивается.
Одновременная работа блоков БПЧ1 и БПЧ2 исключается тем, что в момент опрокидывания триггера Tr5 конденсатор С2 (блок 7) перезаряжается ДР напряжения 12 В с обратной полярностью по цепи: (+)12 В – Rсм2 – Rб4 – C2 – R4 (блок 7) – Rк2 (блок 6) – (-) 12 В. Поэтому включение триггера Tr6 не приведет к включению реле KV4. Кроме того, одновременное включение реле исключается применением размыкающих контактов одного реле в цепи питания катушки другого.

Рисунок7 – Функциональная схема блоков подгонки частоты и развода генераторов

Рисунок 8 – Блоки подгонки частоты и развода генераторов
Структурная схема синхронизации, выполненная на базе устройства УСГ-35 представлена на рис. 9.

Рисунок 9 – Структурная схема автоматической синхронизации на базе УСГ-35






