Основные типы систем управления СЭЭС.
Системы управления СЭЭС на морских судах отечественной постройки имеют набор из следующих автоматических унифицированных устройств:
- синхронизации (типов УСГ-1П, УСГ-35);
- распределения нагрузки между параллельно работающими генераторами (типов УРЧН, УРМ);
- разгрузки генераторов (типов УРГ, УТЗ);
- включения резервного генераторного агрегата (типа УВР);
- переключения питания потребителей (типа УПП);
- контроля изоляции (типов УКИ, ПКИ);
- защиты от обрыва фазы и снижения напряжения при питании с берега (типа ЗОФН);
- звуковой и световой сигнализации (типа УЗС).
На базе указанных функциональных устройств построены системы «Иртыш», «Ижма», «Ижора». В этих системах каждое функциональное устройство выполнено в виде отдельного изделия с индивидуальным блоком питания. Элементной базой функциональных устройств являются транзисторы, диоды, резисторы, магнитные усилители, электромагнитные реле.
Позже стала применяться система управления СЭЭС типа «Ижора-М» с применением микроэлектроники. Эта система предназначена для морских транспортных судов с объемом автоматизации на знак А2 и А1. В состав этой системы входят следующие функциональные блоки автоматизации кассетного исполнения:
- синхронизации генераторов (БСГ);
- распределения активных нагрузок (БРНГ);
- контроля загрузки генераторов (БКЗГ);
- задания резерва (БЗР);
- блокировки пуска мощных потребителей (ББПП);
- контроля параметров генератора (БКПГ);
- контроля изоляции (БКИ).
Современные системы СЭЭС выполнены на базе микропроцессоров и микро-ЭВМ.
Любой из способов синхронизации может быть выполнен автоматически, полуавтоматически или вручную. Существующие автоматические синхронизаторы обеспечивают практически безударное включение генераторов на шины методом точной синхронизации. Синхронизация считается возможной, если разность напряжений генератора и сети
, разность частот
, угол сдвига фаз одноименных векторов фазных напряжений генератора и сети φ£10°.
В СЭЭС напряжение генераторов поддерживается постоянным при помощи АРН. Поэтому на долю аппаратуры, осуществляющей синхронизацию, остаются процессы подгонки частоты и определение момента выдачи сигнала на включение генераторного автомата.
Этот сигнал необходимо подавать с некоторым опережением по времени относительно момента совпадения фаз, т.к. автомат имеет собственное время срабатывания.
Принцип действия автоматических синхронизаторов.
По принципу действия различают АС с постоянным временем опережения и постоянным углом опережения. В каждом из них для определения момента выдачи импульса на включение генераторного АВ используется напряжение биения Uб= Uс – Uг.
Для получения этого и других напряжений, применяемых в синхронизаторах, используют схему с гипотетическими трансформаторами.
На схеме (рис. 1) трансформаторы TV1 и TV2 включены на напряжения работающего и подключаемого генераторов. Вторичные обмотки подключены одноименными выводами а1 и а2 к первичной обмотке трансформатора TV3. Поэтому на ней образуется напряжение биения Uб с амплитудой, равной двойной амплитуде фазного напряжения. Частота скольжения зависит от частоты сети и генератора.

Рисунок 1- Схема гипотетического трансформатора
Выпрямленное напряжение биения Uб выпр получается при помощи диодов VD1 и VD2 в цепи вторичной обмотки w3.
Напряжение огибающей Us получено применением фильтрующего конденсатора С1 в цепи вторичной обмотки w4.
Производная напряжения огибающей Us¢ = dUs/dt представляет собой напряжение, полученное при помощи дифференцирующей цепочки R2-C2 в цепи вторичной обмотки w5.
Суммарное напряжение (Us + U¢s) на резисторе R3 вцепи вторичной обмотки w6 получено совмещением схем цепей обмоток w4 и w5
Применение напряжения (Us + U¢s) позволило создать автоматические синхронизаторы с постоянным временем опережения. В таких синхронизаторах импульс на включение генераторного АВ выдается в точках L, M или N содним и тем же временем опережения ton, равным собственному времени срабатывания АВ. Поэтому включение генератора происходит в узлах В", D" или f¢¢ и будет безударным при любых допустимых значениях частоты скольжения.

Рисунок 2 – График напряжения огибающей автоматического синхронизатора с постоянным углом включения
Автоматические синхронизаторы с постоянным углом включения выдают сигнал на включение генераторного автомата при уменьшении угла сдвига фаз одноименных векторов фазных напряжений до значения φ≤10º. В этих синхронизаторах напряжение огибающей Us сравнивается с некоторым постоянным напряжением Us.вкл и при выполнении условия Us.вкл ≥ Us выдает сигнал на включение генераторного автомата.
Блок синхронизации генераторов БСГ в системе «Ижора - М»
Блок входит в состав СУ СЭЭС «Ижора-М» и предназначен для включения СГ на параллельную работу методом точной синхронизации с предварительной автоматической подгонкой частоты подключаемого генератора к частоте сети.
Блок выдает сигнал на включение автомата при:
– разности напряжений DU ≤ 0,12 Uном;
– разности частот 0,2 Гц ≤ Df ≤ 0,6Гц;
– угле сдвига фаз φ ≤10º.
Элементной базой блока являются микросхемы, которые включают в себя логические элементы, генераторы импульсов, счетчики, дешифраторы, триггеры и т.д.

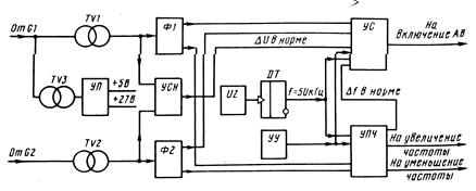
Рисунок 3 – Функциональная схема блока синхронизации БСГ
Напряжение работающего генератора G1 подается на трансформаторы TV1 и TV3, а подключаемого генератора на TV2. Напряжение с TV3 подается на узел питания УП. С выходов трансформаторов TV1 и TV2 напряжение поступает на вход узла УСН сравнения напряжений и входы формирователей Ф1 и Ф2.
При DU > 0,12 Uном с выхода узла УСН поступает запрет на синхронизацию в виде логического нуля.
Формирователи Ф1 и Ф2 предназначены для получения импульсов двух видов: коротких и длинных с продолжительностью, равной половине периода напряжения генератора. Длинные импульсы поступают на вход узла синхронизации УС, а короткие на узел подгонки частоты УПЧ.
Квантовый генератор UZ вырабатывает импульсы стабильной частоты 100 кГц, которые после триггера DТ, выполняющего роль делителя частоты, с частотой 50 кГц поступают на УС и УПЧ. Узел уставки УУ устанавливает все триггеры БСГ в исходное состояние при включении блока.
УПЧ вырабатывает сигналы на увеличение или уменьшение частоты подключаемого генератора, а при допустимой разнице частот выдает логическую единицу, поступающую на вход узла УС. УС выдает сигнал на включение автомата генератора при условии, что DU, Df, φ находятся в установленных пределах. Для повышения надежности используются два блока БСГ, выходы которых включаются последовательно (схема совпадений).
Устройство синхронизации генераторов УСГ-35 в системе «Ижора»
Устройство синхронизации УСГ-35 входит в состав системы «Ижора» и предназначен для включения генераторов на параллельную работу методом точной синхронизации с автоматической подгонкой частоты подключаемого генератора к частоте работающего. Устройство подключается к сети и синхронизируемому генератору через измерительные трансформаторы напряжения.
В состав устройства УСГ-35 входят:
– трансформаторно-выпрямительный блок ТВБ;
– основной канал синхронизации ОКС;
– резервный канал синхронизации РКС;
– блоки подгонки частоты БПЧ1 и БПЧ2;
– блок развода генераторов БРГ;
– схема совпадения СС.

Рисунок 4 – Функциональная схема устройства УСГ-35
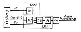
Резервный канал синхронизации устройства УСГ-35. Предназначен для контроля выполнения всех условий синхронизации и состоит из трех основных узлов:
– контроля разности напряжений;
– контроля разности частот;
– контроля угла рассогласования напряжений.
Узел контроля разности напряжений построен на триггере Тr 1 Шмитта. Если разность напряжений не превышает установленного значения, узел разрешает синхронизацию.
Узел контроля разности частот построен на триггере Тr 2 Шмитта, на вход которого поступает напряжение (Us2+Us2’). Этот узел обеспечивает постоянство времени опережения при любой допустимой разности частот. При частоте fs<fs доп узел выдает разрешение на синхронизацию.
Узел контроля угла рассогласования напряжений контролирует этот угол косвенно по напряжению Us1 огибающей. Если угол рассогласования φ ≤ 10º, то узел разрешает синхронизацию.
Симметричный триггер TrC1 служит для проверки выполнения всех условий синхронизации. На его вход подаются выходные напряжения триггеров Tr1 и Tr2 и напряжение Us1 узла контроля угла рассогласования. Если все три условия выполняются одновременно, с выхода триггера TrC1 через выходной усилитель ВУ поступает сигнал на включение реле KV1, контакты которого включены в цепь включающего электромагнита генераторного автомата.

Рисунок 5 – Функциональная схема резервного канала синхронизации устройства УСГ-35
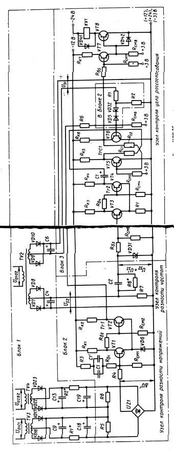
Принципиальная схема резервного канала синхронизации представлена на рис. 6. По окончании пуска РДГ формируется сигнал «Готов к приему нагрузки». По этому сигналу в схему резервного канала синхронизации от источника постоянного тока подается напряжение питания 12 и 24 В, и напряжение смещения 3 В. При этом образуется цепь заряда конденсаторов С1 и С1¢: «+»12 В – диод VD6 – переход эмиттер – база транзистора VT1 – резистор Rб1 – конденсаторы С1 и С1¢ - резистор R3 – «-»12 В. Зарядный ток конденсаторов кратковременно удерживает триггер Tr1 в опрокинутом состоянии, когда VT1 открыт, а VT2 – закрыт.. Коллектор транзистора VT2 приобретает отрицательный потенциал, поэтому транзистор VT6 открывается током базы по цепи «+»12 В- переход эмиттер-база транзистора VT6 – R6 – Rк2 - «-» 12 В. Симметричный триггер TrC1 автоматически устанавливается в исходное состояние, при котором VT6 открыт, а VT5 закрыт. Открытый VT6 шунтирует вход составного транзистора VT7 – VT8, поэтому оба транзистора закрыты,а реле KV1 обесточено.
По окончании заряда конденсаторов С1 и С1¢ триггер Tr1 возвращается в исходное состояние, а триггер TrC1 продолжает оставаться в прежнем состоянии. Открытое состояние VT6 поддерживает ток базы через резисторы Rс1 и Rк5.
Входным сигналом узла контроля разности напряжений являются линейные напряжения сети и подключаемого генератора Uа1с1 и Uа2в2 , которые понижаются, выпрямляются, фильтруются, а затем сравниваются. Если величина DU¢ достаточна для опрокидывания триггера Tr1, то на симметричный триггер поступает сигнал запрета на синхронизацию, так как восстанавливается цепь тока базы транзистора VT6 через R6 и Rк2.
Для контроля разности напряжений генераторов используется схема сравнения на резисторах R1, R2 и R5, R6 (блоки 1, 2). На резисторы R5 и R6 подаются выпрямленные диодами VD16, VD17 и VD22, VD23 напряжения, пропорциональные линейным напряжениям Uа1с1 и Ua2b2 генераторов. Алгебраическая сумма напряжений UR5 и UR6, действующих встречно, приложена к входу выпрямителя UZ1. Если напряжения генераторов одинаковы, то напряжения UR5 и UR6 взаимно компенсируются, поэтому напряжение на выходе выпрямителя DU¢ = UR5 - UR6 = 0. При неодинаковых напряжениях генераторов полярность напряжения DU¢ зависит от того, какое из напряжений (UR5 или UR6) больше. Напряжение DU¢ является входным для триггера Tr1 и должно иметь одну полярность, которую обеспечивает выпрямитель UZ1.
В узле контроля разности частот входным напряжением является напряжение биения Uа1а2, которое выпрямляется, а затем фильтруется.


Рисунок 6 – Принципиальная схема резервного канала синхронизации
В узле контроля разности частот на резистор R7 подается выпрямленное диодами VD7 и VD8 напряжение Us2 огибающей, пропорциональное напряжению биения Ua1a2 первичной обмотки трансформатора TV2. С помощью конденсатора С2 и резистора R8 напряжение Us2 преобразуется в суммарное напряжение (Us2 + Us2¢), поступающее на вход триггера Тг2. При положительном входном сигнале транзистор VT3 открыт, а транзистор VT4 закрыт, конденсатор C1 заряжается током базы транзистора VT6. При изменении полярности входного сигнала транзистор VT3 открыт, а транзистор VT4 закрыт, конденсатор C1 заряжается
В узле контроля угла рассогласования на делитель напряжения R1-R2 блока 2 подается напряжение Usl биения, полученное с помощью диодов VD9, VD10 и конденсатора С6. При угле рассогласования напряжений j > 10° напряжение Usl достаточно для пробоя стабилитрона VD32, вследствие чего узел выдает запрет на синхронизацию.
В качестве выходного усилителя ВУ использован составной транзистор VT7-VT8. Напряжение на его вход поступает с коллектора транзистора VT6, т. е. с правого выхода триггера TrC1. В выходной цепи транзистора VT8 включено реле напряжения KV1, замыкающие контакты которого находятся в цепи включающего электромагнита генераторного АВ.