С целью обеспечения нормальной эксплуатации гидросистем необходимо соблюдать следующие правила монтажа фильтров:
1) Установка фильтров в легкодоступных местах гидросистем.
2) Выбор достаточного пространства (особенно по высоте) для демонтажа фильтрующего элемента: это позволяет быстро и легко сменять элемент.
3) Прокладка трубопроводов гидросистемы не должна мешать смене фильтрующих элементов.
4) Соблюдение правильного направления потока в корпусе фильтра.
5) Предпочтительное использование электрических указателей загрязненности нормальнозамкнутого типа. Это затрудняет выполнение таких операций, как отсоединение штекера.
6) При резких повышениях давления или колебаниях расхода рекомендуется дополнительная установка гасителя пульсации для защиты фильтрующего элемента.
5.2.5. Сепараторы
Устройства в которых очистка рабочей жидкости происходит под воздействием каких-либо сил. В зависимости от природы действующих сил сепараторы разделяются на: магнитные, центробежные, электростатические, гравитационные.
В станочном гидроприводе применяются в основном магнитные сепараторы в сочетании с различными фильтрами.
Для гидросистем имеющих повышенную загрязненность например (кузнечнопрессовое оборудование) наиболее рационально применение центробежных сепараторов имеющих большую грязеемкость (фильтр» 5г; центрифуга 340г).
5.3. Аппараты теплообменные
Слишком низкая рабочая температура рабочей жидкости повышает сопротивление потоку и служит причиной ухудшения всасывания на насосах. Слишком высокая рабочая температура рабочей жидкости повышает утечки, а это влечет за собой повышенный износ.
Тепловой баланс гидросистемы можно представить следующим образом (рис. 5.8).

Рис.5.8. – Тепловой баланс гидросистемы: 1 - теряемая мощность на насосах и двигателях (уплотнения, подшипники); 2 - теряемая мощность в результате внутренних утечек; 3 - теряемая мощность в результате дросселирования; 4 - теряемая мощность из-за сопротивления потоку; 5 - отвод тепла посредством деталей конструкций; 6 - отвод тепла посредством активных теплообменников
Вид и объем систем нагрева и охлаждения на гидроустановке зависит от требований, которые предъявляются к системе, к ее точности и сроку службы.
Теплообменники делятся на нагреватели жидкости и охладители жидкости (таблица 5.6) [7].
В гидравлических приводах машиностроения требуется в основном охлаждать рабочую жидкость. При нагревании рабочей жидкости уменьшается ее вязкость, что приводит к снижению КПД системы.
Если выделение тепла в системе превышает естественную теплоотдачу при заданном перепаде температур D t, то в гидроприводе устанавливают охладитель обеспечивающий принудительный отвод тепла.
Таблица 5.6.
Условное обозначение теплообменников на схемах
| подогреватель |
|
| охладитель без указани линий подвода и отвода охлаждающей среды |
|
| охладитель с указанием линий подвода и отвода охлаждающей среды |
|
| охладитель и подогреватель |
|
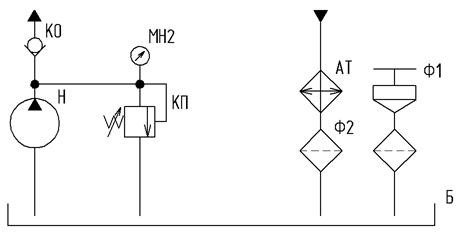
По конструкции охладитель представляет радиатор обтекаемый хладагентом (воздух, вода). Его устанавливают в сливной магистрали перед гидробаком (рис. 5.9) до или после фильтра сливного.

Рис.5.9. – Установка теплообменника в гидросистему
Основные технические параметры теплообменников:
1) Расход рабочей жидкости номинальный/ максимальный, л/мин.
2) Отводимый тепловой поток, кВт, или зависимость рассеиваемой мощности от расхода жидкости через теплообменник.
3) Давление номинальное, МПа.
4) Потери давления, МПа.






