Для работы гидросистемы важно рационально выбирать управляющие устройства, обеспечивающие выполнение логических функций по осуществлению заданной последовательности действий исполнительных механизмов. Основными функциями являются управление движением и расходом жидкости (с помощью аппаратуры регулирования расхода и давления), изменение направления потока жидкости, включение и выключение отдельных исполнительных механизмов и т.д.
4.1. Направляющая гидроаппаратура
4.1.1. Реверсивные гидрораспределители
Предназначены для изменения направления потока рабочей жидкости, а также для его остановки и пуска. Различают распределители золотниковые, крановые и клапанные. Наибольшее распространение получили золотниковые распределители [5].
Распределители имеют следующие основные параметры:
1) Максимальное рабочее давление р max обычно равно 20 или 32 МПа.
2) Условный проход: 6, 10, 16, 20, 32 мм.
3) Расход номинальный и максимальный.
Каждому значению условного прохода соответствует определенная величина номинального расхода Q ном (таблица 4.1)
|
|
|
Таблица 4.1
| D у, мм | |||||
| Q ном,л/мин | 6,3 |
4) Время срабатывания.
5) Тип управления (таблица 4.2) [6].
Таблица 4.2
| Условное обозначение | Описание | Условное обозначение | Описание |
| Управление мускульной силой | Управление механическим воздействием | ||
| без уточнения типа | | от толкателя |
| ручное с кнопкой | | от ролика |
| ручное рычагом | | от ролика с ломающимся рычагом |
| ручное рычагом с фиксацией | | от пружины |
| ручное с поворотной кнопкой | Управление давлением | |
| ножное педалью | | прямое гидравлическое нагружением |
| прямое пневматическое нагружением | ||
| прямое гидравлическое разгружением |
6) Исполнение по гидросхеме распределения потока рабочей жидкости ([5], стр.90-93)
7) Потери давления. Определяются по графику зависимости потерь давления от расхода для различных D y и различных исполнений по гидросхеме [5].
8) Рекомендуемые параметры рабочей жидкости для оптимальной работы гидрораспределителя: класс чистоты или тонкость фильтрации; кинематическая вязкость, диапазон значений; интервал температур окружающей среды.
Таблица 4.3.
| Номер схемы | Схема | Номер схемы | Схема | Номер схемы | Схема |
| | | |||
| | | |||
| | |
4.1.2. Клапан обратный
Направляющий аппарат предназначен для пропускания рабочей жидкости только в одном направлении и запирании обратного потока.
Условное графическое обозначение приведено в таблице 4.4 [6].
Таблица 4.4.
| - без пружины; открыт, если давление на входе выше давления на выходе | |
| - с пружиной; открыт, если давление на входе выше давления на выходе плюс давление пружины | |
| Клапан обратный с поджимом рабочей средой, управление рабочей средой позволяет закрывать клапан без возвратной пружины | |
Клапаны обратные имеют следующие основные параметры [5]:
|
|
|
1) Условный проход: 6, 10, 16, 20, 32 мм.
2) Давление номинальное и максимальное.
3) Давление открывания (от 0,05МПа до 1МПа).
4) Расход рабочей жидкости номинальный и максимальный.
5) Максимальные внутренние утечки
6) В большинстве случаев при номинальном расходе клапан создает сопротивление потоку 0,05МПа. По заказу потребителей клапана снабжают усиленной пружиной. Сопротивления потоку может составлять до 1МПа.
Если конструкция клапана не предусматривает пружину, то он должен устанавливаться вертикально.
4.1.3. Гидрозамок
Гидрозамок – это направляющий аппарат (таблица 4.5), предназначенный для пропускания потока рабочей жидкости в одном направлении и запирания обратного потока при отсутствии управляющего давления, а при его наличии пропускание потока в обоих направлениях [6].
Таблица 4.5.
| Гидрозамок односторонний | |
| Гидрозамок двухсторонний | |
Гидрозамки имеют следующие основные параметры [5]:
1) Условный проход: 6, 10, 16, 20, 32 мм.
2) Расход рабочей жидкости номинальный и максимальный.
3) Давление в рабочих полостях номинальное и максимальное.
4) Давление управления минимальное и максимальное.
5) Максимальные внутренние утечки.
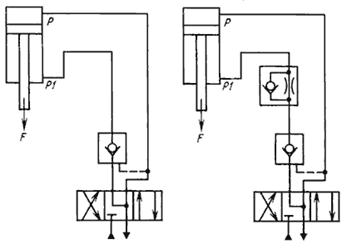
Обычно гидрозамки устанавливаются между распределителем Р (рис. 4.1) и гидроцилиндром для надежной фиксации и предотвращения самопроизвольного движения рабочих органов машины.

а) б)
Рис. 4.1. – Схема установки одностороннего гидрозамка: а) без дросселя с обратным клапаном; б) дросселем и обратным клапаном
4.1.4. Делитель потока
Предназначены для деления потока жидкости на две части (рис. 4.2) с целью синхронизации движения исполнительных органов независимо от значений действующих на них нагрузок.

Рис. 4.2. – Обозначение на гидравлических схемах
Делители потока имеют следующие основные параметры [5]:
1) Условный проход: 6, 10, 16, 20, 32 мм.
2) Диапазон расходов на входе.
3) Номинальное давление.
4) Потери давления при максимальном расходе Q.
5) Погрешность деления.
4.2. Регулирующая аппаратура
4.2.1. Клапан предохранительный (переливной)
Для ограничения или поддержания давления в гидролиниях путем непрерывного или эпизодического слива рабочей жидкости служат напорные клапаны. В зависимости от функционального назначения их принято делить на предохранительные и переливные клапаны, несмотря на идентичность конструкций.
Предохранительный клапан предназначен для предохранения объемного гидропривода от давления превышающего установленное путем слива жидкости в моменты увеличения этого давления.
Переливной клапан предназначен для поддержания заданного давления путем непрерывного слива рабочей жидкости во время работы.
По конструктивному признаку различают клапаны прямого действия, клапаны непрямого действия [5].

Рис. 4.3. – Обозначение на гидравлических схемах: а) прямого действия; б) непрямого действия с дистанционным управлением
Основные параметры предохранительных клапанов:
1) Условный проход: 6, 10, 16, 20, 32 мм.
2) Расход рабочей жидкости номинальный/ максимальный/ минимальный.
3) Давление на входе номинальное/ максимальное/ минимальное.
4) Максимальные внутренние утечки.
5) Максимальное превышение номинального давления настройки при мгновенном возрастании давления, МПа (кгс/см2).
6) Зависимость изменения давления настройки от расхода р = f (Q)
4.2.2. Клапан редукционный
Редукционный клапан (таблица 4.6) предназначен для поддержания установленного давления, сниженного по отношению к давлению создаваемого насосом ([5], [6]). Применяются если от одного насоса питается несколько потребителей требующих разное давление.
|
|
|
Основные параметры редукционных клапанов:
1) Условный проход: 6, 10, 16, 20, 32 мм.
2) Расход рабочей жидкости номинальный/ максимальный.
3) Давление на входе номинальное/минимальное.
4) Редуцированное давление номинальное/минимальное.
5) Минимальная разница между давлением на входе и редуцированным давлением, МПа.
Таблица 4.6.
| Клапан редукционный: прямого действия, нагруженный пружиной | |
| - с дистанционным управлением | |
| - непрямого действия с дистанционным управлением | |
4.2.3. Клапаны давления
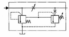
Гидроклапан последовательности (рис.4.4, а). Предназначены для пропускания потока рабочей жидкости при достижении в нем заданной величины давления [5].

а) б) в)
Рис. 4.4. – Клапаны давления: а) последовательности, одноступенчатый, нагруженный пружиной; б) соотношения давления; в) разности давления
Гидроклапан соотношения давления (рис.4.4, б). Предназначены для поддержания постоянного соотношения давлений в подводимом и отводимом потоках.
Гидроклапаны разности давления (рис.4.4, в). Предназначены для поддержания постоянной разности давлений в подводимом и отводимом потоках.
4.2.4. Дроссели и регуляторы расхода (потока)
Дроссель – регулирующий аппарат, предназначенный для изменения давления потока рабочей жидкости при прохождении через местное сопротивление [5]. Другое название: вентиль, кран.
Таблица 4.7.
| Дроссель регулируемый. Без указания метода регулирования или положения запорно-регулирующего элемента, обычно без полностью закрытой позиции | |
| Вентиль. Без указания метода регулирования или положения запорно-регулирующего элемента, но обычно с одной, полностью закрытой позицией | |
| Дроссель с обратным клапаном. С переменным дросселированием, со свободным проходом потока в одном направлении, но дросселированием потока в другом направлении | |
| Регуляторы расхода: | |
| - регулятор расхода двухлинейный с изменяемым расходом на выходе | |
| - регулятор расхода двухлинейный, с изменяемым расходом на выходе и со стабилизацией по температуре | |
| - регулятор расхода трехлинейный с изменяемым расходом на выходе, со сливом избыточного расхода в бак | |
| - регулятор расхода трехлинейный с предохранительным клапаном | |
Известны два основных типа дросселей, конструктивные различия которых приводят к двум различным режимам течения жидкости: ламинарному и турбулентному [1]. Ламинарный дроссель представляет собой длинный канал с относительно малым проходным сечением (цилиндрическая щель, винтовая канавка и др.). Зависимость между перепадом давлений и расходом жидкости через ламинарный дроссель близка к линейной. Турбулентный дроссель представляет собой местное сопротивление в виде короткого и весьма малого по площади отверстия круглой, кольцевой или прямоугольной формы. Течение жидкости в таком отверстии, как правило, турбулентное, зависимость между перепадом давлений и расходом жидкости — квадратичная.
|
|
|
Для регулирования скорости объемных гидроприводов преимущественно используют турбулентные дроссели. При равных условиях применения они меньше по габаритным размерам и массе, чем ламинарные. Кроме того, при турбулентном режиме течения жидкости зависимость сопротивления потоку от вязкости жидкости и соответственно от температуры жидкости и окружающей среды значительно меньшая, чем при ламинарном. У турбулентного дросселя сопротивление потоку регулируется изменением площади проходного сечения.
Конструктивное исполнение регулируемых дросселей зависит от условий применения. Известны регулирующие элементы гидродросселей в виде конических деталей, поворотных кранов с прорезями, золотников с поясками и др.
Условное изображение дросселей представлено в таблице 4.7.

Рис. 4.5. – Типовые схемы установки дросселей: а) последовательно в напорной линии; б) последовательно в сливной линии; в) параллельно
Дроссели позволяют изменять расход рабочей жидкости, проходящей через гидролинию [5]. В гидроприводе (рис. 4.5, а) масло от нерегулируемого насоса 1 через дроссель 2 и распределитель 4 поступает в рабочую полость цилиндра 3, а из противоположной полости сливается в бак. Скорость движения штока цилиндра регулируется с помощью дросселя, который ограничивает расход масла, поступающего в цилиндр, причем оставшееся масло сливается в бак через предохранительный клапан 5. Последний настроен на давление достаточное для преодоления нагрузки F на штоке цилиндра. Так как через клапан 5 постоянно проходит часть потока масла, насос постоянно работает под максимальным давлением независимо от нагрузки F.
Кроме описанной выше схемы установки дросселя на входе в гидродвигатель, возможны также схемы установки на выходе или параллельно (рис. 4.5, б, в). В случае установки дросселя параллельноснизижаются энергетические потери в гидроприводе (масло через предохранительный клапан может проходить лишь при перегрузке или остановке гидроцилиндра на упоре, если дроссель не пропускает всего потока масла, нагнетаемого насосом, при давлении настройки предохранительного клапана).
Основные параметры дросселей:
1) Условный проход: 6, 10, 16, 20, 32 мм.
2) Расход рабочей жидкости номинальный/ максимальный/ минимальный.
3) Давление на входе номинальное/максимальное.
4) Перепад давления на гидродросселе, МПа, или график зависимости перепада давления от расхода при полностью открытом дросселе.
Регуляторы расхода представляют собой совокупность дросселя и редукционного клапана, поддерживающего постоянный перепад на дросселирующей щели (таблица 4.7). Значение расхода на выходе стабилизируется вне зависимости от изменения температуры и/или давления на входе (стрелка на линии потока в упрощенном обозначении обозначает стабилизацию расхода по давлению). Схемы установки и основные параметры такие же как и у дросселей.
Благодаря регулятору потока практически исключается зависимость расхода рабочей жидкости, проходящего через дроссель от нагрузки. Следовательно исключается зависимость скорости от нагрузки.
4.3. Конструктивные варианты исполнения гидроаппаратуры
Промышленностью изготавливается гидроаппаратура различного исполнения – трубного, стыкового, модульного, встраиваемого.
4.3.1. Трубный (резьбовой) способ монтажа
При трубном (резьбовом) способе монтажа аппараты соединяют между собой с помощью многочисленных трубных соединений.
Недостатки этого способа монтажа:
— трудность монтажа и демонтажа определенных аппаратов;
— большие габариты гидроприводов, т.к. между аппаратами должно быть значительное расстояние для размещения труб и трубных соединений;
— большой ассортимент применяемых труб, резьб, концевых, угловых и промежуточных соединений;
— различные соединения являются местными сопротивлениями для протекания рабочей жидкости;
— вибрации трубопроводов увеличивают шум, создаваемый насосной установкой.
4.3.2. Стыковой способ монтажа
При стыковом способе монтажа гидроаппараты устанавливаются на панель или монтажную плиту. Расстояние между гидроаппаратами определяется удобством сверления отверстий в панели и удобством разводки труб с концевыми соединениями с боковых сторон монтажной плиты. Габариты привода в этом случае значительно меньше, чем при трубном способе монтажа. Значительно сокращается количество трубопроводов. Проще монтаж и демонтаж гидроаппаратов.
Недостатки этого способа монтажа:
— большие затраты времени на разработку монтажных плит;
— трудоемкость изготовления и невозможность их стандартизации;
— увеличенная металлоемкость гидроприводов;
— сложность обнаружения и устранения ошибок, допущенных при разработке или изготовлении монтажных плит.
Рекомендации по изготовлению монтажных плит.
1) Нормы точности на изготовление стыкуемых плоскостей монтажной плиты следует устанавливать с учетом условий (таблица 4.8).
Таблица 4.8.
| Степень точности | Номинальная длина большей стороны стыкуемой поверхности, мм | |||||
| св. 25 до 40 | св. 40 до 63 | св. 63 до 100 | св. 100 до 160 | св. 160 до 250 | св. 250 до 400 | |
| Допуски, мкм | ||||||
2) Параметры шероховатости должны соответсвовать:
степень точности Ra
7 1,25….. 0,63
8 0,63….. 0,32
3) Дренажные отверстия должны быть соединены с баком.
4) Положение аппарата при монтаже должно строго соответствовать требованиям руководства по эксплуатации.
5) Необходимо предусматривать легкий доступ к отверстиям, используемым для присоединения манометров при отладке гидроприводов.
4.3.3. Модульный способ монтажа
Каждый из гидроаппаратов, входящих в комплекс модульной гидроаппаратуры, независимо от своего функционального назначения имеет две стыковые плоскости. Эти плоскости одинаковы по размерам, числу и расположению отверстий для прохода рабочей жидкости и крепежа; и унифицированы со стыковой полостью распределителя соответствующего типоразмера. Благодаря этому обеспечивается модульный монтаж аппаратуры – аппараты различного функционального назначения устанавливают один на другой в последовательности, определяемой гидросхемой. При этом образуется модульный блок. Замыкается блок, как правило, стыковым распределителем или специальной переходной или замыкающей плиткой.
Достоинства этого способа монтажа:
— модульный аппарат дешевле и легче стыковой на 20-30%;
— аппараты-модули, устанавливаемые один на другой под распределителем не занимают самостоятельной площади на панели машины;
— потери давления снижаются» 1/3;
— значительно уменьшено количество труб и арматуры, обеспечен легкий монтаж, демонтаж и переналадка гидросхемы.

Рис. 4.6. – Типовые схемы аппаратов модульного исполнения: а) клапана предохранительного (на D y = 6 мм); б) клапана редукционного (на D y = 6 мм); в) клапана обратного; г) дросселя.
Основные типы аппаратов модульного исполнения и их условных обозначения [5] приведены на рисунке 4.6.
Рекомендации по изготовлению монтажных плит и монтажу модульных элементов:
1) Предельные отклонения не должно превышать:
- для размеров между осями отверстий ± 0,2 мм;
- для диаметров отверстий + 0,2 мм.
2) Допускается неплоскостность стыковых поверхностей не более 0,01 мм на длине 100 мм.
3) Параметр шероховатости стыковых плоскостей не более Ramax 1,25 мкм.
4) Параметр шероховатости наружного пояска заглушки и поверхности отверстий под уплотнительные кольца не более Ramax 1,25 мкм.
5) Болты для крепления аппаратов на плитах, а так же болты и шпильки, стягивающие монтажные плиты должны быть изготовлены из сталей с пределом прочности sв ³ 10 МПа.
6) Между монтажными плитами устанавливают уплотнительные плиты с резиновыми кольцами и при необходимости промежуточные и переходные плиты. Каналы в плитах перекрывают заглушками.
4.3.4. Встраиваемый способ монтажа
Встраиваемая аппаратура применяется для систем с высоким давлением и большими расходами рабочей жидкости.
Аппараты не имеют корпуса и выполнены в виде патронов которые вставляются в унифицированные монтажные отверстия панели изготовляемые потребителем и закрепляются с помощью фланцев и винтов. В панели так же выполнены соединяющие каналы в соответствии с гидросхемой привода.
Достоинства встраиваемой гидроаппаратуры:
— простота конструкций аппаратов;
— возможность снижения шума и вибрации;
— большая пропускная способность аппаратов;
— минимальная металлоемкость гидроприводов;
— возможность создания клапанных распределителей.
Недостатки:
— усложняется технология изготовления корпусов под установку гидроаппаратов по сравнению со стыковой и модульной;
— усложняются системы управления клапанным распределителем.
Выполнение гидропривода на базе только одного вида гидроаппаратуры не всегда возможно и оправдано. Рационально применять в конкретном гидроприводе те виды гидроаппаратуры или сочетание видов, которые позволяют для данного привода оптимально реализовать цикл работы гидрофицированной машины.






