В общем случае это комбинированные гидроаппараты, имеющие свое особое название и предназначение для выполнения определенных функций в гидросистеме.
10.1. Блок обратно - предохранительных клапанов

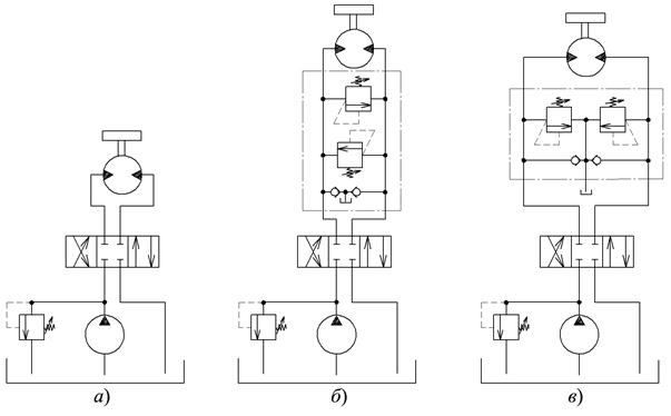
Рис. 10.1. – Схемы гидроприводов без клапанного блока (а) и склапанными блоками (б и в)
При резком переключении распределителя, гидромотор на валу которого находятся большие инерционные массы (например поворотная платформа экскаватора) начинает работать как насос (рис. 10.1, а). При этом в одной полости будет создаваться большое избыточное давление, а во второй разряжение (вакуум). Для предотвращения таких явлений применяют блок обратно - предохранительных клапанов (рис. 10.1, б и в). Оба предохранительных клапана ограничивают давление на стороне высокого давления и защищают систему от перегрузок. Рабочая жидкость поступает на сторону низкого давления. одновременно эти клапаны служат для торможения гидродвигателя при нулевой подаче. Клапаны обратные устанавливаются для нормальной работы при реверсе гидромотора.
10.2. Тормозные клапаны

Рис. 10.2. – Схемы гидроприводов с тормозными клапанами
Тормозные клапаны (рис. 10.2) применяют в приводах механизмов подъема-опускания груза кранов, экскаваторов, погрузчиков и других дорожно-строительных машинах для исключения противообгонного скоростного режима при действии нагрузок, направление которых совпадает с направлением вращения (движения) гидродвигателя. При этом тормозной клапан поддерживает приблизительно одинаковую скорость рабочих органов, движущихся под действием попутной внешней нагрузки независимо от ее величины.
10.3. Блоки гидравлического управления
Блок гидравлического управления это гидроусилитель, который служит для дистанционного управления перемещением золотников дросселирующих гидрораспределителей. При этом перемещение золотника гидрораспределителя пропорционально перемещению рукоятки управляющего блока.
Блок гидравлического управления работает по принципу регулируемого редукционного клапана с давлением на выходе, определяемым положением рукоятки блока.

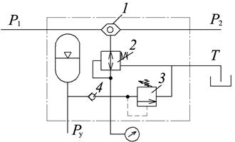
Рис. 10.3. – Схема гидропривода с блоком гидравлического управления: 1 – насос системы управления; 2 – клапан системы управления; 3 - блок гидравлического управления; 4 – гидрораспределитель; 5 – клапан предохранительный основной; 6 – насос основной; 7 – гидроцилиндр.
Каждый из редукционных клапанов блока гидравлического управления 3 управляет перемещением золотника гидрораспределителя 4 в одну сторону. Полный ход золотника гидрораспределителя делится на три фазы: перекрытие, регулирование расхода (с помощью регулировочных фасок) и полное открытие.
При незначительном перемещении (вниз) одного из клапанов блока гидравлического управления 3 в системе управления создается давление, достаточное для преодоления усилия пружины центрирующей золотник гидрораспределителя. При большем отклонении рукоятки и следовательно большем перемещении клапана блока гидравлического управления увеличивается давление управления которое действуя на торец золотника гидрораспределителя 4, сжимая центрирующие пружины, перемещает этот золотник. Золотник гидрораспределителя занимает положение, соответствующее давлению в линии управления. Таким образом достигается однозначная связь между положением рукоятки (педали) блока гидравлического управления и положением золотника гидрораспределителя (а следовательно расходом рабочих жидкостей проходящим через него).

Рис. 10.4. – Схемы гидроприводов с тормозными клапанами
Графически работа данного блока гидравлического управления может быть представлена в виде рис. 10.4.
10.4. Блоки питания систем гидравлического управления
Системы гидравлического управления секционными распределителями обеспечиваются потоком рабочей жидкости под давлением двумя способами:
1. Установка специального насоса с элементами его привода, всасывающего и напорного трубопроводов, предохранительного клапана.
2. Применение аккумуляторных блоков питания, присоединяемых к напорной линии основного насоса.

Рис. 10.5. – Блок питания системы гидравлического управления
Блок питания (рис. 10.5) состоит из логического элемента «или» (т.к. может применяться в двух насосных гидросистемах) 1, редукционного клапана 2, предохранительного клапана 3, обратного клапана 4 и гидропневмоаккумулятора. Зарядка гидропневмоаккумулятора происходит после запуска двигателя в течении непродолжительного времени до давления 3 МПа.
Аккумуляторные блоки питания расходуют на перемещение золотников гидрораспределителей ничтожно малую энергию и в случае отказа двигателя внутреннего сгорания или аварийной поломки позволяют сделать 5-10 переключений гидрораспределителя для возвращения рабочих органов машины в транспортное положение.






