Механизмы передач с подвижными осями называются планетарными или зубчато-рычажными.
Одноступенчатый планетарный редуктор, как правило, состоит из одного центрального подвижного колеса; одного центрального неподвижного колеса, называемого опорным; одного или нескольких сателлитов на оси, установленной на водиле (рычаге).
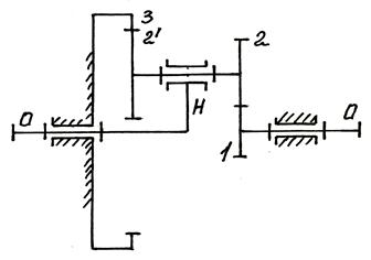
На рис. 11.3 показана схема одноступенчатого планетарного механизма, который состоит из центрального подвижного колеса 1, вращающегося с угловой скоростью ω1 вокруг оси ОО; водила Н, вращающегося с угловой скоростью ωН вокруг оси ОО; сдвоенного сателлита 2 2', установленного на водиле Н и вращающегося вместе с ним со скоростью ωН, а также с угловой скоростью ω2 вокруг собственной оси; центрального неподвижного (опорного) колеса 3 и неподвижной стойки 4.

Рис. 11. 3
Определим степень подвижности планетарного механизма (рис.11.3), имеющего три подвижных звена, три низших кинематических пар и две высших кинематических пар, т.е. n=3, p2=3, p1=2:
.
Аналитически передаточное отношение планетарного механизма опре-деляется методом обращенного движения, при котором всему механизму условно сообщается угловая скорость, равная по модулю, но противоположная по направлению угловой скорости ωН водила.
В этом случае водило становится как бы неподвижным и планетарный механизм превращается в обычный механизм с неподвижными осями вращения колес 1,2,2' и 3. Такой механизм называется обращенным. Его передаточное отношение равно:
.
Индекс в скобках (Н) указывает неподвижное звено.
С другой стороны передаточное отношение обращенного механизма равно отношению угловых скоростей звеньев в обращенном движении:
.
Учитывая, что фактически угловая скорость ω 3=0, получим:
,
откуда
.
Если ведущим в планетарном механизме является водило Н, то передаточное отношение механизма равно:
.
Если планетарный механизм имеет две ступени, то сначала определяется передаточное отношение каждой ступени и1 и и2, а затем определяется общее передаточное отношение как их произведение
и= и1·и2.
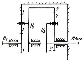
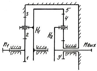
Пример. Для заданной на рис. 3.19 кинематической схемы планетарного редуктора определить число оборотов n вых выходного вала, если известны число оборотов n 1 входного вала и количество зубьев зубчатых колес
.
Решение. Из схемы планетарного редуктора видно, что он является двухступенчатым. Каждая ступень редуктора представляет собой планетарный механизм.
Первая ступень редуктора включает центральное подвижное колесо 1, сателлит 2, неподвижное (опорное) колесо 3 и водило Н 1.
Вторая ступень редуктора включает центральное подвижное колесо 5, сателлит 4, неподвижное (опорное) центральное колесо 3' и водило Н 2.
Вращаясь, колесо 1 вращает сателлит 2, который перекатываясь по неподвижному колесу 3, заставляет вращаться водило Н, а следовательно, и связанное с ним колесо 5. Колесо 5 вращает сателлит 4, который, перекатываясь по неподвижному колесу 3', заставляет вращаться водило Н2 и, следовательно, выходной вал.

Рис. 11.4
Общее передаточное число заданного редуктора равно: и= и1 ·и2 ,
где:
- передаточное отношение первой ступени;
- передаточное отношение второй ступени.
Поэтому запишем:
;
.
Теперь общее передаточное отношение планетарного редуктора равно:
.
Число оборотов выходного вала равно
.






