Основной способ синтеза этанола - гидратация этилена: сернокислотная в жидкой фазе и прямая водяным паром на твердом катализаторе.
Сернокислотный метод открыт А.М. Бутлеровым и состоит из четырех стадий:
• абсорбция этилена серной кислотой с образованием сернокислотных эфиров;
• гидролиз эфиров с образованием спирта;
• выделение спирта и его ректификация;
• концентрирование серной кислоты.
Взаимодействие этилена с серной кислотой состоит из двух этапов - растворение этилена в серной кислоте и образование эфиров:

При умеренных температурах реакция практически необратима, но при повышении температуры превращение смещается влево. Оптимальная температура процесса 340-350 К или примерно 75 °С.
Гидролиз этил- и диэтилсульфата протекает по уравнению:

Кроме основных, из диэтилсульфата образуется диэтиловый эфир, ацетальдегид, а также наблюдается полимеризация этилена. Температура 95-105°С, длительность гидролиза 30 мин.
Прямая каталитическая гидратация этилена перегретым водяным паром основана на двусторонней реакции, протекающей с изменением объема и выделением теплоты. Этот метод более экономичен по сравнению с сернокислотным.
Взаимодействие происходит по уравнению

Оптимальные условия проведения процесса с высокой степенью превращения и конверсии следующие: температура 55-95 °С, давление 7-8 МПа, объемная скорость парогазовой смеси 1800-1200 ч'1. Степень конверсии за один цикл синтеза составляет 4-5%. Процесс проводят по циркуляционной схеме. Оптимальное молярное соотношение Н2О:С2Н4 = 0,6:1. Катализатором служит фосфорная кислота. Вследствие заметной летучести фосфорной кислоты и постепенного снижения активности катализатора было предложено инжектировать тонкораспыленную кислоту при вводе парообразной смеси в контактный аппарат. Синтез этанола - процесс сложный, состав конечной смеси: этиловый спирт - 95%, диэтиловый эфир - 2%, ацетальдегид -1%, полимеры и др. - 2%.
При ректификации спирта-сырца примеси хорошо отделяются.
Метод прямой гидратации имеет и некоторые недостатки: необходимость применения высококонцентрированного этилена; малая степень превращения этилена за один проход по схеме, что вызывает повышенный расход электроэнергии.

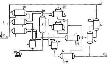
Рис. 3 Технологическая схема производства этилового спирта каталитической гидратацией этилена в газопаровой фазе:
1 - циркуляционный компрессор; 2, 3 - теплообменники-рекуператоры теплоты; 4 - теплообменник-подогреватель; 5 - гидратор; 6 - нейтрализатор; 7 - насос для подачи подщелаченного раствора Н^РО^, 8, 9 - котлы-утилизаторы теплоты; 10, 12 - сепараторы высокого давления; 11, 14 - холодильники; 13 -скруббер.
/- свежий этилен; II - пар (10 МПа); III - водно-спиртовой конденсат со щелочью; IV- пар; V - отдувка; VI - вода; VII - водный конденсат; VIII - водно-спиртовой конденсат на ректификацию
Рециркулирующий газ смешивают со свежим этиленом, он проходит теплообменники 2, 3 и подогреватель 4. Затем его смешивают в заданном соотношении с паром высокого давления и подают в реактор гидратации 5, который представляет собой цилиндрическую колонну с зернистыми катализаторами, футерованную красной медью или угольными брикетами. Газ в аппаратах 2, 3 подогревается за счет теплоты потока, выходящего из гидратора 5, а в аппарате 4 - глухим паром.
Реакционную смесь, выходящую из реактора с температурой 300-305 °С, нейтрализуют и охлаждают до 235 °С путем впрыска в нее подщелаченного водно-спиртового конденсата, охлаждают до 145 °С в теплообменнике 3, котлах-утилизаторах 8, 9 и направляют в сепаратор 10. Газ из сепаратора 10 через теплообменник 2 и холодильник 11 подают в сепаратор 12, затем в скруббер 13, где из него при 35 °С водой отмывают несконденсировавшийся спирт. Водно-спиртовой конденсат из сепараторов 10 и 12 передают в отделение ректификации.
Для сохранения активности катализатора в исходную смесь добавляют небольшое количество фосфорной кислоты.






