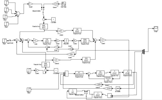
Схема моделирования СУ ВГЭУ с использованием магнитопорошковой муфты приведена на рис. 4. Результаты исследования во временной области для синусоидального изменения ветра и для скачкообразного изменения ветра приведены соответственно на рис.5 и рис. 6.

Рисунок 4 Схема моделирования СУ ВГЭУ
На схеме приведены следующие обозначения:
ЗУ - задающее устройство; ЦМ - центробежный маятник; ВСП- вспомогательный сервопривод; ГСП - главный сервопривод; ИР - изодромный регулятор;
ОУ - объект управления (турбина);
- задающий сигнал;
- разностный сигнал ошибки;
- выходной сигнал центробежного маятника;
- сигнал ошибки;
-выходной сигнал вспомогательного сервопривода;
- выходной сигнал главного сервопривода;
-выходной сигнал изодромного регулятора;
- выходной сигнал объекта управления.
Для формирования диаграммы скачкообразно изменяющегося ветрового возмущения воспользуемся группой блоков Stер1 - Stер5, таким образом, задавая различные значения скорости ветра в различные моменты времени. Блок Sin Wave подойдет для формирования синусоидально изменяющегося ветрового возмущения. Для имитации нагрузки воспользуемся блоком. Stер 6.
|
|
|
Представлен анализ качества функционирования ВЭУ в условиях изменяющихся ветрового потока, нагрузки и углов установки лопастей.
Полученная математическая модель объекта управления ВЭУ вертикально-осевого типа позволяет провести исследования влияния различных типов
ветрового воздействия, а также нагрузки на показатели качества замкнутой системы. Особенностью функциональной схемы системы управления ветроэнергетической установкой является использование принципа управления путем изменения угла поворота лопастей. Введение внутренних обратных связей в системе по углу отклонения лопасти и ее угловой скорости поворота, а также наличие внешней обратной связи по угловой скорости вращения электрогенератора позволило значительно повысить качество управления.

Рисунок 5 Машинное моделирование системы

Рисунок 6 Результаты моделирования СУ ВГЭУ с магнитопорошковой муфтой для синусоидального изменения ветра во временной области,
1 – сигнал с ГЭУ, 2 – сигнал с ВЭУ, 3 – сигнал с ВГЭУ;
а – без нагрузки, б – с нагрузкой.

Рисунок 7 Результаты моделирования СУ ВГЭУ с магнитопорошковой муфтой для скачкообразного изменения ветра во временной области,
1 – сигнал с ГЭУ, 2 – сигнал с ВЭУ, 3 – сигнал с ВГЭУ;
а – без нагрузки, б – с нагрузкой.

Рисунок 6.8 Моделирование СУ ВГЭУ с оператором

Рисунок 9 Результаты моделирования СУ ВГЭУ с оператором для
синусоидального изменения ветра во временной области,
1 – сигнал с ГЭУ, 2 – сигнал с ВЭУ, 3 – сигнал с ВГЭУ;
|
|
|
а – без нагрузки, б – с нагрузкой.

Рисунок 10 Результаты моделирования СУ ВГЭУ с оператором для
скачкообразного изменения ветра во временной области,
1 – сигнал с ГЭУ, 2 – сигнал с ВЭУ, 3 – сигнал с ВГЭУ;
а – без нагрузки, б – с нагрузкой.

Рисунок 6.11 Моделирование СУ ВГЭУ с оператором

Рисунок 12 Результаты моделирования СУ ВГЭУ с оператором для
синусоидального изменения ветра во временной области,
1 – сигнал с ГЭУ, 2 – сигнал с ВЭУ, 3 – сигнал с ВГЭУ;
а – без нагрузки, б – с нагрузкой.

Рисунок 6.13 Результаты моделирования СУ ВГЭУ с оператором для скачкообразного изменения ветра во временной области,
1 – сигнал с ГЭУ, 2 – сигнал с ВЭУ, 3 – сигнал с ВГЭУ;
а – без нагрузки, б – с нагрузкой.