Как следует из рассмотренного выше, быстродействие ключа можно увеличить, переключив его током базы, временная диаграмма которого представляет на рис. 5-а.
![]() |
Рис. 5-а.
В момент t1 для ускорения процесса ключ включается большим током / Б1, затем в момент времени t2 ток уменьшается до значения /' Б1, т. е. транзистор выводится на границу режима насыщения для уменьшения длительности рассасывания. В момент t3 транзистор запирается большим базовым током / Б2.
Ключ с форсирующей (ускоряющей) емкостью. Форму тока, близкую к оптимальной, можно получить, шунтировав резистор R конденсатором (рис. 5-б).
![]() |
Рис. 5-б.
При появлении входного напряжения в момент t1 транзистор начинает открываться.
![]() |
Рис. 5-в.
Базовый ток транзистора в первый момент замыкается через конденсатор, так как последний представляет собой малое сопротивление, близкое к короткому замыканию для скачка тока. Вследствие этого в момент / 1 базовый ток имеет большое значение (рис.5-в):
/ Б1 =(ивх – иБЭ) / Ru,
|
|
|
где Ru — внутреннее сопротивление источника сигнала (например, выходное сопротивление предыдущего ключа); обычно Rи >> R.
Этот ток быстро заряжает барьерные емкости и накапливает заряд в базе транзистора. Благодаря большому току уменьшаются длительности задержки и фронта. По мере заряда конденсатора ток базы уменьшается до значения /' Б1 = ивх / R, определяемого сопротивлением R, которое выбирается из условия насыщения. Благодаря этому к моменту окончания входного импульса в базе накапливается сравнительно небольшой избыточный заряд.
В момент t3 окончания входного сигнала конденсатор С разряжается через базу транзистора, создавая большой запирающий ток базы:
/ Б2 = UC / RИ.
Этот ток ускоряет процессы рассасывания и выключения транзистора.
Емкость С не должна быть слишком малой, иначе длительность всплесков токов будет меньше, чем длительность процессов переключения, которую они уменьшают. При этом процесс переключения будет протекать в основном при сравнительно малых токах базы, т. е. не будет ускоряться.
Нельзя выбирать ускоряющий конденсатор и слишком большой емкости, поскольку в этом случае: во-первых, ток базы не успеет уменьшиться до уровня / Б2 к концу входного импульса и в базе накопится весьма большой избыточный заряд; во-вторых, конденсатор не будет успевать заряжаться до уровня входного импульса к моменту его окончания, процессы рассасывания и включения будут протекать медленнее.
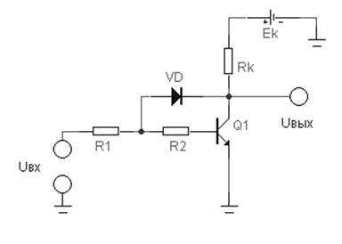
Ключ с нелинейной обратной связью. Обеспечить большой базовый ток включения и одновременно уменьшить время рассасывания можно, используя схему ключа с отрицательной обратной связью, в которой не допускается насыщенный режим работы транзистора. Особенно важно это при использовании высокочастотных дрейфовых транзисторов, отличающихся тем, что у них время жизни неосновных носителей в режиме насыщения значительно больше, чем в активном режиме. Схема ненасыщенного ключа приведена на рис. 6.
|
|
|
Нелинейная отрицательная обратная связь осуществляется через диод VD. Состояние диода определяется полярностью и величиной напряжения, действующим между анодом и катодом диода. В исходном состоянии диод закрыт за счет высокого положительного потенциала на катоде. Отрицательная обратная связь не действует.
![]() |
Рис. 6.
При подаче большого входного сигнала ивх = U1, входной ток вначале течет через R1 и R2 в базу транзистора, обеспечивая большой ток включения IБ1. В процессе отпирания транзистора напряжение на коллекторе уменьшается от Ек, стремясь к 0, и в тот момент, когда напряжение между базой и коллектором уменьшаясь достигнет значения, равного падению напряжения от входного тока на R2, диод VD открывается и часть входного тока будет протекать через диод и коллектор на землю в обход базы. В результате ток базы уменьшается до значения /' Б1 ≤ /' Б нас, и транзистор не входит в насыщение. Сопротивление R2 выбирают таким, чтобы падение напряжения на нем за счет тока базы было больше падения напряжения на открытом диоде. В этом случае напряжение между коллектором и базой остается положительным, хотя и небольшой величины, и вхождение транзистора в насыщение предотвращается.
При изготовлении ключа методами микроэлектроники в цепи обратной связи иногда используются диоды Шотки, выполненные в едином технологическом процессе с интегральным транзистором также с барьером Шотки. Диод Шотки представляет собой переход металл — полупроводник.
Для работы ключа с нелинейной обратной связью необходимо, чтобы диод, включенный параллельно коллекторному переходу транзистора, открывался при сравнительно малом напряжении, когда коллекторный переход еще закрыт. Это и обеспечивает диод с барьером Шотки.
В подобных ключах можно получить очень малые времена выключения, поскольку транзисторы с барьером Шотки имеют, как правило, более высокие значения коэффициента усиления и более низкие значения неуправляемых токов.










