Рассмотрим схемы мультивибраторов, позволяющие улучшить параметры импульсов, формируемых ими.
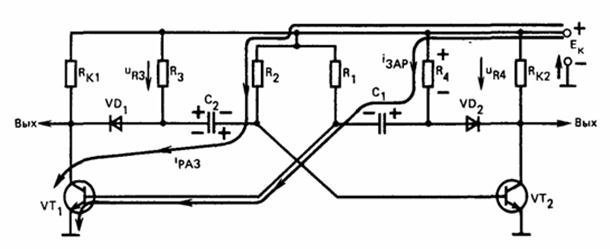
Мультивибратор с отключающими диодами. Недостатком рассмотренных схем является большая длительность фронтов выходных импульсов. Это объясняется тем, что после перехода мультивибратора в следующее квазиустойчивое состояние емкость времязадающей цепи заряжается током, замыкающимся через сравнительно большое коллекторное сопротивление. От этого недостатка свободен мультивибратор с отключающими диодами (рис. 11).
![]() |
Рис. 11.
В этом мультивибраторе зарядный ток конденсатора времязадающих цепей замыкается через резисторы R3 и R4. При этом на указанных резисторах возникают напряжения, которые закрывают соответствующий диод VD1, VD2. Закрытый диод отключает зарядную цепь конденсатора от коллектора транзистора, напряжение на коллекторе достаточно быстро устанавливается на уровне Ек. Конденсаторы заряжаются по той же цепи, что и мультивибратор на рис. 10, так как в это время соответствующий диод открыт, его сопротивление мало и практически не влияет на длительность выходных импульсов. На рис. 11 показано состояние мультивибратора, в котором транзистор VT1 открыт, а VD2 закрыт. В этом состоянии диод VD2 закрыт напряжением с резистора R4, а диод VD1 открыт. Конденсатор C1 заряжается током, протекающим через резистор R4, а конденсатор С2 разряжается через открытый диод VD1.
|
|
|
Наиболее существенный недостаток данного мультивибратора состоит в том, что он не может обеспечить высокую скважность импульсной последовательности. Ограниченное значение скважности (Q = 5...6) объясняется следующими причинами. Увеличение скважности требует увеличения отношения tИ1 / tИ2 . Это приводит к тому, что конденсаторы C1 и C2 должны иметь разную емкость, причем разность емкостей должна быть существенной. В этом случае может оказаться, что конденсатор большей емкости не будет успевать заряжаться через сравнительно большое сопротивление R3, R4 за то время, в течение которого конденсатор меньшей емкости разряжается через R1, R2.
