Регулировать tИ можно изменением постоянной времени R2 * C2. Для этого надо изменять емкость С2 или сопротивление R2. Объясним это. С увеличением постоянной времени уменьшается скорость, с которой изменяется напряжение на базе VT2 в течение рабочего состояния. Напряжение UБ 2 позже достигает порогового значения Un, и длительность импульса возрастает. Этот метод можно применять при небольших пределах изменения tu, так как при увеличении R2 транзистор VT2 может выйти из насыщения, а при сильном уменьшении R2, наоборот, может войти в глубокое насыщение, и режим работы одновибратора нарушится. Кроме этого, увеличение R2 ведет к росту температурной нестабильности, а увеличение емкости конденсатора С2 приводит к возрастанию времени восстановления.
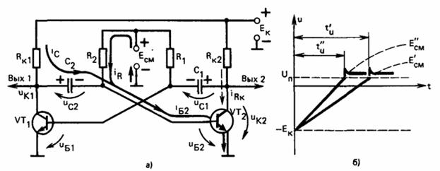
Другой способ регулировки состоит в изменении начального напряжения на конденсаторе времязадающей цепи. Данный способ регулировки показан на рис. 8. Регулирующее напряжение Up на конденсаторе С2 подают через диод VD, причем Up < Eк.
В исходном состоянии диод VD открыт напряжением Ек и потенциал на коллекторе закрытого транзистора фиксируется на уровне Up. Разность Ек—Up падает на резисторе RК2 из-за протекания через него тока открытого диода. Конденсатор С2 оказывается заряженным до напряжения Uc2= Up — UБЭ НАС 2. Таким образом, после запуска мультивибратора напряжение на базе закрытого транзистора VT2 будет изменяться от значения Up — UБЭ НАС 2, стремясь к Ек. (рис. 8,б). Чем меньше Up, тем раньше напряжение UБ 2 достигнет порогового значения Un и тем меньше длительность выходного импульса.
|
|
|
![]() |
Рис. 8.
Наряду с регулированием длительности выходного импульса в мультивибраторе (рис. 8,а) уменьшается длительность восстановления. Это явление поясняют временные диаграммы, приведенные на рис. 8,б. После обратного опрокидывания устройства конденсатор С2 заряжается и напряжение на коллекторе транзистора VT1 растет, стремясь к Ек. Однако в тот момент, когда UК1 достигает значения, примерно равного Up, открывается диод и процесс восстановления заканчивается.
АВТОКОЛЕБАТЕЛЬНЫЙ МУЛЬТИВИБРАТОР
Схема и принцип действия. На рис. 9-а представлена схема автоколебательного мультивибратора, а на рис. 9-б — временные диаграммы, поясняющие его работу.
Мультивибратор состоит из двух каскадов на транзисторах VT1 и VT2. Причем вход каждого каскада (база) подключен через конденсатор к выходу другого (к коллектору). Такое включение обеспечивает наличие петли положительной обратной связи в то время, когда оба транзистора работают в активном режиме. Мультивибратор имеет все элементы, присущие релаксационному генератору: конденсаторы C1 и С2 являются накопителями энергии, транзисторы VT1 и VT2 выполняют роль коммутирующих устройств. Резисторы R1, R2 входят в цепи разряда конденсаторов.
|
|
|
Первое квазиустойчивое состояние. Будем считать, что к моменту t1 мультивибратор перешел в очередное квазиустойчивое состояние, при этом VT1 закрылся, а VT2 открылся и вошел в насыщение. К этому моменту напряжение UС1 на конденсаторе C1 имело максимальное значение, равное Ек - UБЭ НАС 1 (конденсатор C1 заряжен, а конденсатор С2 разряжен).
![]() |
Рис. 9-а.
К базе транзистора VT1i через открытый VT2 прикладывается напряжение UБ1 ≈ - UС1 (напряжение UБ1 между базой и эмиттером транзистора VT1 определяется суммированием напряжения вдоль внешнего по отношению к транзистору контура при обходе его от базы к эмиттеру).
Таким образом, транзистор VT1 удерживается в закрытом состоянии под действием отрицательного напряжения с конденсатора C1, приложенного к базе. Транзистор VT2 остается открытым, поскольку в его базу поступает ток IБ2 = IR2 + IC2, где IR2 —составляющая базового тока, протекающая через резистор R2, IC2 — составляющая базового тока, протекающая через RК1 и С2. С момента t1 начинаются два процесса — разряд C1 и заряд C2.
Разряд C1 в автоколебательном мультивибраторе аналогичен соответствующему процессу в квазиустойчивом состоянии ждущего мультивибратора.
Разряд конденсатора C1 осуществляется током IC1, протекающим в цепи: положительный полюс источника Ек, резистор R1, конденсатор C1, открытый переход коллектор—эмиттер транзистора VT2, земля, отрицательный полюс источника Ек.

Рис. 9-б.
Под действием этого тока, являющегося частью коллекторного тока транзистора VT2, конденсатор С2 стремится не просто разрядиться, а перезарядиться до напряжения, близкого к Ек, но противоположной полярности. При этом напряжение на базе транзистора VT1, меняющееся так же, как и напряжение на C1, нарастает по экспоненте с постоянной времени R1 * C1 от минимального значения стремясь к значению Ек. В момент t2, когда напряжение UБ 1 достигает порогового значения, транзистор VT1 открывается. Отрицательное напряжение с зарядившегося конденсатора C2, примерно равное - Ек, через открытый VT1 прикладывается к базе VT2, вследствие чего VT2 закрывается и мультивибратор переходит в новое квазиустойчивое состояние.
Процесс заряда конденсатора С2, аналогичный процессу восстановления в ждущем мультивибраторе, осуществляется под действием составляющей базового тока IС 2. Составляющая IС 2 протекает в цепи: положительный полюс источника Ек, резистор RК1, конденсатор С2, открытый переход база — эмиттер транзистора VT2, земля, отрицательный полюс источника Ек и заряжает конденсатор С2. Напряжение на нем растет по экспоненте с постоянной времени RК1 * С2, стремясь к Ек. По такому же закону уменьшается ток заряда и создаваемое им напряжение на резисторе RК1. При этом напряжение UК1 растет, стремясь к Ек. После окончания заряда конденсатора С2, когда IC2 = 0, транзистор VT2 продолжает оставаться открытым благодаря току, протекающему через R2. Процесс заряда конденсатора С2 определяет длительность фронта TФ1 выходного импульса, формируемого на коллекторе транзистора VT1. Поскольку сопротивление резистора RК2 всегда бывает меньше сопротивления резистора R1, то заряд конденсатора С2 заканчивается раньше разряда C1 и время нахождения мультивибратора в квазиустойчивом состоянии определяется разрядом C1.
Второе квазиустойчивое состояние. В новом квазиустойчивом состоянии в мультивибраторе происходят процессы, аналогичные описанным выше, только в другой его части. Теперь разряжается конденсатор С2 частью коллекторного тока транзистора VT1, протекающего по цепи +Ек, R2, C2, VT1, -Ек. При этом напряжение на базе транзистора VT2 изменяется по экспоненте с постоянной времени R2 * С2 (рис. 9,б). В момент t3, когда напряжение UБ 2 достигнет значения Uп, вновь открывается транзистор VT2 и мультивибратор возвращается в первое квазиустойчивое состояние. В это же время заряжается конденсатор С1, частью базового тока транзистора VT1, протекающего по цепи C1, RK2, Ек, VT1. Таким образом, автоколебательный мультивибратор периодически переходит из одного квазиустойчивого состояния в другое.
|
|
|
Как видно из временных диаграмм на рис. 9,б, напряжение на коллекторах транзисторов представляет собой последовательность импульсов положительной полярности, форма которых близка к прямоугольной.
Параметры формируемой импульсной последовательности. Рассмотрим основные параметры импульсной последовательности, формируемой мультивибратором.
Процессы, определяющие длительность импульса в каждом квазиустойчивом состоянии мультивибратора, того же характера, что и в ждущем мультивибраторе. Поэтому выражения, описывающие основные параметры ждущего мультивибратора, справедливы и в данном случае.
tИ1 ≈ 0,7* R1* C1, tИ2 ≈ 0,7* R2* C2.
Период следования импульсов, как это видно из временных диаграмм на рис. 9,б, равен сумме длительности импульсов:
Т = tИ1 + tИ2
Частота следования импульсов, генерируемых мультивибратором,
F = 1 / T = 1 / (tИ1 + tИ2).
Длительность фронта. Фронт выходного импульса имеет экспоненциальную форму в связи с тем, что зарядный ток времязадающего конденсатора протекает через резистор RК закрытого транзистора и создает падение напряжения на RК, направленное встречно Ек. Поэтому напряжение на коллекторе не может сразу после запирания транзистора установиться на уровне Ек. По мере заряда конденсатора ток заряда и создаваемое им напряжение на RК уменьшаются, а напряжение на коллекторе закрытого транзистора стремится к установившемуся значению Ек с постоянной времени RК * С, где С=С1 или С2, а RК = RК1 или RК2. Для инженерных расчетов считают, что длительность фронтов равна:
tФ1 ≈ 2,3 * RК1 * С2, tФ2 ≈ 2,3 * RК2 * С2.
|
|
|
Амплитуда импульсов в отсутствие нагрузки определяется разностью уровней напряжения на коллекторах открытого и закрытого транзистора. Можно считать, что напряжение на коллекторе закрытого транзистора близко к Ек, а на коллекторе открытого примерно равно нулю, т. е.
UМ ≈ Ек.
РЕГУЛИРОВАНИЕ ЧАСТОТЫ АВТОКОЛЕБАТЕЛЬНОГО МУЛЬТИВИБРАТОРА
Поскольку частота колебаний автоколебательного мультивибратора выражается через длительность выходных импульсов, то для ее регулирования применимы те же методы, что и в ждущем мультивибраторе. При этом следует иметь в виду, что для сохранения неизменной скважности регулировку частоты необходимо осуществлять одновременным изменением tИ1 и tИ2 на одинаковое значение.
Способ регулировки частоты изменением постоянной времени времязадающих цепей имеет те же недостатки, которые отмечались при изучении ждущего мультивибратора. Только увеличение емкости времязадающей цепи в данном случае ведет не к увеличению времени восстановления, а к удлинению фронта выходного импульса. Плавное регулирование частоты мультивибратора может осуществляться по схеме, приведенной на рис. 10. В этом случае для создания смещения на базах транзисторов используется отдельный источник, напряжение которого можно регулировать.
![]() |
Рис. 10.
В процессе формирования выходного импульса напряжение на конденсаторе времязадающей цепи меняется по экспоненциальному закону от Ек, стремясь к значению Un. С уменьшением Ecм должна уменьшаться скорость изменения напряжения на конденсаторе (рис. 10,б), это напряжение позже достигает нулевого значения.


