Схема накатывания резьбы на проход
Недостаток: этот метчик быстрее изнашивается, каждый зуб работает за два зуба. При обработке высокопрочных и труднообрабатываемых материалов такой метчик не применяется, т.к. при износе инструмента происходит повышение Pz и Мкр, что ведет к поломке метчика.
Эти метчики используются при нарезании резьбы в заготовках из алюминия.

У 2) кроме угла заборного конуса имеется обратная конусность резьбы. При расчете учитывается аналитическая связь между углом профиля нарезаемой резьбы e и углом профиля резьбы метчика eи, углом профиля нарезаемой резьбы j и углом обратной конусности s.
При работе метчика толщина срезаемого слоя такая же, как и при работе нормального метчика, отсюда происходит меньшее изнашивание, чем Рис. 148
метчика 1). Главной особенностью метчика 2) является уменьшенный контакт профиля зубьев по сравнению с контактом нормального метчика. Чтобы это осуществить, угол eи делается на 5 – 6 меньше e.
При этом контакт профиля зубьев метчика будет происходить на толщине срезаемого слоя а, в остальных частях будут наблюдаться боковые зазоры 2 - 30.
|
|
|
![]() |
Рис. 149
hr – высота гребешка
Из схемы формирования профиля резьбы следует,что при использовании 2) остаются гребешки высотой hr не срезанными. Эти гребешки должны повышать шероховатость резьбы, но из практики шероховатость резьбы образуется с помощью 2) даже меньше, чем при использование нормального метчика. Это объясняется тем, что каждый зуб метчика на lзч не портит часть профиля (поверхности), которая формируется предыдущем зубом. Кроме того расчеты показывают, что
hr = a tg(2 – 3)0 – мала, т.к. а = 0,02 – 0,15мм.
3) можно применять в таких случаях при которых невозможно применение нормальных метчиков.
Пример: с помощью 2) можно нарезать резьбу в закаленных стальных загатовках, и в труднообрабатываемых материалах.
Недостатки 2) невозможно перетачивать по передней поверхности: снижается средней диаметр резьбы метчика. Отсутствует калибрующая часть и в формирование резьбы, участвует последний зуб на lзч.
У 3) просверливается центральное отверстие через сердцевину метчика, через которую подается СОЖ под давлением (10 – 20)атм.
Из других прогрессивных конструкций метчиков можно отметить:
· с твердосплавными пластинами
· метчики – протяжки.
![]() |
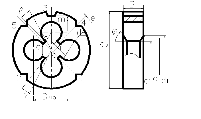
Плашки
Рис. 150
b = 300
b = g + (10 …20)0
Число стружечных отверстий зависит от резьбы плашки. Плашка затылована по архимедовой спирали на заборных конусах по вершинам резьбы.
K = (Пdz/z)/tga
Плашка имеет два заборных конуса что обеспечивает высокий период стойкости инструмента (в два раза).
Угол j зависит от материала заготовки, при обработки стпльных заготовок j = (20 – 30)0.
|
|
|
Чтобы осуществить захват плашки заготовкой диаметр торцевой части
dT > d на (0,3 – 0,4)мм.
a – определяется как и у метчика.
a = (Р/z) sin j
Резьба плашки не шлифуется. Она нарезается с помощью плашечного и маточного метчиков до термической обработки плашки. При термообработке возможны деформации инструмента и резьбы в нем; обезуглероживание поверхностного слоя резьбы. Резьба – невысокой степени точности.
Ширина В = 2lзч + lкч = (6 – 10)Р.
dотв, Dч.о – определяется графическим путем
m = (0,15 – 0,19)do
Плашка закрепляется с помощью отверстий 1 и 2.
Регулируемые отверстия 3,4,5.
Чтобы уменьшить диаметр резьбы, плашка разрезается по пазу 3. Ось отверстий 4 и 5 смещена с осей симметрии плашки на величину е. При регулирование (уменьшение диаметра) регулировочный винт оказывает давление на верхнюю часть регулируемого отверстия.
Величина ширина пера F = (Пd1)/z 2,2 нарезаемой части
С > F; C – просвет.
Резьбонакатные инструменты
Накатные резьбы имеют повышенную прочность по сравнению с нарезанной резьбой. Это объясняется тем, что волокна металла упрочняются за счет повышенной степени пластического деформации поверхностного слоя резьбы.
При этом способе металл экономится на 10 – 30 %, т.к диаметр заготовки под резьбу меньше диаметра получаемой резьбы.
Точность Rа равна шлифованию.
Наибольшее распространение получили накатные резьбы, получаемые с помощью резьбонакатных плашек и роликов.
Точность резьбы накатанной роликом выше, чем плашками.
Конструкция резьбонакатной плашки
Такая накатка осуществляется на станках - автоматах. Используется две резьбонакатных плашки, одна из которых неподвижна.
Плашка представляет собой две массивные пластины с развернутыми витками резьбы на лицевой стороне. На неподвижной плашке есть заборная часть, а на подвижной ее может и не быть.

Рис. 151
Рис. 152
Такая накатка осуществляется на резьбонакатных станках. Заготовка укладывается в магазин и по мере необходимости, по одной с помощью отсекателя подается в зону накатывания резьбы
.
1 – Неподвижный ролик
2 – Подвижный ролик
3 – Упор
D1 = D2
Осуществляется двумя методами:
1) D1 = D2; n1 ¹ n2
2) D1 ¹ D2; n1 = n2
Способ 2) применяется чаще.
![]() |
D1 / D2 = 1,1 – 1,2
Рис. 153


