Пути и значение сокращения производственного цикла
Производственный цикл используется в качестве норматива при оперативном планировании производства, финансовом управлении и других планово-производственных расчетах.
Производственный цикл (Тц) непосредственно связан с нормативом оборотных средств:
Тц = ОСн.п / Qдн,
где ОСн.п — объем оборотных средств в незавершенном производстве (руб.);
Qдн — однодневный выпуск продукции (руб.).
Сокращение производственного цикла имеет большое экономическое значение:
- сокращается оборачиваемость оборотных средств за счет сокращения объемов незавершенного производства;
- увеличивается фондоотдача основных производственных фондов;
- снижается себестоимость изделий за счет сокращения условно-постоянной части издержек на одно изделие и т.д.
Длительность производственного цикла зависит от двух важнейших групп факторов:
- технического уровня производства;
- организации производства.
Эти обе группы факторов взаимообуславливают и дополняют друг друга.
Основными направлениями снижения производственного цикла являются:
- совершенствование технологии;
- применение более производительных оборудования, инструментов, средств технологического оснащения;
- автоматизация производственных процессов и применение гибких интегрированных процессов;
- специализация и кооперирование производства;
- организация поточного производства;
- гибкость (многофункциональность) персонала;
- многие другие факторы, влияющие на длительность производственного цикла (см. структуру Тц на рис. 7.6).
Поточное производство является наиболее эффективной формой организации производственного процесса.
Признаки поточного производства:
- закрепление одного или ограниченного числа наименований изделий за определенной группой рабочих мест;
- ритмическая повторяемость согласованных во времени технологических и вспомогательных операций;
- специализация рабочих мест;
- расположение оборудования и рабочих мест по ходу технологического процесса;
- применение специальных транспортных средств для межоперационной передачи изделий.
При поточном производстве реализуются принципы:
- специализации;
- параллельности;
- пропорциональности;
- прямоточности;
- непрерывности;
- ритмичности.
Поточное производство обеспечивает самую высокую производительность труда, низкую себестоимость продукции, наиболее короткий производственный цикл.
Основой (первичным звеном) поточного производства является поточная линия.
Расположение поточных линий (планировка) должна обеспечить:
- прямоточность и кратчайший путь движения изделия;
- рациональное использование производственных площадей;
- условия для транспортировки материалов и деталей к рабочим местам;
- удобство подходов для ремонта и обслуживания;
- достаточность площадей и оргоснастки для хранения требуемых запасов материалов и готовых деталей;
- возможность легкого удаления отходов производства.
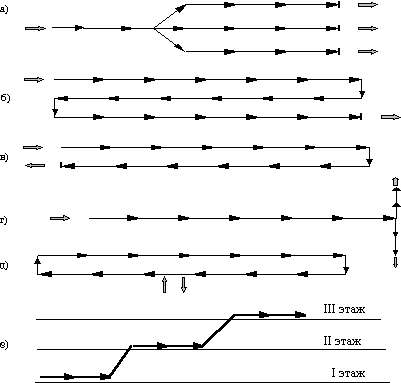
Примеры расположения оборудования и пути движения изделия приведены на рис. 7.10 и 7.11.

Рис. 7.10. Движение изделия по поточной линии при расположении оборудования:
а — одностороннем; б — двухстороннем

Рис. 7.11. Схемы движения изделий по поточным линиям:
а — разветвляющаяся; б — зигзагообразная; в — П-образная;
г — Т-образная; д — замкнутая; е — многоуровневая.
Транспортные средства в поточном производстве
В поточном производстве применяются разнообразные транспортные средства (табл. 7.3).