Статические оперативные запоминающие устройства позволяют обеспечивать хранение записанной информации до тех пор, пока на микросхему подаётся питание. Однако запоминающая ячейка статического ОЗУ занимает относительно большую площадь, поэтому для реализации ОЗУ большого объема были разработаны устройства, где в качестве запоминающей ячейки применяют конденсатор. Заряд на этой ёмкости естественно с течением времени уменьшается, поэтому его необходимо подзаряжать с периодом приблизительно 10 мс. Этот период называется периодом регенерации. Подзарядка ёмкости производится при считывании ячейки памяти, поэтому для регенерации информации достаточно просто считать регенерируемую ячейку памяти. Динамические ОЗУ характеризуются наибольшей информационной емкостью, немного меньшим быстродействием и повышенным энергопотреблением.
Схема запоминающего элемента динамического ОЗУ и его конструкция приведена на рис. 5.4.
При считывании заряда ёмкости необходимо учитывать, что ёмкость линии
|
|
|

Рис. 5.4. Схема запоминающего элемента динамического ОЗУ и его конструкция.
считывания много больше емкости запоминающей ячейки. Графики изменения напряжения на линии считывания при считывании информации с запоминающей ячейки без применения регенерации приведены на рис. 5.5.

Рис. 5.5. Графики изменения напряжения на линии считывания при считывании информации с запоминающей ячейки.
Первоначально на линии записи/считывания присутствует половина питания микросхемы. При подключении к линии записи/считывания запоминающей ячейки заряд, хранящийся в запоминающей ячейке, изменяет напряжение на линии на небольшую величину ∆U. Теперь это напряжение необходимо восстановить до первоначального логического уровня. Если приращение напряжения ∆U было положительным, то напряжение необходимо довести до напряжения питания микросхемы. Если приращение ∆U было отрицательным, то напряжение необходимо довести до уровня общего провода.
Для регенерации первоначального напряжения, хранившегося в запоминающей ячейке в схеме применяется RS триггер, включенный между двумя линиями записи/считывания. Схема такого включения приведена на рис.5.6. Эта схема за счет положительной обратной связи восстанавливает первоначальное значение напряжения в запоминающем элементе, подключенном к выбранной линии считывания. То есть, при считывании ячейки производится регенерация хранящегося в ней заряда.
Для уменьшения времени регенерации микросхема устроена так, что при считывании одной ячейки памяти в строке накопительной матрицы регенерируется вся строка.
|
|
|

Рис. 5.6. Схема регенерирующего каскада.
Особенностью динамических ОЗУ является мультиплексирование шины адреса. Адрес строки и адрес столбца передаются поочередно. Адрес строки синхронизируется стробирующим сигналом RAS# (Row Address strobe), а адрес столбца - CAS# (Column Adress Strobe). Мультиплексирование адресов позволяет уменьшить количество выводов микросхем ОЗУ. Изображение микросхемы динамического ОЗУ приведено на рис. 5.7, а временные диаграммы обращения к динамическому ОЗУ на рис. 5.8.

Рис. 5.7. Изображение динамического ОЗУ на принципиальных схемах.
На рис. 5.8 стрелками показана последовательность, в которой должны формироваться управляющие сигналы.
Именно так долгое время велась работа с динамическими ОЗУ. Затем было замечено, что обычно обращение ведется к данным, лежащим в соседних ячейках памяти,
поэтому не обязательно при считывании или записи каждый раз передавать адрес строки. Данные стали записывать или считывать блоками и адрес строки передавать только в начале блока. При этом можно сократить общее время обращения к динамическому ОЗУ и тем самым увеличить быстродействие компьютера.

Рис. 5.8. Временная диаграмма обращения к динамическому ОЗУ
Такой режим обращения к динамическому ОЗУ называется быстрым страничным режимом доступа FPM (Fast Page Mode). Длина считываемого блока данных равна четырем словам. Для того чтобы оценить время такого режима доступа к памяти время измеряют в тактах системной шины процессора. В обычном режиме доступа к памяти время доступа одинаково для всех слов и составляет пять тактов. Поэтому цикл обращения к динамической памяти можно записать как 5-5-5-5. При режиме быстрого страничного доступа цикл обращения к динамической памяти можно записать как 5-3-3-3, то есть время обращения к первой ячейке не изменяется по сравнению с предыдущим случаем, а считывание последующих ячеек сокращается до трех тактов. При этом среднее время доступа к памяти сокращается почти в полтора раза. Временная диаграмма режима FPM приведена на рис. 5.9.
Еще одним способом увеличения быстродействия ОЗУ является применение микросхем EDO (Extended Data Out — ОЗУ с расширенным выходом данных). В EDO
ОЗУ усилители-регенераторы не сбрасываются по окончанию строба CAS#, поэтому времени для считывания данных в таком режиме больше. Теперь для того чтобы сохранить время считывания на прежнем уровне можно увеличить тактовую частоту системной шины и тем самым увеличить быстродействие компьютера. Для EDO ОЗУ цикл обращения к динамической памяти можно записать как 5-2-2-2.

Рис. 5.9. Временная диаграмма обращения к динамическому ОЗУ в режиме FPM.
Следующим шагом в развитии схем динамического ОЗУ было применение в составе ОЗУ счетчика столбцов. То есть при переходе адреса ячейки к следующему столбцу запоминающей матрицы адрес столбца инкрементируется (увеличивается) автоматически. Такое ОЗУ получило название BEDO (ОЗУ с пакетным доступом). В этом типе ОЗУ удалось достигнуть режима обращения к динамической памяти 5-1-1-1.
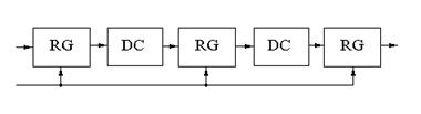
В синхронном динамическом ОЗУ (SDRAM) дальнейшее увеличение быстродействия получается за счет применения конвейерной обработки сигнала. Как известно при использовании конвейера можно разделить операцию считывания или записи на отдельные подоперации, такие как выборка строк, выборка столбцов, считывание ячеек памяти, и производить эти операции одновременно. При этом пока на выход передается считанная ранее информация, производится дешифрация столбца для текущей ячейки памяти и производится дешифрация строки для следующей ячейки памяти. Этот процесс иллюстрируется рис. 5.10.

Рис. 5.10. Структурная схема конвейерной обработки данных.
Из приведенного рисунка видно что, несмотря на то, что при считывании одной ячейки памяти время доступа к ОЗУ увеличивается, при считывании нескольких соседних ячеек памяти общее быстродействие микросхем синхронного динамического ОЗУ увеличивается.
|
|
|






