На практике часто приходится производить измерения в широком диапазоне. Измерительные приборы, имеют вполне определенную чувствительность, для расширения приделов измерения служат шунты и добавочное сопротивление.
1. Шунты - применяются для расширения диапазона по току. Представляют собой сопротивление, подключенное параллельно измерительному механизму.

IшRш= IпрRпр
Iх= Iш+ Iпр
Iх= nIпр
n – параметр шунтирования.
Шунты до 100 А., могут встречаться в приборах. Более 100 А., изготовляются в виде блока. А на приборе пишут с наружным шунтом.
2. Добавочное сопротивление – применяется для расширения диапазонов пределов измерения по напряжению.

Rдоб - включается всегда последовательно к измерительному прибору.
Rдоб = Rпр(m-1)
m – добавочный коэффициент.
Rдоб – изготавливается до 30 кВ и до частоты 20кГц.
3. Делители напряжения предназначены для понижения напряжения, то есть для расширения диапазона измерения вниз. Они работают, как по постоянному току так и по переменному.
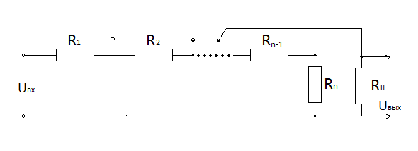
- секционированный делитель



Такие делители применяются до 1 мГц.
Дальше сказывается паразитные L и C.
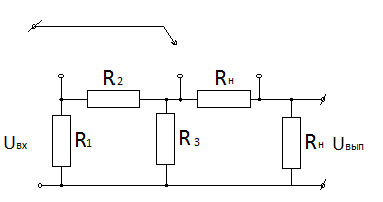
- более широким диапазоном обладают ступенчатые делители

Диапазон до 100 МГц
Можно делители построить на конденсаторе.

Коэффициент деления не зависит от частоты, до нескольких 100 МГц долее начинает вилять паразитное магнитное поле.
Недостатки:
- изменяются входное и выходное сопротивление от частоты.
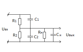
Часто на практике используют комплексные делители

Имеют постоянный коэффициент деления в широком диапазоне
τ = RC
R1C1 = R2C2
Кроме того должно быть выполнено условие C1, C2 > Cn+ Cн
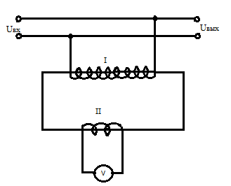
4. Измерительные трансформаторы.
Предназначены для преобразования тока или напряжения и расширяют диапазон измерения.
- измерительный трансформатор тока.

Первичная обмотка имеет меньше число витков, из более толстого провода. Вторичная обмотка рассчит. на БА (режим 1А).
Действительный коэффициент трансформатора зависит от степени режима работы, частоты тока нагрузки. То есть является не постоянной величиной.
KI =I1/I2
На практике при расчетах используют номинальный коэффициент трансформатора. Номинальным режимом работы для трансформатора по току является режим короткого замыкания вторичной обмотки. То есть когда нет измерений, обмотку надо замкнуть, в противном случае будет перегрев сердечника и возможен пробой изоляции. То есть аварийный режим хх.
- Трансформатор напряжения.

Нормальный режим работы – хх.
Аварийный - режим короткого замыкания вторичной обмотки.






