-однополупериодный

V1 - выпрямитель диодный
V2 - защищает V1 от пробоя и выравнивает сопротивление прибора ИП для обеих полуволн
r – внутреннее сопротивление ИП
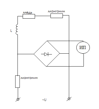
двух полупериодная схема(мостовая)

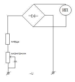
В мостовой схеме на каждом диоде падает напряжение. Поэтому при измерении малых напряжений коэффициент выпрямления будет мал. Следовательно для измерения малых напряжений подходящей будет однополупериод. На практике два диода, в мостовой схеме часто заменяют сопротивлениями, это делается для уменьшения зависимости показаний от температуры.

Однако при этом требуется более чувствительный прибор. Для уменьшения влияния температуры, так же применяют различные добавочные и шунтирующие сопротивления.



В таких схемах уменьшение сопротивления моста с увеличением температуры, компенсируется увеличением добавочного сопротивления. Кроме того выпрямительные приборы имеют частотную погрешность.
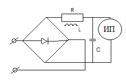
Для уменьшения ее вводят LC. Показания приборов так же зависят от формы сигналов это объясняется тем, что, при выпрямление появления высшие гармоники. С целью уменьшения погрешности от искажений формы кривой применяют параметрическую компенсацию. Т.е фильтрацию высших гармоник.

Положительные
- малая потребление мощности.
- не зависит от внешних магнитных полей.
Применяется для измерение тока и напряжения до 40 кГц.






