Работает в таких АЦП основа на преобразование измеряемого напряжения в импульсы, общее количество которых соответствует величине напряжения.
Применяют три варианта последовательного счета.
1. Метод с промежуточным преобразованием напряжения в интервал времени (время импульсное преобразование).
2. Метод кода импульсного преобразования.
3. Метод с промежуточным преобразованием напряжения в частоту.
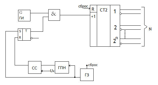
Схема вольтметра с время импульсным преобразованием.

ГЗ – генератор задержки
ГПН – генератор пилообразного напряжения
СС – схема сравнения
ГИ – генератор импульсов

ГЗ включает вентиль и ГПН вентиль, через себя пропускает импульсы с ГИ, который подсчитывает счетный триггер СТ, подсчет заканчивается тогда, когда напряжение пилы будет равно напряжению Ux. Срабатывает СС, триггер переворачивается закрывается вентиль.
4. Методы поразрядного кодирования(метод взвешивания).
Для измерения напряжения используются несколько эталонных напряжений, величины которых отличаются друг от друга.
Уравновешивания входной величины начинается с эталонна максимальной величины. В схеме сравнения производится сравнения входной величины и эталонна, и если эталон больше-то записывается 0 в старшем разряде. Если меньше то 1. Далее подключают двойной эталон и производят аналогичные сравнения. Когда все эталонны переберут процесс закончен.

5. Метод пространственного кодирования.
Данный метод предполагает 2n-1 эталон.
Старший эталон U2n-1= (2n-1)Uкв
U2n-2= (2n-2)Uкв
U= Uкв
Входное напряжение сравнивается со всеми эталонами
Схема вольтметра реализована по методу считывания.

СС – схема сравнения
СД – счетчик с задержкой