Они подразделяются на четыре группы, в зависимости от подаваемого кода.
1. ЦАП параллельного позиционного двоичного кода (ПДК)
2. ЦАП последовательного ПДК
3. ЦАП параллельного отраженного двоичного кода (ОДК)
4. ЦАП единичного параллельного кода
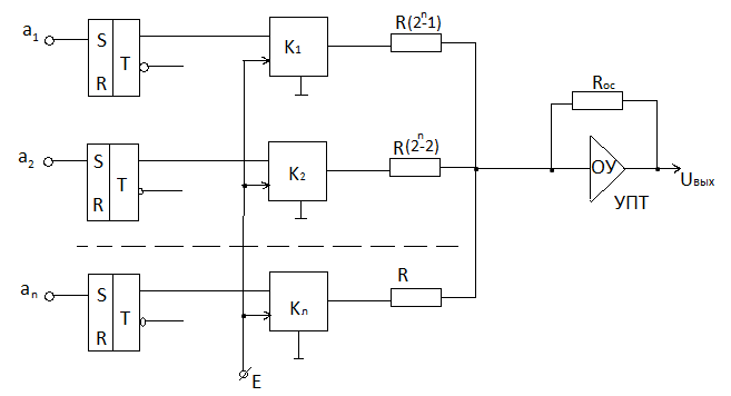
1) ЦАП параллельного ПДК.
Такое устройство чаще реализуется с помощью матрицы весовых коэффициентов.

Ключи работают таким образом, что когда с триггера 0, тогда R на корпусе. Когда 1, то источник E подключается к сопротивлению и выходное напряжение в аналоговом виде будет пропорционально входному каскаду.
Недостаток: Сопротивления разные, трудно подобрать по расчетным значениям.
2) ЦАП последовательного ПДК

ДН - делитель напряжения.
АЗУ – аналоговое запоминающие устройство.
Полный цикл преобразования состоит из n тактов, каждый из которых состоит из двух этапов.
1 этап – производится суммирование напряжения АЗУ с напряжением накопленным в суматоре. Если в разряде 1, то синхронизатор замыкает К1
и ключ К2 в положение 1.
2 этап – производится деление выходного напряжения сумматора на два и передача напряжения в АЗУ, ключ К2 замыкается в положение 2, размыкается К1.
Погрешности ЦИП.
Основные погрешности ЦИП складываются из следующих погрешностей.
1. Погрешность дискретизации по времени и кваднтованию по уравнению погрешности.
2. Погрешность реализации пороговых уровнях.
3. Погрешность из-зи нестабильности порога срабатывания.
Первая погрешность чаще всего методическая (неверно выбран метод)

Погрешность дискретизации.

Измерительные информационные системы

ИП – измерительный прибор
УПИ – устройство представления
УПИ – устройство обработки информации
Х1…..Хn – источники информации.
На вход коммутатора поступают унифицированные сигналы.
1) Аналоговые сигналы:
а) постоянный ток или напряжение, пропорциональные измеряемому параметру.
б) переменный ток, частота, которого пропорциональна измеряемому параметру.
в) переменный ток, фаза которого пропорциональна измеряемой величине.
2) Дискретные сигналы:
а) амплитуда импульсов, изменяется в соответствии с измеряемой величиной.
б) импульсы частота, которых, изменяется в соответствии с измеряемой величиной.
в) длительность импульсов изменяется пропорционально измеряемой величине
3) Цифровые сигналы:
а) равномерные коды (двоичные, позиционные)
б) другие виды кодов (не позиционные)






