1. По назначению
В1- прибор для поверки вольтметра
В2 - вольтметр постоянного тока
В3 – вольтметр переменного тока
В4 – вольтметр импульсного тока
В5 – фазочувствительные вольтметры
В6 – вольтметры селективные
В7 – универсальные
В8 – измерители отношения и разности напряжения
В9 – преобразователи напряжения
2. По типу индуктивности
- стрелочные
- цифровые
- с осциллографическим индикатором
- с печатающим устройством
3. По характеру измеряемого напряжения
- пиковые значения
- действующего значения
- среднего значения
4. По схеме входа относительно постоянной составляющей.
- с открытым входом
- с закрытым входом
Функциональные схемы и принцип действия электронных вольтметров.
1.
Обобщенная функциональная схема.
ВУ – входное устройство
П – преобразователь
И – индикатор
БП – блок питания
Входное устройство – это делители напряжения либо сюда могут входить катодный или эммитерные повторители (для большого Rвх),
Фильтры буферные устройства и т.д.
Преобразователь – если измеряется постоянное напряжение, то ставят УПТ, если переменное напряжение ставят детектор (высокочастотный усилитель) или после (УПТ).
Индикатор – чаще всего это прибор магнитно-электрической системы.
Измерение постоянного напряжения.

УПТ – служит для усиления сигнала до уровня достаточного для получения отклонения указателя стрелочного индикатора.

Применяется для измерения больших напряжений порядка 1В. Измеряемые напряжения преобразуются в постоянное с помощью детектора, а затем фиксируется индикатором.

Для измерения малых напряжений. Схема обладает широким частотным диапазоном до 10 МГц

Узкий диапазон частот, высокая чувствительность.
Недостаток: является уровень собственных шумов.
Универсальные вольтметры.

Основные узлы электронных вольтметров.
- Детектор
Детекторы определяют основные характеристики вольтметров в частности характеристики шкалы.
Классификация:
1) По измеряемому параметру
- Пиковые
- Среднеквадратичные
- Действующего значения
- Средне выпрямленного значения
2) По схеме выхода.
- С открытым входом
- С закрытым входом
3) По характеру детектирования
- Линейные
- Квадратичные
Пиковые детекторы.
Пиковые детекторы – это детекторы напряжения на выходе которого соответствует пиковому (амплитудному) значению входного напряжения.
Схема с открытым входом.


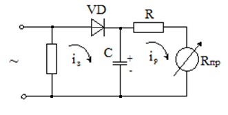
При положительной полуволне протекает ток заряда, емкость заряжается. При отрицательной полуволне диод закрыт и конденсатор медленно разряжается R+Rпр. Сопротивление диода при отрицательной полуволне должно быть не менее R50÷100 МОм
Схема с закрытым входом

Конденсатор заряжается до Umax, постоянная времени разряда велика, поэтому напряжение на емкости практически постоянна. Напряжение на диоде и резисторе получается пульсирующим, поэтому необходимо установить фильтр, который пропускает только постоянную составляющую.
Детектор среднеквадратичного значения.
Преобразователь переменного напряжения в постоянное, причем постоянный ток пропорционален квадрату среднего значения измеряемого напряжения. Такой детектор должен иметь квадратичную характеристику.

Используем диодные ячейки, чтобы получить квадратичную характеристику.


Особенность показания прибора не зависит от формы сигнала, т.е. градуировка прибора не изменяется при подачи разных форм сигнала.
Детектирование средневыпрямленного значения.
Напряжение на выходе пропорционально средневыпрямленному значению входного сигнала.
- зависимость применяется при любой форме измеряемого напряжения. Если на входе сигнал большой величины, то детектирование будет линейным, если малой детектирование будет квадратичным.
Мостовая схема.

Особенности детекторов СВЧ вольтметров.
Хотя детекторы и обладают широким частотным диапазоном. Но на СВЧ появляются погрешности вызванные влиянием подводящих проводов, резонансных явлений во входных цепях и т.д.
Поэтому вольтметры СВЧ имеют конструктивные особенности:
1) Используют пиковые детекторы, как более высокочастотные.
2) Детектор выполняют в виде пробника на выносе.
3) Применяют высокочастотные диоды.
4) Производится экранировка проводников и детектора на уменьшение потерь на излучение.
Особенности импульсных вольтметров.
Для измерения амплитуды импульсов используют пиковые детекторы. Как, правило, в составе есть УПТ, чаще всего вход закрыт.
Например, вольтметр В4-12.
1) Uвх = 0.1мВ …100В
2) τ = 0.1….300мкс
3) Fп =50Гц…100кГц (частота повтора)
4) τ ск = 2…200000 раз (скважность)
5) Rвх = 1мОм
6) Свх = 10пФ
Часто возникает задача измерения одиночных импульсов. Наиболее распространенным явлением методе запоминания входного импульса и создание из него периодического сигнала. Еще используют метод преобразования импульсов напряжения в квазипостоянное. Для этого используют расширители импульсов, которые могут хранить его очень долго. Погрешность 0.06%за секунду.
1. Цифровой вольтметр с двойным интегрированием.


Цикл измерения состоит из двух интервалов в момент появления Т1, К1 замкнут в положение 1 и Ux подается на интегратор, где происходит прямое интегрирование. По окончанию импульса T1 ключ К1 замыкается в положение 2. И на интегратор подается обратное эталонное напряжение по отношению к измеряемому, начинается интегрирование вниз. Когда напряжение равно нулю, срабатывает схема сравнения, триггер возвращается в исходное состояние, К2 размыкается и подсчет импульсов прекращается. Число импульсов m пропорционально Ux.



Цифровые вольтметры с поразрядным кодированием.

Генератор управляющих импульсов открывает фиксирующую схему и напряжение Ux запоминается на время Тизм, это напряжение подается на схему сравнения. Одновременно на счетчик подается 8 импульсов последовательно и код образованный счетчиком подается на вход ДРМ, на выход ДРМ поочередно появляется импульсы, после первого импульса на второй. Длительность этих импульсов равна периоду следования этих импульсов с управляющим генератором. Эти импульсы воздействуют на коммутирующие триггеры т.е. первый импульс открывает первый триггер, а триггер включает первый наибольшей эталон. Это напряжение сравнивается с входным, и если Uэ1< Ux, то СС не срабатывает, и первый триггер остается в единичном состояние. Во втором канале, возникает импульс который открывает второй коммутирующий триггер и включает второй эталон, на выходе источника эталонов мы имеем сумму двух эталонов.
. Такое сравнение происходит до тех пор пока сумма эталонов не будет равна
. Если сумма будет больше то срабатывает СС импульс с выхода СС задерживается и формируется в расширителе, этот импульс открывает схему & и триггер возвращается в ноль. Эталон соответствующий данному триггеру отключается. Таким образом опрашиваются все последующие разряды, по окончанию цикла получаем двоичный код. Погрешность измерения определяется точностью и стабильностью величины ступенек. Погрешность сравнивающего устройства 0.01%. Быстродействие схемы 102 – 104 измерений в секунду.
Генератор измерительных сигналов.
Генератор измерительных сигналов – это экранированный источник сигналов, частота напряжения и форма, которых, заранее известна.
Классификация:
Г1 – установка для поверки генератора.
Г2 – генераторы шумовых сигналов
Г3 – генераторы сигналов, низкочастотные
Г4 – высокочастотные
Г5 – генераторы импульсов
Г6 – генератор сигналов специальной формы
Г8 – генератор качающейся частоты
Основные технические характеристики.
1) Точность – определяется отклонением формы генерируемого сигнала, от идеальной. Определяем коэффициент гармоник.
Кг = 0.3;0.5;1%
Для ВЧ генераторов Кг = 0.05 ÷ 0.015%
2) Диапазон частот – характеризуется коэффициентом перекрытий. 
Для НЧ: Kп=10000
Для ВЧ: Kп=100
Для СВЧ: Kп=1.1 ÷ 2
3) Погрешность устойчивости частоты
; составляет 10-2 -10-3 для обычных генераторов (отсчет по шкале), если используется частотомер, тогда 10-6 -10-8
4) Не стабильность частоты – это случайные измерения частоты генератора из-за измерения внешних условий паразитных L и C, измерения питания, разогрев ламп и т.д. Генераторы с плавной настройкой 10-3 -10-4, с фиксированной 10-6 -10-8.
5) Уровень выходного напряжения - изменяется в широких пределах до 100 дБ. Установка уровня производится с помощью встроенных аттенюаторов.
6) Выходное сопротивление – для НЧ Rвых = 6,60,600,6000 ом.
Для ВЧ генераторов Rвых = 50 -75 Ом
Для СВЧ – волноводные выходы.
Различают: генераторы ультра НЧ (доли герц), генераторы звуковых частот (до 100 кГц), генераторы видеочастот (до10мГц). Генераторы НЧ строят по двум схемам.
1. Прямого генерирования.

ЗГ (задающий генератор) – чаще всего используют RC генератор. Обладают высокими качественными показаниями и простотой на НЧ они более компактны, чем LC генераторы.
2. Генераторы на биениях.

f1 ÷ f2+Fmax
Два генератора суммируют свои сигналы в смесители, на выходе, которого, получается суммарная частота. Суммарная отфильтровывается. Разностная усиливается и подается на выход.
Недостатки:
- Требуется высокая стабильность генератора.
- Требуется калибровка перед началом работы, так как, частота уходит.
Генераторы импульсных сигналов.
Обеспечивают на выходе импульсный сигнал с гарантированными или контролируемые параметрами.
Вырабатываемые импульсы могут иметь разную форму:
1) Прямоугольная
2) Треугольная
3) Колоколообразные
4) Косинус-квадратные
По длительности:
1) Наносекундные
2) Микросекундные
3) Миллисекундные
По количеству каналов:
1) Одноканальные
2) Многоканальные (2,3,5)
В одноканальных, нет разделительной регулировки параметров импульсов. В многоканальных имеется несколько импульсов с независимыми регулировками длительности, амплитуды и полярности.
Все генераторы импульсных сигналов делятся на четыре группы:
1. С точной калибровкой амплитуды.
2. С точной калибровкой длительности и временных сдвигов.
3. С точной калибровкой частоты следования.
4. Универсальные с точной калибровкой всех параметров.

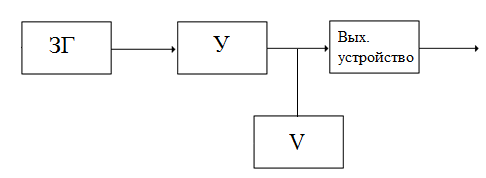
Задающий генератор может быть RC или LC, частота этого генератора задает частоту импульсов на выходе. БВI формирует из синусов короткие импульсы, амплитуда которых достаточна для запуска последнего устройства. Эти же амплитуды используются для синхронизации осциллографа. Блок задержки – назначение задержать импульсы на определенное время, это необходимо для просмотра фронта импульса. Так как синхронизация будет опережать импульс на выходе. БФII формирует импульс нужной формы и длительности. Выходной каскад обычно резистивный усилитель с большой крутизной. Для получения импульсов малой амплитуды служит аттенюатор. Коэффициент ослабления которого 10n (n=1,2,3). Измерительный блок – это пиковые вольтметры. Генератор импульсных сигналов чаще в качестве индикаторов используют осциллографический выход.






