Компактные интеллектуальные реле отвечают всем необходимым требованиям по применению в простых системах автоматизации и разделяются по величине и виду напряжению питания, количеству входов и выходов, наличию аналоговых входов. Выпускаются модели с дисплеем и часами, с дисплеем без часов, без дисплея с часами и без дисплея и часов.
Количество входов и выходов:
- 12 или 20 входов и выходов у реле с питанием ~ 24 В или = 12 В;
- 10, 12 или 20 входов и выходов у реле с питанием ~ 100÷240 В или = 24 В.
Основные характеристики компактных интеллектуальных реле с питанием переменным током приведены в таблице 5.10.
Таблица 5.10. Характеристики компактных реле переменного тока
| Наименование | Значение | ||||
| Напряжение питания | ~ 24 В | ~ 100÷240 В | |||
| Количество входов и выходов | |||||
| Количество дискретных входов | |||||
| Количество релейных выходов |
Основные характеристики компактных интеллектуальных реле с питанием постоянным и пульсирующим током приведены в таблице 5.11.
Таблица 5.11. Характеристики компактных реле постоянного тока
| Наименование | Значение | ||||
| Напряжение питания | = 12 В | = 24 В | |||
| Количество входов/выходов | |||||
| Количество дискретных входов (в том числе аналоговых) | 8 (4) | 12 (6) | 6 (0) | 8 (4) | 12 (2); 12 (6) |
| Количество релейных/транзисторных выходов | 4/0; | 8/0 | 4/0; | 4/0; 0/4 | 8/0; 0/8 |
Модульные интеллектуальные реле подразделяются по тем же техническим характеристикам, что и компактные.
Количество входов /выходов модульных интеллектуальных реле следующее:
- 26 входов и выходов у реле с питанием = 12 В;
- 10; 26 входов и выходов у реле с питанием = 24 В и ~ 24 В и ~100÷240 В.
Основным отличием модульных интеллектуальных реле Zelio Logic является возможность оснащения дополнительными коммуникационными модулями и модулями расширения входов и выходов, что повышает эксплуатационную гибкость и технические возможности. Максимальное количество входов и выходов при этом может достигать 40. В качестве модулей расширения используются:
- коммуникационные модули Modbus или Ethernet;
- аналоговые модули расширения с 4 входами и выходами;
- дискретные модули расширения с 6, 10, 14 входами и выходами.
Основные технические характеристики модульных интеллектуальных реле с питанием переменным током приведены в таблице 5.12.
Таблица 5.12. Характеристики модульных реле переменного тока
| Наименование | Значение | |||
| Напряжение питания | ~ 24 В | ~ 100...240 В | ||
| Количество входов и выходов | ||||
| Количество дискретных входов | ||||
| Количество релейных выходов |
Характеристики поддерживаемых дискретных модулей расширения входов и выходов для реле переменного тока представлены в таблице 5.13.
Таблица 5.13. Дискретные модули расширения входов/выходов для реле переменного тока
| Наименование | Количество | ||
| Количество входов/выходов | |||
| Количество входов | |||
| Количество релейных выходов |
Основные технические характеристики модульных интеллектуальных реле с питанием постоянным и пульсирующим током приведены в таблице 5.14.
Таблица 5.14. Модульные интеллектуальные реле постоянного тока
| Наименование | Значение | ||
| Напряжение питания | = 12 В | = 24 В | |
| Количество входов и выходов | |||
| Количество дискретных входов (в том числе аналоговых) | 16 (6) | 6 (4) | 16 (6) |
| Количество релейных/транзисторных выходов | 10/0 | 4/0; 0/4 | 10/0; 0/10 |
Основные технические характеристики дискретных модулей расширения входов и выходов для реле постоянного тока 12 В приведены в таблице 5.15.
Таблица 5.15. Дискретные модули расширения входов и выходов для реле = 12 В
| Количество входов/выходов | |||
| Количество дискретных входов | |||
| Количество релейных выходов |
Основные технические характеристики модулей расширения входов и выходов для реле = 24 В приведены в таблице 5.16.
Таблица 5.16. Модули расширения входов и выходов для реле = 24 В
| Наименование | Аналоговый | Дискретный | ||
| Количество входов/выходов | ||||
| Количество дискретных входов (аналоговых) | 0 (2) | 4 (0) | 6 (0) | 8 (0) |
| Количество релейных выходов (аналоговых) | 0 (2) | 2 (0) | 4 (0) | 6 (0) |
5.3.2. Общие технические характеристики реле Zelio Logic
Перечень функциональных блоков интеллектуального реле Zelio Logic приведен в табл. 5.17.
Таблица 5.17. Функциональные блоки интеллектуального реле Zelio Logic
| Наименование | Кол. |
| Текст | |
| Выдержка времени от 1/10 с до 9999 час. 11 типов | |
| Счетчики прямого и обратного счета от 0 до 32767 | |
| Быстрый счетчик до 1 кГц | |
| Аналоговый компаратор | |
| Четырехканальные часы | |
| Реле управления | |
| Компаратор счетчика | |
| Блок сообщений с коммуникационным интерфейсом |
Кроме вышеперечисленных функциональных блоков интеллектуального реле обеспечивает программируемую подсветку ЖК-дисплея, автоматический переход на зимнее и летнее время, прочие функции: катушка, блокировка сброс и установка (Set / Reset), бистабильное реле.
Объем программы и временные характеристики приведены в табл. 5.18.
Таблица 5.18. Характеристики обработки данных
| Наименование | Значение |
| Объем программы LADDER, строк | |
| Объем программы FBD, блоков | |
| Продолжительность цикла, мс | 6÷90 |
| Скорость отклика, мс | время обработки введенных данных + продолжительность 1 - 2 циклов |
| Проверка памяти | при включении питания |
| Погрешность хода часов | 12 мин/год (0÷55 °C) 6 с/месяц (при 25 °C с калибровкой) |
| Погрешность блока таймера | 1% ± 2 цикла |
Технические характеристики дискретных и аналоговых входов-выходов интеллектуальных реле Zelio Logic приведены в таблицах 5.19 – 5.26. Релейные выходы интеллектуальных реле любого напряжения питания имеют одинаковые технические характеристики.
Таблица 5.19. Характеристики дискретных входов реле ~ 24 В
| Параметр | Значение |
| Напряжение, В | |
| Ток, мА | 4,4 |
| Частота, Гц | 47...53 и 57...63 |
| Скорость отклика, язык LADDER, мс | |
| Изоляция между источником питания и входами, между входами | Нет |
Таблица 5.20. Характеристики дискретных входов реле ~ 100...240 В
| Параметр | Значение |
| Напряжение, В | ~ 100÷240 |
| Ток, мА | 0,6 |
| Частота, Гц | 47...53 и 57...63 |
| Скорость отклика, язык LADDER, мс | |
| Изоляция между источником питания и входами, между входами | Нет |
Таблица 5.21. Характеристики дискретных входов реле =12 В
| Параметр | Значение |
| Напряжение, В | = 12 |
| Ток, мА | |
| Тип входа | Резистивный |
| Изоляция между источником питания и входами, между входами | Нет |
| Максимальная частота счета, кГц |
Таблица 5.22. Характеристики дискретных входов реле = 24 В
| Параметр | Значение |
| Напряжение, В | = 24 |
| Ток, мА | |
| Тип входа | Резистивный |
| Изоляция между источником питания и входами, между входами | Нет |
| Максимальная частота счета, кГц |
Таблица 5.23. Характеристики аналоговых входов реле = 12 В
| Наименование | Значение | |
| Диапазон входных напряжений, В | = 0÷10 или = 0÷12 | |
| Максимальное неразрушающее напряжение, В | = 14,4 | |
| Значение младшего значащего бита (LSB), мВ | ||
| Разрешение преобразования, бит | ||
| Скорость преобразования, циклов | ||
| Точность преобразования, % | при 25 °C | ± 5 |
| при 55 °C | ± 6,2 | |
| Повторяемость при 55 °C, % | ± 2 | |
| Изоляция между аналоговым каналом и питанием | Нет | |
| Максимальная протяженность кабеля, м |
Таблица 5.24. Характеристики аналоговых входов реле = 24 В
| Наименование | Значение | |
| Диапазон входных напряжений, В | = 0÷10 или = 0÷24 | |
| Максимальное неразрушающее напряжение, В | = 30 | |
| Значение младшего значащего бита (LSB), мВ | ||
| Разрешение преобразования, бит | ||
| Скорость преобразования, циклов | ||
| Точность преобразования, % | при 25 °C | ± 5 |
| при 55 °C | ± 6,2 | |
| Повторяемость при 55 °C, % | ± 2 | |
| Изоляция между аналоговым каналом и питанием | Нет | |
| Максимальная протяженность кабеля, м |
Таблица 5.25. Характеристики релейных выходов интеллектуальных реле
| Наименование | Значение | |
| Предельное рабочее напряжение, В | =5...30; ~24...250 | |
| Тип контакта | НО | |
| Коммутируемый ток, A | 5 или 8 | |
| Минимальный ток коммутации, мА | ||
| Максимальная частота коммутации рабочего тока, Гц | 0,1 | |
| Скорость отклика, мс | Включение | |
| Выключение |
Таблица 5.26. Характеристики статических выходов реле = 24 В
| Предельное рабочее напряжение, В | =19,2÷30 | |
| Номинальное напряжение, В | = 24 | |
| Номинальный ток, A | 0,5 | |
| Максимальный ток при 30 В, A | 0,625 | |
| Скорость отклика, мс | Включение | ≤1 |
| Выключение | ≤1 | |
| Встроенная защита от перегрузки и короткого замыкания, от перенапряжения, от инверсии питания | Да |
Подключение интеллектуальных реле к напряжению питания постоянного тока показано на рис. 5.1.
а) | б) |
| Рис.5.1. Подключение интеллектуальных реле к напряжению питания постоянного тока а) релейные выходы; б) транзисторные выходы |
На рисунке обозначено: 1 – быстродействующий предохранитель 1 A или автоматический выключатель; 2 – предохранитель или автоматический выключатель; 3 – цепи защиты применяемые при питании нагрузки переменным током.
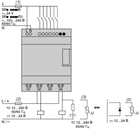
Подключение интеллектуальных реле к напряжению питания переменного тока показано на рис. 5.2. Обозначения на рисунке соответствуют обозначениям на рис. 5.1.
Увеличение функциональных возможностей модульных интеллектуальных реле Zelio Logic достигается использовать с аналоговыми модулями расширения входов и выходов с 10-битным разрешением. Вид и диапазон принимаемых сигналов: напряжение 0÷10 В, ток 0÷20 мА и сигнал термометра сопротивления типа Pt100.
При использовании модульного интеллектуального реле Zelio Logic с напряжением питания 24 В совместно с аналоговым модулем расширения на 4 входа-выхода максимальное число входов-выходов достигает 30, включая 8 аналоговых входов и 2 аналоговых выхода.
Аналоговый модуль расширения входов-выходов подключается к модульному интеллектуальному реле, с напряжением питания 24 В. Характеристики аналоговых входов модулей расширения приведены в табл. 5.27, входы обозначены IH, IJ и Pt.

Рис. 5.2. Подключение интеллектуальных реле к напряжению питания переменного тока
Таблица 5.27. Характеристики аналоговых входов модулей расширения
| Наименование | Значение | ||
| Тип сигнала | = 0÷10 В | =0÷20 мА | Pt100 |
| Диапазон входного сигнала | =0÷10 В | = 0÷20 мА | - 25 °C÷125 °C |
| Максимальное неразрушающее напряжение и ток | = 30 В | = 30 мА | – |
| Значение младшего значащего бита (LSB) | 9,8 мВ | 20 мА | 0,15 °C |
| Разрешение, бит | |||
| Скорость преобразования, циклов | |||
| Точность при 25÷55 °C | ± 1 % | ± 1,5 °C | |
| Повторяемость при 25 °C | < ± 1 % | < ± 0,3 °C | |
| Максимальная длина кабеля, м |
Характеристики аналоговых выходов модулей расширения приведены в табл. 5.28, выходы обозначены: QB, QC.
Таблица 5.28. Характеристики аналоговых выходов модулей расширения
| Наименование | Значение |
| Диапазон выходного сигнала, В | = 0÷10 |
| Тип нагрузки | Резистивная |
| Максимальная нагрузка, мА | |
| Значение LSB, мВ | 9,8 |
| Разрешение, бит | |
| Скорость преобразователя, циклов | |
| Точность при 25÷55 °C, % | ± 1 |
| Повторяемость при 25 °C, % | < ± 1 |
| Изоляция между аналоговым каналом и питанием | Нет |
| Максимальная длина кабеля, м | |
| Защита от короткого замыкания | Да |
Пример подключения сигналов 0÷10 В и Pt100 к одному модулю входов-выходов интеллектуального реле показан на рис. 5.3.

Рис. 5.3. Схема подключения сигналов 0÷10 В и Pt100 к модулю входов-выходов
Пример подключения сигналов 0÷20 мА и 0÷10 В входом к одному модулю входов-выходов интеллектуального реле показан на рис. 5.4.

Рис. 5.4. Схема подключения сигналов 0÷20 мА и 0÷10 В к модулю входов-выходов
5.3.3. Преобразователи Zelio Analog
Преобразователи серии Zelio Analog предназначены для преобразования выходных сигналов датчиков или электроизмерительных приборов в унифицорванные электрические сигналы, совместимые с системами автоматизации и контроллерами.
Преобразователи позволяют располагать датчики и устройства сбора данных на большем удалении друг от друга, например, термопару и программируемый контроллер.
Преобразователи серии Zelio Analog делятся на четыре типа:
- преобразователи для термопар J -типа и K -типа;
- преобразователи для зондов Pt100 универсальной серии;
- преобразователи для зондов Pt100 оптимальной серии;
- преобразователи напряжение-ток универсальной серии.
Преобразователи для термопар имеют компенсацию холодного спая.
Сигналы преобразователей для термопар:
- на входе сигнал термо-ЭДС соответствующий диапазону температур
· термопара типа J – 0÷150 °C, 0÷300 °C, 0÷600 °C;
· термопара типа K – 0÷600 °C, 0÷1200 °C.
- на выходе унифицированный переключаемый сигнал
· 0÷10 В, 0÷20 мА, 4÷20 мА.
Преобразователи для термометра сопротивления Pt100 универсальной серии имеют:
- на входе сигнал с термометра сопротивления соответствующий диапазону температур:
· – 100÷ +100 °C,
· – 40÷ +40 °C,
· 0÷100 °C,
· 0÷250 °C,
· 0÷500 °C.
- на выходе унифицированный переключаемый сигнал:
· 0÷10 В, 0÷20 мА, 4÷20 мА.
Подключение термосопротивлений производится по 2-х, 3-х и 4-проводной схеме.
Преобразователи для термометра сопротивления Pt100 оптимальной серии, построенные на базе предыдущего семейства, имеют:
- на входе сигнал с термометра сопротивления соответствующий тому же диапазону температур, как у преобразователей универсальной серии;
- на выходе унифицированный сигнал напряжения 0÷10 В.
Схемы подключения аналогичны.
Преобразователи напряжение в ток и наоборот позволяют адаптировать входные электрические величины к системам автоматизации.
Существует четыре модели:
- экономичный преобразователь, способный преобразовывать сигнал 0÷10 В в сигнал 4÷20мА и наоборот;
- преобразователь напряжение-ток универсальной серии, рассчитан на наиболее распространенные сигналы. У таких преобразователей:
на входе напряжение 0÷10 В, ± 10 В или ток 0÷20 мА, 4÷20 мА.
на выходе переключаемый диапазон напряжения 0÷10 В, ± 10 В или тока 0÷20 мА, 4÷20 мА.
- два преобразователя напряжение-ток универсальной серии, обеспечивающие преобразование электрических сигналов в расширенном диапазоне, как переменного, так и постоянного тока. Они имеют, в зависимости от модели:
на входе переменное или постоянное напряжения от 0 до 500 В;
на выходе переключаемый диапазон напряжение 0÷10 В или ток 0÷20 мА, 4÷20 мА;
на входе переменный или постоянный ток в диапазоне от 0 до 15 A;
на выходе напряжение 0÷10 В или ток 0÷20 мА, 4÷20 мА.
5.3.4. Средства коммуникации интеллектуальных реле Zelio Logic
Для обеспечения связи с другим высокотехнологичным оборудованием интеллектуальные реле Zelio Logic оснащены интерфейсами связи нескольких типов.
Компактные и модульные интеллектуальные реле имеют один последовательный порт RS -232 для подключения к компьютеру, отсек картриджа памяти или коммуникационный модемный интерфейс.
К модульным реле Zelio Logic может подключаться один из коммуникационных модулей расширения:
один последовательный порт RS -485 Modbus;
один порт Ethernet 10/100 Base T с поддержкой протокола Modbus TCP.
Наличие трех портов позволяет компактным и модульным интеллектуальным реле Zelio Logic использовать три протокола связи:
протокол программирования;
протокол Modbus;
протокол Ethernet.
Порты связи, которыми оснащены интеллектуальные реле Zelio Logic, представлены в таблице 5.29.
Таблица 5.29. Характеристики портов связи
| Порт связи | Последовательный порт | Modbus | Ethernet | Модемная связь |
| Физический уровень | RS -232 | RS -485 | 10/100 Base T | RS -232 |
| Разъем | Собственный Zelio | RJ 45 | RJ 45 | Собственный Zelio |
| Компактные реле | Всех типов | – | Все модули с часами | |
| Модульные реле | Всех типов | Модули с питанием =24 В | Всех типов |
Параметры последовательного соединения приведены в таблице 5.30.
Таблица 5.30. Технические характеристики последовательного соединения
| Тип реле | Все интеллектуальные реле Zelio Logic |
| Скорость передачи данных | 115,2 кбит/с |
| Биты данных | |
| Стоповые биты | |
| Контроль четности | Четность |
| Физический уровень | RS -232 |
| Тип разъема | Фирменный Zelio Logic |
а)
б) 





