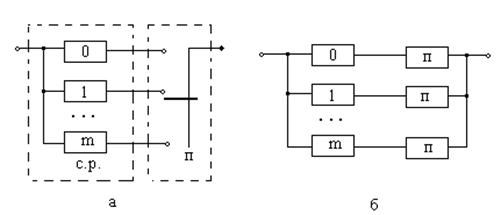
Переключатель общий (рис.16,а). Переключатель соединен последовательно с резервной системой, т.е. его отказ приводит к отказу системы с резервом.

Рис.16. Переключатели в резервированной системе:
а – общий; б – индивидуальный.
Исследования показывают, что для дублированной системы (m=1) с общим переключателем может быть получен проигрыш в надежности по средней наработке до отказа по сравнению с одной системой:
· в случае нагруженного резерва при Кп > 0.412,
· для ненагруженного при К п> 0.618,
где Kп = Λп/Λ – коэффициент надежности переключателя.
Переключатели индивидуальные (рис.16,б). Каждая из подсистем имеет индивидуальный переключатель, отказ которого приводит к отказу соответствующей подсистемы.
Проигрыш в надежности может быть получен в дублированных системах (m=1) с индивидуальными переключателями:
· при нагруженном резерве, если Кп > 0.5,
· при ненагруженном резерве, если Кп > 0.707.
Таким образом, для повышения надежности системы с резервом необходимо стремиться уменьшать Кп, т.е. повышать надежность переключателя.
Какой из рассмотренных способов лучше?






