Важнейшими метрологическими характеристиками преобразователей являются: номинальная статическая характеристика преобразования, чувствительность, основная погрешность, дополнительные погрешности, или функции влияния, вариация выходного сигнала, выходное полное сопротивление, динамические характеристики и т. д.
К важнейшим неметрологическим характеристикам относят габариты, массу, удобство монтажа и обслуживания, взрывобезопасность, устойчивость к механическим, тепловым, электрическим и другим перегрузкам, надежность, стоимость изготовления и эксплуатации и т. п.
В зависимости от вида выходного сигнала все измерительные преобразователи делят на параметрические и генераторные. Их классифицируют также по принципу действия. Ниже рассматриваются только измерительные преобразователи, получившие наибольшее применение.
13.1 Параметрические измерительные преобразователи
Общие сведения. В параметрических преобразователях выходной величиной является параметр электрической цепи (R, L, М, С). При использовании параметрических преобразователей необходим дополнительный источник питания, энергия которого используется для образования выходного сигнала преобразователя.
Реостатные преобразователи. Реостатные преобразователи основаны на изменении электрического сопротивления проводника под влиянием входной величины — перемещения. Реостатный преобразователь представляет собой реостат, щетка (подвижный контакт) которого перемещается под воздействием измеряемой неэлектрической величины. На рис. 11-5 схематически показаны некоторые варианты конструкций реостатных преобразователей для углового (рис. 11-5, а) и линейного (рис. 11-5, б и в) перемещений. Преобразователь состоит из обмотки, нанесенной на каркас, и щетки. Для изготовления каркасов применяются диэлектрики и металлы. Проволоку для обмотки выполняют из сплавов (сплав платины с иридием, константан, нихром и фехраль). Для обмотки обычно используют изолированный провод. После изготовления обмотки изоляцию провода счищают в местах соприкосновения его со щеткой. Щетку преобразователя выполняют либо из проволок, либо из плоских пружинящих полосок, причем ис пользуют как чистые металлы (платина, серебро), так и сплавы (платина с иридием, фосфористая бронза и т. д.).

Рис. 11-5. Реостатные преобразователи для угловых (а), линейных (б) перемещений и для функционального преобразования линейных перемещений (в)
Габариты преобразователя определяются значением измеряемого перемещения, сопротивлением обмотки и мощностью, выделяемой в обмотке.
Для получения нелинейной функции преобразования применяют функциональные реостатные преобразователи. Нужный характер преобразования часто достигается профилированием каркаса преобразователя (рис. 11-5, в).
В рассматриваемых реостатных преобразователях статическая характеристика преобразования имеет ступенчатый характер, так как сопротивление изменяется скачками, равными сопротивлению одного витка, что вызывает погрешность. Иногда применяют реохордные преобразователи, в которых щетка скользит вдоль оси проволоки. У этих преобразователей отсутствует указанная погрешность. Реостатные преобразователи включают в измерительные цепи в виде равновесных и неравновесных мостов, делителей напряжения и т. п.
К достоинствам преобразователей относится возможность получения высокой точности преобразования, значительных по уровню выходных сигналов и относительная простота конструкции. Недостатки — наличие скользящего контакта, необходимость относительно больших его перемещений, а иногда и значительного усилия для перемещения.
Применяют реостатные преобразователи для преобразования сравнительно больших перемещений и других неэлектрических величин (усилия, давления и т. п.), которые могут быть преобразованы в перемещение.
Тензочувствительные преобразователи (тензорезисторы). В основу работы преобразователей положен тензоэффект, заключающийся в изменении активного сопротивления проводника (полупроводника) под действием вызываемого в нем механического напряжения и деформации.

Рис. 11-6. Тензочувствительный проволочный преобразователь
Если проволоку подвергнуть механическому воздействию, например растяжению, то сопротивление ее изменится. Изменение сопротивления проволоки при механическом воздействии на нее объясняется изменением геометрических размеров (длины, диаметра) и удельного сопротивления материала.
Тензочувствительные преобразователи, широко применяемые в настоящее время (рис. 11-6), представляют собой тонкую зигзагообразно уложенную и приклеенную к полоске бумаги (подложке /) проволоку 2 (проволочную решетку). Преобразователь включают в цепь с помощью привариваемых или припаиваемых выводов 3. Преобразователь наклеивают на поверхность исследуемой детали так, чтобы направление ожидаемой деформации совпадало с продольной осью проволочной решетки.
Для изготовления преобразователей применяют главным образом константановую проволоку диаметром 0,02—0,05 мм (S = = 1,9 — 2,1). Константан обладает малым температурным коэффициентом электрического сопротивления, что очень важно, так как изменение сопротивления преобразователей при деформациях, например, стальных деталей соизмеримо с изменением сопротивления преобразователя при изменении температуры. В качестве подложки используют тонкую (0,03—0,05 мм) бумагу, а также пленку лака или клея, а при высоких температурах — слой цемента.
Применяют также фольговые преобразователи, у которых вместо проволоки используется фольга и пленочные тензорезисторы, получаемые путем возгонки тензочувствительного материала с последующим осаждением его на подложку.
Для наклеивания проволоки на подложку и всего преобразователя на деталь применяют клеи (раствор целлулоида в ацетоне, клей БФ-2, БФ-4, бакелитовый и т. д.). Для высоких температур (выше 200 °С) используют жаростойкие цементы, кремнийорганические лаки и клеи и т. п.
Преобразователи выполняют различных размеров в зависимости от назначения. Наиболее часто используют преобразовате ли с длиной решетки (базой) от 5 до 50 мм, имеющие сопротивление 30—500 Ом.
Изменение температуры вызывает изменение характеристики преобразования тензорезисторов, что объясняется температурной зависимостью сопротивления преобразователя и различием температурных коэффициентов линейного расширения материала тензорезистора и исследуемой детали. Влияние температуры устраняется обычно путем применения соответствующих методов температурной компенсации.
Наклеенный тензочувствительный преобразователь невозможно снять с одной детали и наклеить на другую. Поэтому для определения характеристик преобразования (коэффициента S) прибегают к выборочной градуировке преобразователей, что дает значение коэффициента S с погрешностью ±1 %. Методы определения характеристик тензорезисторов регламентированы стандартом. Достоинства этих преобразователей — линейность статической характеристики преобразования, малые габариты и масса, простота конструкции. Недостатком их является малая чувствительность.
В тех случаях когда требуется высокая чувствительность, находят применение тензочувствительные преобразователи, выполненные в виде полосок из полупроводникового материала. Коэффициент S у таких преобразователей достигает нескольких сотен. Однако воспроизводимость характеристик полупроводниковых преобразователей плохая. В настоящее время серийно выпускают интегральные полупроводниковые тензорезисторы, образующие мост или полумост с элементами термокомпенсации.
В качестве измерительных цепей для тензорезисторов используют равновесные и неравновесные мосты. Тензорезисторы применяют для измерения деформаций и других неэлектрических величин: усилий, давлений, моментов и т. п.
Термочувствительные преобразователи (терморезисторы). Принцип действия преобразователей основан на зависимости электрического сопротивления проводников или пвлупроводников от температуры.
Между терморезистором и исследуемой средой в процессе измерения происходит теплообмен. Так как терморезистор при этом включен в электрическую цепь, с помощью которой производят измерение его сопротивления, то по нему протекает ток, выделяющий в нем теплоту. Теплообмен терморезистора со средой происходит из-за теплопроводности среды и конвекции в ней, теплопроводности самого терморезистора и арматуры, к которой он крепится, и, наконец, из-за излучения. Интенсивность теплообмена, а следовательно, и температура терморезистора зависят от его геометрических размеров и формы, от конструкции защитной арматуры, от состава, плотности, теплопроводности, вязкости и других физических свойств газовой или жидкой среды, окружающей терморезистор, а также от температуры и скорости перемещения среды.

Рис. 11-7. Устройство (а) и внешний вид арматуры (б) платинового терморезистора
Таким образом, зависимость температуры, а следовательно, и сопротивления терморезистора от перечисленных выше факторов может быть использована для измерения различных неэлектрических величин, характеризующих газовую или жидкую среду. При конструировании преобразователя стремятся к тому, чтобы теплообмен терморезистора со средой в основном определялся измеряемой неэлектрической величиной.
По режиму работы терморезисторы бывают перегревные и без преднамеренного перегрева. В преобразователях без перегрева ток, проходящий через терморезистор, практически не вызывает перегрева, и температуру последнего определяет температура среды; эти преобразователи применяют для измерения температуры. В перегревных преобразователях электрический ток вызывает перегрев, зависящий от свойств среды. Перегревные преобразователи используют для измерения скорости, плотности, состава среды и т. д. Так как на перегревные терморезисторы влияет температура среды, обычно применяют схемные методы компенсации этого влияния.
Для измерения температуры наиболее распространены терморезисторы, выполненные из платиновой или медной проволоки.
Стандартные платиновые терморезисторы применяют для измерения температуры в диапазоне от —260 до + 1100°С, медные — в диапазоне от — 200 до +200 °С (ГОСТ 6651— 78). Низ котемпературные платиновые терморезисторы (ГОСТ 12877—76) применяют для измерения температуры в пределах от —261 до — 183 °С.
На рис. 11-7, а показано устройство платинового терморезистора. В каналах керамической трубки 2 расположены две (или четыре) секции спирали 3 из платиновой проволоки, соединенные между собой последовательно. К концам спирали припаивают выводы 4, используемые для включения терморезистора в измерительную цепь. Крепление выводов и герметизацию керамической трубки производят глазурью /. Каналы трубки засыпают порошком безводного оксида алюминия, выполняющим роль изолятора и фиксатора спирали. Порошок безводного оксида алюминия, имеющий высокую теплопроводность и малую теплоемкость, обеспечивает хорошую передачу теплоты и малую инерционность терморезистора. Для защиты терморезистора от механических и химических воздействий внешней среды его помещают в защитную арматуру (рис. 11-7, б) из нержавеющей стали.
Начальные сопротивления (при О °С) платиновых стандартных терморезисторов равны 1, 5, 10, 46, 50, 100 и 500 Ом, медных — 10, 50, 53 и 100 Ом.
Допустимое значение тока, протекающего по терморезистору при включении его в измерительную цепь, должно быть таким, чтобы изменение сопротивления терморезистора при нагреве не превышало 0,1 % начального сопротивления.
Статические характеристики преобразования в виде таблиц (градуировочных) и допускаемые отклонения этих характеристик для стандартных терморезисторов приведены в ГОСТ 6651—78.
Помимо платины и меди, иногда для изготовления терморезисторов используют никель.
Для измерения температуры применяют также полупроводниковые терморезисторы (термисторы) различных типов, которые характеризуются большей чувствительностью (ТКС терми-
сторов отрицательный и при 20 °С в 10—15 раз превышает ТКС меди и платины) и имеют более высокие сопротивления (до 1 МОм) при весьма малых размерах. Недостаток термисторов — плохая воспроизводимость и нелинейность характеристики преобразования:

где rt и Ro — сопротивления термистора при температурах Т и То; То — начальная температура рабочего диапазона; В — коэффициент.
Термисторы используют в диапазоне температур от —60 до + 120°С.
Для измерения температуры от —80 до -f- 150 °С применяют термодиоды и термотранзисторы, у которых под действием температуры изменяется сопротивление р — я-перехода и падение напряжения на этом переходе. Чувствительность термотранзистора по напряжению 1,5—2,0 мВ/К, что значительно превышает чувствительность стандартных термопар (см. табл. 11-1). Эти преобразователи обычно включают в мостовые цепи и цепи в виде делителей напряжения.
Достоинствами термодиодов и термотранзисторов являются высокая чувствительность, малые размеры и малая инерционность, высокая надежность и дешевизна; недостатками — узкий температурный диапазон и плохая воспроизводимость статической характеристики преобразования. Влияние последнего недостатка уменьшают применением специальных цепей.
Тепловую инерционность стандартных терморезисторов согласно ГОСТ 6651—78 характеризуют показателем тепловой инерции в^, определяемым как время, необходимое для того, чтобы при внесении преобразователя в среду с постоянной температурой разность температур среды и любой точки внесенного в нее преобразователя стала равной 0,37 того значения, которое она имела в момент наступления регулярного теплового режима. Показатель тепловой инерции определяют по той части кривой переходного теплового процесса преобразователя, которая соответствует регулярному режиму, т. е. имеет экспоненциальный характер (в полулогарифмическом масштабе — прямая линия). Значение е^ для различных типов стандартных преобразователей находится в пределах от нескольких десятков секунд до нескольких минут.
Когда необходимы малоинерционные терморезисторы, для их изготовления используют очень тонкий провод (микропровод) или применяют термисторы малого объема (бусинковые) или термотранзисторы.

Рис. 11-8. Преобразователь газоанализатора, основанный на принципе измерения теплопроводности

Рс. 11-9. Зависимость теплопроводности газа от давления
Терморезисторы применяют в приборах для анализа газовых смесей. Многие газовые смеси отличаются друг от друга и от воздуха теплопроводностью.
В приборах для газового анализа — газоанализаторах — для измерения теплопроводности используют перегревный платиновый терморезистор (рис. 11-8), помещенный в камеру 2 с анализируемым газом. Конструкция терморезистора, арматуры и камеры, а также значение нагревающего тока выбирают такими, чтобы теплообмен со средой осуществлялся в основном за счет теплопроводности газовой среды.
Для исключения влияния внешней температуры, кроме рабочей, используют компенсационную камеру с терморезистсром, заполненную постоянным по составу газом. Обе камеры выполняют в виде единого блока, что обеспечивает камерам одинаковые температурные условия. Рабочий и компенсационный терморезисторы при измерениях включают в соседние плечи моста, что приводит к компенсации влияния температуры.
Терморезисторы применяют в приборах для измерения степени разреженности. На рис. 11-9 показана зависимость теплопроводности газа, находящегося между телами А и Б, от его давления.
Таким образом, теплопроводность газа становится зависимой от числа молекул в единице объема, т. е. от давления (степени разреженности). Зависимость теплопроводности газа от давления используют в вакуумметрах — приборах для измерения степени разреженности.
Для измерения теплопроводности в вакуумметрах используют металлические (платиновые) и полупроводниковые терморезисторы, помещаемые в стеклянный или металлический баллон, который соединяют с контролируемой средой.
Терморезисторы применяют в приборах для измерения скорости газового потока — термоанемометрах. Установившаяся температура перегревного терморезистора, помещенного на пути газового потока, зависит от скорости потока. В этом случае основным путем теплообмена терморезистора со средой будет конвекция (принудительная). Изменение сопротивления терморезистора вследствие уноса теплоты с его поверхности движущейся средой функционально связано со скоростью среды.
Конструкцию и тип терморезистора, арматуру и нагревающий терморезистор ток выбирают такими, чтобы были снижены или исключены все пути теплообмена, кроме конвективного.
Достоинствами термоанемометров являются высокая чувствительность и быстродействие. Эти приборы позволяют измерять скорости от 1 до 100—200 м/с при использовании измерительной цепи, с помощью которой температура терморезистора автоматически поддерживается почти неизменной.
Электролитические преобразователи. Электролитические преобразователи основаны на зависимости электрического сопротивления раствора электролита от его концентрации. В основном их применяют для измерения концентраций растворов.
На рис. 11-10 для примера показаны графики зависимостей удельной электрической проводимости у некоторых растворов электролитов от концентрации с растворенного вещества. Из этого рисунка следует, что в определенном диапазоне изменения концентрации зависимость электрической проводимости от кон центрации однозначна и может быть использована для определения с.

Рис. 11-10. Зависимость удельной электрической проводимости растворов электролитов от концентрации растворенного вещества

Рис. 11-11. Лабораторный электролитический преобразователь
Преобразователь, применяемый в лабораторных условиях для измерения концентрации, представляет собой сосуд с двумя электродами (электролитическая ячейка) (рис. 11-11). Для промышленных непрерывных измерений преобразователи выполняют проточными, причем часто используют конструкции, в которых роль второго электрода играют стенки сосуда (металлические).
Электрическая проводимость растворов зависит от температуры. Таким образом, при использовании электролитических преобразователей необходимо устранять влияние температуры. Эту задачу решают путем стабилизации температуры раствора с помощью холодильника (нагревателя) или применения цепей температурной компенсации с медными терморезисторами, так как температурные коэффициенты проводимости меди и растворов электролитов имеют противоположные знаки.
При прохождении постоянного тока через преобразователь происходит электролиз раствора, что приводит к искажению результатов измерения. Поэтому измерения сопротивления раствора обычно проводят на переменном токе (700—1000 Гц), чаще всего с помощью мостовых цепей.
Индуктивные преобразователи. Принцип действия преобразователей основан на зависимости индуктивности или взаимной индуктивности обмоток на магнитопроводе от положения, геометрических размеров и магнитного состояния элементов их магнитной цепи.

Рис. 11-12. Магнитопровод с зазорами и двумя обмотками
Индуктивность и взаимную индуктивность можно изменять, воздействуя на длину б, сечение воздушного участка магнитопровода s, на потери мощности в магнитопроводе и другими путями. Этого можно достичь, например, перемещением подвижного сердечника (якоря) / (рис. 11-12) относительно неподвижного 2, введением немагнитной металлической пластины 3 в воздушный зазор и т. п.
На рис. 11-13 схематически показаны различные типы индуктивных преобразователей. Индуктивный преобразователь (рис. 11-13, а) с переменной длиной воздушного зазора б характеризуется нелинейной зависимостью L = f (б). Такой преобразователь обычно применяют при перемещениях якоря на 0,01—5 мм. Значительно меньшей чувствительностью, но линейной зависимостью L = f (s) отличаются преобразователи с переменным сечением воздушного зазора (рис. 11-13, б). Эти преобразователи используют при перемещениях до 10—15 мм.

Рис. 11-13. Индуктивные преобразователи с изменяющейся длиной зазора (а), с изменяющимся сечением зазора (б), дифференциальный (в), дифференциальный трансформаторный (г), дифференциальный трансформаторный с разомкнутой магнитной цепью (д) магнитоупругий (е)
Якорь в индуктивном преобразователе испытывает усилие (нежелательное) притяжения со стороны электромагнита

где Wm — энергия магнитного поля; L — индуктивность преобразователя; / — ток, проходящий через обмотку преобразователя.
Широко распространены индуктивные дифференциальные преобразователи (рис. 11-13, в), в которых под воздействием измеряемой величины одновременно и притом с разными знаками изменяются два зазора электромагнитов. Дифференциальные преобразователи в сочетании с соответствующей измерительной цепью (обычно мостовой) имеют более высокую чувствительность, меньшую нелинейность характеристики преобразования, испытывают меньшее влияние внешних факторов и сниженное результирующее усилие на якорь со стороны электромагнита, чем недифференциальные преобразователи.
На рис. 11-13, г показана схема включения дифференциального индуктивного преобразователя, у которого выходными величинами являются взаимные индуктивности. Такие преобразователи называют взаимно-индуктивными или трансформаторными. При питании первичной обмотки переменным током и при симмет-ричнорл положении якоря относительно электромагнитов ЭДС на выходных зажимах равна нулю. При перемещении якоря на выходных зажимах появляется ЭДС.
Для преобразования сравнительно больших перемещений (до 50—100 мм) применяют трансформаторные преобразователи с незамкнутой магнитной цепью (рис. 11-13, о).
Применяют трансформаторные преобразователи угла поворота, состоящие из неподвижного статора и подвижного ротора с обмотками. Обмотку статора питают переменным током. Поворот ротора вызывает изменение значения и фазы наводимой в его обмотке ЭДС. Такие преобразователи используют при измерении больших угловых перемещений.
Для измерения малых угловых перемещений используют индуктосины (рис. 11-14). Ротор / и статор 2 индуктосина снабжают печатными обмотками 3, имеющими вид радиального растра. Принцип действия индуктосина аналогичен описанному выше. Нанесением обмоток печатным способом удается получить большое число полюсных шагов обмотки, что обеспечивает высокую чувствительность преобразователя к изменению угла поворота.

Рис. 11-14. Устройство (а) и вид печатной обмотки (б) индуктосина
Если ферромагнитный сердечник преобразователя подвергать механическому воздействию F, то вследствие изменения магнитной проницаемости материала сердечника изменится магнитное сопротивление цепи, что повлечет за собой изменение индуктивности L и взаимной индуктивности М обмоток. На этом принципе основаны магнитоупругие преобразователи (рис. 11-13, е).
Конструкция преобразователя определяется диапазоном измеряемого перемещения. Габариты преобразователя выбирают исходя из необходимой мощности выходного сигнала.
Для измерения выходного параметра индуктивных преобразователей наибольшее применение получили мостовые (равновесные и неравновесные) цепи, а также компенсационная (в автоматических приборах) цепь для дифференциальных трансформаторных преобразователей.
Индуктивные преобразователи используют для преобразования перемещения и других неэлектрических величин, которыемогут быть преобразованы в перемещение (усилие, давление, момент и т. д.).
По сравнению с другими преобразователями перемещения индуктивные преобразователи отличаются значительными по мощности выходными сигналами, простотой и надежностью в работе.
Недостаток их — обратное воздействие преобразователя на исследуемый объект (воздействие электромагнита на якорь) и влияние инерции якоря на частотные характеристики прибора.

Рис. 11-15. Емкостные преобразователи с изменяющимся расстоянием между пластинами (а), дифференциальный (б), дифференциальный с переменной активной площадью пластин (в) и с изменяющейся диэлектрической проницаемостью среды между пластинами (г)
Емкостные преобразователи. Емкостные преобразователи основаны на зависимости электрической емкости конденсатора от размеров, взаимного расположения его обкладок и от диэлектрической проницаемости среды между ними.
На рис. 11-15 схематически показано устройство различных емкостных преобразователей. Преобразователь на рис. 11-15, а представляет собой конденсатор, одна пластина которого перемещается под действием измеряемой величины х относительно неподвижной пластины. Статическая характеристика преобразования С (б) нелинейна. Чувствительность преобразователя возрастает с уменьшением расстояния 6. Такие преобразователи используют для измерения малых перемещений (менее 1 мм).
Малое рабочее перемещение пластин приводит к погрешности от изменения расстояния между пластинами при колебаниях температуры. Выбором размеров деталей преобразователя и материалов добиваются снижения этой погрешности.
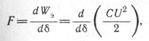
В емкостных преобразователях возникает усилие (нежелательное) притяжения между пластинами

где W3 — энергия электрического поля; U и С — соответственно напряжение и емкость между пластинами.
Применяют также дифференциальные преобразователи (рис. 11-15, б), у которых имеется одна подвижная и две неподвижные пластины. При воздействии измеряемой величины х у этих преобразователей одновременно изменяются емкости. На рис. 11-15, в показан дифференциальный емкостной преобразователь с переменной активной площадью пластин. Такой преобразователь используют для измерения сравнительно больших линейных (более 1 мм) и угловых перемещений. В этих преобразователях легко получить требуемую характеристику преобразования путем профилирования пластин.
Преобразователи (e) применяют для измерения уровня жидкостей, влажности веществ, толщины изделий из диэлектриков и т. п. Для примера (рис. 11-15, г) дано устройство преобразователя емкостного уровнемера. Емкость между электродами, опущенными в сосуд, зависит от уровня жидкости, так как изменение уровня ведет к изменению средней диэлектрической проницаемости среды между электродами. Изменением конфигурации пластин можно получить желаемый характер зависимости показаний прибора от объема (массы) жидкости.
Для измерения выходного параметра емкостных преобразователей применяют мостовые цепи и цепи с использованием резонансных контуров. Последние позволяют создавать приборы с высокой чувствительностью, способные реагировать на перемещения порядка 10~7 мм. Цепи с емкостными преобразователями обычно питают током повышенной частоты (до десятков мегагерц), что вызвано желанием увеличить сигнал, попадающий в измерительный прибор, и необходимостью уменьшить шунтирующее действие сопротивления изоляции.
Достоинствами емкостных преобразователей являются простота устройства, высокая чувствительность и возможность получения малой инерционности преобразователя, недостатками — влияние внешних электрических полей, паразитных емкостей, температуры, влажности, относительная сложность цепей вклю чения и необходимость в специальных источниках питания повышенной частоты.
Ионизационные преобразователи. Преобразователи основаны на явлении ионизации газа или люминесценции некоторых веществ под действием ионизирующего излучения.
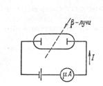
Если камеру, содержащую газ, подвергнуть облучению, например, р-лучами, то между электродами, включенными в электрическую цепь (рис. 11-16), потечет ток. Этот ток зависит от приложенного к электродам напряжения, от плотности и состава газовой среды, размера камеры и электродов, свойств и интенсивности ионизирующего излучения и т. д. Эти зависимости используют для измерения различных неэлектрических величин: плотности и состава газовой среды, геометрических размеров деталей и т. д.

Рис. 11-16. Схема ионизационного преобразователя

Рис. 11-17. Вольт-амперная характеристика ионизационного преобразователя
В качестве ионизирующих агентов применяют а-, р- и у-лучи радиоактивных веществ, значительно реже — рентгеновские лучи и нейтронное излучение.
Для измерения степени ионизации используют преобразователи — ионизационные камеры и ионизационные счетчики, действие которых соответствует различным участкам вольт-амперной характеристики газового промежутка между двумя электродами. На рис. 11-17 показана зависимость тока в камере (рис. 11-16) с постоянным составом газа от приложенного напряжения U и интенсивности излучения. На участке А характеристики ток увеличивается прямо пропорционально напряжению, затем рост его замедляется и на участке Б достигает насыщения. Это указывает на то, что все ионы, образующиеся в камере, достигают электродов. На участке В ионизационный ток снова начинает расти, что вызывается вторичной ионизацией при ударениях первичных электронов и ионов о нейтральные молекулы. При дальнейшем увеличении напряжения (участок Г) ионизационный ток перестает зависеть от первоначальной ионизации и наступает
непрерывный разряд (участок Д), который уже не зависит от воздействия радиоактивного излучения.
Участки А и Б вольт-амперной характеристики описывают действие ионизационных камер, а участки В и Г — ионизационных счетчиков. Кроме ионизационных камер и счетчиков, в качестве ионизационных преобразователей применяют сцинтилляционные (люминесцентные) счетчики. Принцип действия этих счетчиков основан на возникновении в некоторых веществах— фосфорах (активированные серебром сернистый цинк, сернистый кадмий и др.) — под действием радиоактивных излучений световых вспышек (сцинтилляций), которые в счетчиках регистрируются фотоумножителями. Яркость этих вспышек, а следовательно, и ток фотоумножителя определяются радиоактивным излучением.
Выбор типа ионизационного преобразователя зависит в значительной мере от ионизирующего излучения.
Альфа-лучи (ядра атома гелия) обладают большой ионизирующей способностью, но имеют малую проникающую способность. В твердых телах а-лучи поглощаются в очень тонких слоях (единицы-десятки микрометров). Поэтому при использовании а-лучей а-излучатель помещают внутрь преобразователя.
Бета-лучи представляют собой поток электронов (позитронов); они обладают значительно меньшей ионизирующей способностью, чем а-лучи, но зато имеют более высокую проникающую способность. Длина пробега в твердых телах достигает нескольких миллиметров. Поэтому излучатель может располагаться как внутри, так и вне преобразователя.
Изменение расстояния между электродами, площади перекрытия электродов или положения источника радиоактивного излучения относительно ионизационных камер или счетчиков сказывается на значении ионизационного тока. Поэтому указанные зависимости используют для измерения различных механических и геометрических величин.
На рис. 11-18 в качестве примера показан ионизационный мембранный манометр, где / —излучатель; 2 — мембрана; 3 — неподвижный электрод, изолированный от мембраны. Между электродами 2 а 3 приложена разность потенциалов, достаточная для достижения тока насыщения. При изменении давления р мембрана прогибается, изменяя расстояние между электродами и значение ионизационного тока.

Рис. 11-18. Ионизационный мембранный манометр

Рис. 11-19. Газоразрядный счетчик
Гамма-лучи — электромагнитные колебания весьма малой длины волны (10~8—10~" см), возникающие при радиоактивных превращениях. Гамма-лучи обладают большой проникающей способностью.
Конструкции ионизационных камер и счетчиков разнообразны и зависят от вида излучения.
Для регистрации отдельных частиц, а также измерения небольших у-излучений широко применяют так называемые газоразрядные счетчики, действие которых описывают участки В и Г вольт-амперной характеристики. Устройство газоразрядного счетчика показано на рис. 11-19. Счетчик состоит из металлического цилиндра /, внутри которого натянута тонкая вольфрамовая проволока 2. Оба эти электрода помещены в стеклянный цилиндр 3 с инертным газом. При ионизации газа в цепи счетчика появляются импульсы тока, число которых подсчитывается.
В качестве источников а-, р- и у-излучений обычно используют радиоактивные изотопы. Источники излучения, применяемые в измерительной технике, должны иметь значительный период полураспада и достаточную энергию излучения (кобальт-60, стронций-90, плутоний-239 и др.).
Основное достоинство приборов, использующих ионизирующие излучения, заключается в возможности бесконтактных измерений, что имеет большое значение, например, при измерениях в агрессивных или взрывоопасных средах, а также в средах, находящихся под большим давлением или имеющих высокую температуру. Основной недостаток этих приборов — необходимость применения биологической защиты при высокой активности источника излучения.
13.2 Генераторные измерительные преобразователи
Общие сведения. В генераторных преобразователях выходной величиной являются ЭДС или заряд, функционально связанные с измеряемой неэлектрической величиной.
Термоэлектрические преобразователи. Эти преобразователи основаны на термоэлектрическом эффекте, возникающем в цепи термопары.
При разности температур точек / и 2 соединения двух разнородных проводников А и В (рис. 11-20, а), образующих термопару, в цепи термопары возникает термо-ЭДС.
Для измерения термо-ЭДС электроизмерительный прибор (милливольтметр, компенсатор) включают в цепь термопары (рис. 11-20, б). Точку соединения проводников (электродов) называют рабочим концом термопары, точки 2 и 2' — свободными концами.
Чтобы термо-ЭДС в цепи термопары однозначно определялась температурой рабочего конца, необходимо температуру свободных концов термопары поддерживать одинаковой и неизменной.

Рис. 11-20. Термопара (а) и способ включения прибора в цепь термопары (б)
Градуировку термоэлектрических термометров — приборов, использующих термопары для измерения температуры, производят обычно при температуре свободных концов О °С. Градуировочные таблицы для стандартных термопар также составлены при условии равенства температуры свободных концов О °С. При практическом применении термоэлектрических термометров температура свободных концов термопары обычно не равна О °С и поэтому необходимо вводить поправку.
Для изготовления термопар, применяемых в настоящее время для измерения температуры, используют в основном специальные сплавы.
Для измерения высоких температур используют термопары типов ТПП, ТПР и ТВР. Термопары из благородных металлов (ТПП и ТПР) применяют при измерениях с повышенной точностью. В остальных случаях применяют термопары из неблагородных металлов (ТХА, ТХК).
Для защиты от внешних воздействий (давления, агрессивных газов и т. д.) электроды термопар помещают в защитную арматуру, конструктивно похожую на арматуру терморезисторов (рис. 11-7, б).
Для удобства стабилизации температуры свободных концов иногда термопару удлиняют с помощью так называемых удлинительных проводов, выполненных либо из соответствующих термоэлектродных материалов, либо из специально подобранных материалов, более дешевых, чем электродные, и удовлетворяющих условию термоэлектрической идентичности с основной термопарой в диапазоне возможных температур свободных концов (обычно от О до 100 °С). Иначе говоря, удлинительные провода должны иметь в указанном интервале температур такую же зависимость термо-ЭДС от температуры, как и у основной термопары.
Инерционность термопар характеризуют показателем тепловой инерции. Известны конструкции малоинерционных термопар, у которых показатель тепловой инерции составляет 5—20 с. Термопары в обычной арматуре имеют показатель тепловой инерции, равный нескольким минутам.
Индукционные преобразователи применяют для измерения скорости линейных и угловых перемещений. Выходной сигнал этих преобразователей может быть проинтегрирован или продифференцирован во времени с помощью электрических интегрирующих или дифференцируюш,их устройств. После этих преобразований информативный параметр сигнала становится пропорциональным, соответственно, перемещению или ускорению. Поэтому индукционные преобразователи используют также для измерения линейных и угловых перемещений и ускорений.
Наибольшее применение индукционные преобразователи получили в приборах для измерения угловой скорости (тахометрах) и в приборах для измерения параметров вибраций.
Индукционные преобразователи для тахометров представляют собой небольшие (1 —100 Вт) генераторы постоянного или переменного тока обычно с независимым возбуждением от постоянного магнита, ротор которых механически связан с испытуемым валом. При использовании генератора постоянного тока об угловой скорости судят по ЭДС генератора, а в случае применения генератора переменного тока угловую скорость можно определить по значению ЭДС или ее частоте.
На рис. 11-21 показан индукционный преобразователь для измерения амплитуды, скорости и ускорения возвратно-поступательного движения. Преобразователь представляет собой цилиндрическую катушку /, перемещающуюся в кольцевом зазоре магнитопровода 2. Цилиндрический постоянный магнит 3 создает в кольцевом зазоре постоянное радиальное магнитное поле. Катушка при перемещении пересекает силовые линии магнитного поля, и в ней возникает ЭДС, пропорциональная скорости перемещения.

Рис. 11-21. Индукционный преобразователь
Погрешности индукционных преобразователей определяются главным образом изменением магнитного поля во времени и при изменении температуры, а также температурными изменениями сопротивления обмотки.
Основные достоинства индукционных преобразователи заключаются в сравнительной простоте конструкции, надежности работы и высокой чувствительности. Недостаток — ограниченный частотный диапазон измеряемых величин.
Пьезоэлектрические преобразователи. Такие преобразователи основаны на использовании прямого пьезоэлектрического эффекта, заключающегося в появлении электрических зарядов на поверхности некоторых кристаллов (кварца, турмалина, сегнето-вой соли и др.) под влиянием механических напряжений.
Из кристалла кварца вырезается пластинка, грани которой должны быть перпендикулярны оптической оси Oz, механической оси Оу и электрической оси Ох кристалла (рис. 11-22, а и б).
При воздействии на пластину усилия Fx вдоль электрической оси на гранях х появляются заряды Qx = kFx, где k — пьезоэлектрический коэффициент (модуль).
При воздействии на пластину усилия Fy вдоль механической оси на тех же гранях х возникают заряды Qy = kFya/b, где а и b — размеры граней пластины.
Механическое воздействие на пластину вдоль оптической оси не вызывает появления зарядов.
Устройство пьезоэлектрического преобразователя для измерения переменного давления газа показано на рис. 11-23. Давление р через металлическую мембрану / передается на зажатые между металлическими прокладками 2 кварцевые пластинки 3.

Рис. 11-22. Кристалл кварца (а) и пластинка (б), вырезанная из него
Шарик 4 способствует равномерному распределению давления по поверхности кварцевых пластинок. Средняя прокладка соединена с выводом 5, проходящим через втулку из хорошего изоляционного материала. При воздействии давления р между выводом 5 и корпусом преобразователя возникает разность потенциалов.
В пьезоэлектрических преобразователях главным образом применяют кварц, у которого пьезоэлектрические свойства сочетаются с высокой механической прочностью и высокими изоляционными качествами, а также с независимостью пьезоэлектрической характеристики от температуры в широких пределах. Используют также поляризованную керамику из титаната бария, титаната и цирконата свинца.

Рис. 11-23. Пьезоэлектрический преобразователь для измерения давления
Размеры пластин и их число выбирают исходя из конструктивных соображений и требуемого значения заряда.
Заряд, возникающий в пьезоэлектрическом преобразователе, «стекает» по изоляции и входной цепи измерительного прибора. Поэтому приборы, измеряющие разность потенциалов на пьезоэлектрических преобразователях, должны иметь высокое входное сопротивление (1012—1015 Ом), что практически обеспечивается применением электронных усилителей с высоким входным сопротивлением.
Из-за «стекания» заряда эти преобразователи используют для измерения только быстро изменяющихся величин (переменных усилий, давлений, параметров вибраций, ускорений и т. д.).
Находят применение пьезоэлектрические преобразователи — пьезорезонаторы, в которых используются одновременно прямой и обратный пьезоэффекты. Последний заключается в том, что если на электроды преобразователя подать переменное напряжение, то в пьезочувствительной пластине возникнут механические колебания, частота которых (резонансная частота) зависит от толщины h пластины, модуля упругости Е и плотности р ее материала. При включении такого преобразователя в резонансный контур генератора частота генерируемых электрических колебаний определяется частотой fp. При изменении значений h, Е или р под влиянием механических или температурных воздействий частота /р изменится и, соответственно, изменится частота генерируемых колебаний. Этот принцип используют для преобразования давления, усилия, температуры и других величин в частоту.
Гальванические преобразователи. Преобразователи основаны на зависимости ЭДС гальванической цепи от химической активности ионов электролита, т. е. от концентрации ионов и окислительно-восстановительных процессов в электролите. Эти преобразователи применяют для определения реакции раствора (кислая, нейтральная, щелочная), которая зависит от активности водородных ионов раствора.
Дистиллированная вода имеет слабую, но вполне определенную электрическую проводимость, что объясняется ионизацией воды Химическая активность а равна произведению эквивалентной концентрации на коэффициент активности (стремящийся к единице при бесконечном разбавлении раствора).
Если в воде растворить кислоту, образующую при диссоциации ионы Н+, то концентрация ионов Н+ в растворе станет больше, чем в чистой воде, а концентрация ионов ОН~ меньше за счет воссоединения части ионов Н+ с ионами ОН.
Таким образом, химическая активность водородных ионов раствора является характеристикой реакции раствора. Реакцию раствора численно характеризуют отрицательным логарифмом активности ионов водорода — водородным показателем рН Для дистиллированной воды водородный показатель равен 7 единицам рН.
Диапазон изменения водородного показателя водных растворов при t = 22 °С составляет 0—14 единиц рН.
Для измерения рН применяют метод, основанный на измерении электродного (пограничного) потенциала.
Если металлический электрод погрузить в раствор, содержащий его одноименные ионы, то электрод приобретает потенциал. Аналогично ведет себя и водородный электрод.
Для получения электродного потенциала между водородом и раствором, необходимо иметь так называемый водородный электрод. Водородный электрод можно создать, воспользовавшись свойством водорода адсорбироваться на поверхности платины, иридия и палладия. Обычно водородным электродом служит покрытый платиновой чернью платиновый электрод, к которому непрерывно подводится газообразный водород. Потенциал такого электрода зависит от концентрации водородных ионов в растворе.
Практически измерить абсолютное значение пограничного потенциала нельзя. Поэтому гальванический преобразователь всегда состоит из двух полуэлементов, электрически соединенных друг с другом: рабочего (измерительного) полуэлемента, представляющего собой исследуемый раствор с электродом, и сравнительного (вспомогательного) полуэлемента с неизменным пограничным потенциалом, состоящего из электрода и раствора с постоянной концентрацией. В качестве сравнительного полуэлемента используют водородный электрод с нормальной постоян ной концентрацией водородных ионов. При промышленных измерениях применяют более удобный сравнительный каломельный электрод.

Рис. 11-24. Гальванический преобразователь
На рис. 11-24 показан преобразователь для измерения концентрации водородных ионов. Сравнительным полуэлементом служит каломельный электрод. Он представляет собой стеклянный сосуд 4, на дно которого помещено небольшое количество ртути, а поверх нее — паста из каломели (Hg2Cb). Сверху пасты налит раствор хлористого калия (КС1). Потенциал возникает на границе каломель — ртуть. Для контакта со ртутью в дно сосуда впаян платиновый электрод 5. Потенциал каломельного электрода зависит от концентрации ртути в каломели, а концентрация ионов ртути, в свою очередь, зависит от концентрации ионов хлора в растворе хлористого калия.
В исследуемый раствор погружен водородный электрод. Оба полуэлемента соединены электролитическим ключом, представляющим собой трубку 2, обычно заполненную насыщенным раствором КС1 и закрытую полупроницаемыми пробками 3. ЭДС такого преобразователя является функцией рН.
В приборах промышленного типа вместо рабочих водородных электродов используются более удобные сурьмяные или хингидронные электроды. Широко применяют также так называемые стеклянные электроды.
Для измерения ЭДС гальванических преобразователей в основном используют компенсационные приборы. Для стеклянных электродов измерительная цепь должна иметь высокое входное сопротивление, так как внутреннее сопротивление стеклянных электродов достигает 100—200 МОм. При измерении рН с помощью гальванических преобразователей необходимо вносить поправки на влияние температуры.