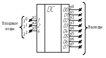
Дешифратором называется устройство, распознающее кодовые комбинации. Дешифратор имеет число входов, равное разрядности принимаемого кода n, и число выходов, равное возможному числу кодовых комбинаций N = 2n. Такое устройство вырабатывает сигнал “1” на каждом выходе только в том случае, когда на вход поступает код числа, соответствующего номеру этого выхода. Дешифратор (рис. 2.1) является полным, т.е. имеет восемь выходов, соответствующих 3х разрядному коду числа. На рис. 2.1 приведено условное графическое обозначение дешифратора, которое используется в структурных, функциональных и принципиальных схемах.
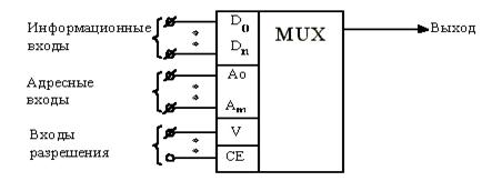
Мультиплексор (коммутатор) – устройство для переключения в определенном порядке сигналов с нескольких входов на один выход. Во многих схемах мультиплексор выполняет функцию многопозиционного переключателя. Управление мультиплексором производится по адресным и разрешающим входам. Число информационных входов N связанно с числом адресных входов n следующим выражением N = 2n.
|
|
|
DD

Рисунок 2.1. – Дешифратор трехразрядного кода
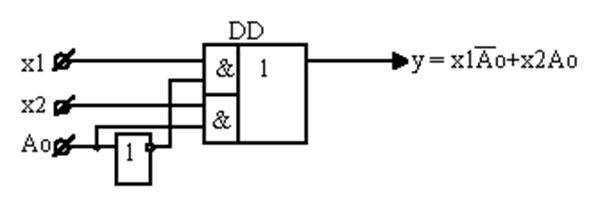
Набор сигналов на адресном входе определяет соединение информационных входов с выходом. Например, мультиплексор с двумя информационными входами 2x1 можно реализовать следующим образом:

Рисунок 2.2. – Мультиплексор 2x1
На принципиальных схемах мультиплексор имеет обозначение, приведенное на рис. 2.3

Рисунок 2.3. – Мультиплексор 2nx1






