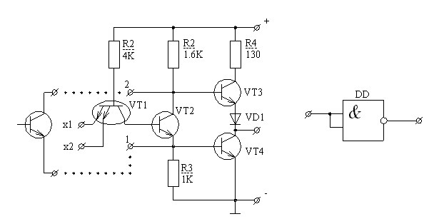
Основу современных цифровых устройств составляют интегральные логические элементы ЛЭ, одним из которых является элемент “2И-НЕ ” (рис. 1.1). ЛЭ “2И-НЕ ” представляет собой ключ, имеющий 2 входа, 1 выход и реализующий функцию отрицания логического произведения входных сигналов. Принципиальная схема ТТЛ ЛЭ и его условное графическое обозначение УГО приведены на рис. 1.1. Это универсальный элемент с помощью которого, в сочетании с логической парой “ИЛИ-НЕ”, возможно построение любой логической системы.

а) б)
Рисунок 1.1. – Принципиальная схема (а) и УГО на принципиальных
схемах (б) ТТЛ ЛЭ “2И-НЕ” (в режиме инвертора)
Работа ЛЭ по постоянному току описывается статической передаточной характеристикой (рис.1.2).

Рисунок 1.2. – Статическая передаточная характеристика
Работа ЛЭ по переменному току описывается схемой замещения (рис. 1.3).
На рис. 1.2 приведены рабочие точки ЛЭ: А1 в состоянии отсечки – логическая “1”, А0 – в состоянии насыщения – логический “0”.
– запас помехоустойчивости ЛЭ при передаче “0” и “1”, т.е. допустимая аддитивная амплитуда помехи, не вызывающая ложного срабатывания ЛЭ;
|
|
|
– пороговые напряжения переключения ЛЭ при переходе из “1” в “0” и из “0” в “1” соответственно.

Рисунок 1.3. – Схема замещения ТТЛ ЛЭ
Типовые значения параметров схемы замещения ТТЛ ЛЭ «И-НЕ»:







