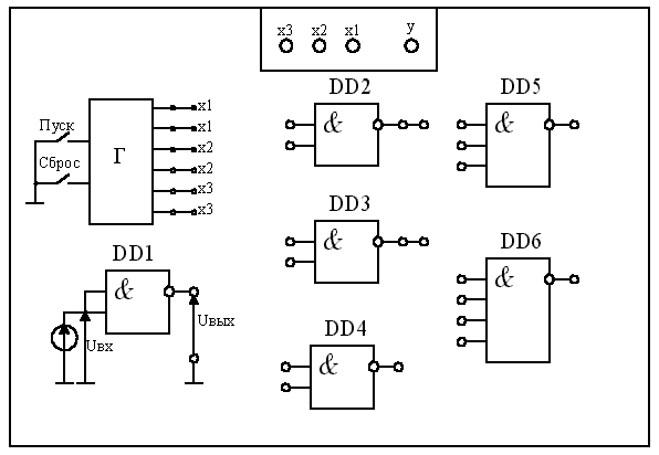
1. Макет лабораторной работы №1
2. Экспериментально снять статическую передаточную характеристику
логического элемента DD1 “И-НЕ”
в режиме инвертора.
Для того, чтобы установить передаточную характеристику логического элемента DD1 “И-НЕ” необходимо, плавно поворачивая ручкой Uвх, регулировать величину входного сигнала от нуля до значения
, при котором элемент переходит из состояния логической единицы “1” в состояние логического “0”. При этом необходимо с помощью цифрового вольтметра зафиксировать пороговые значения входных напряжений
и
.
При измерении зафиксировать две точки на участках устойчивых состояний “1” и “0”, три значения – в переходной области.
3. Исследовать работу трехвходового логического элемента “3И-НЕ” DD5. Его функция описывается таблицей истинности. Составить таблицу истинности (табл. 1.1), для этого необходимо представить все возможные комбинации переменных x1, x2, x3 от (0,0,0) до (1,1,1) и каждой комбинации поставить в соответствие
. Затем проверить эту таблицу экспериментально, для чего входы ЛЭ DD5 соединительными проводниками подключить к выходам x1, x2, x3 генератора Г, а выход этого ЛЭ – к индикатору У (его свечение соответствует высокому уровню – логическая “1”, а наоборот – логический “0”).

Рисунок 1.4. – Макет лабораторной работы №1
Нажать кнопку “Сброс” для установки генератора Г в исходное состояние. Затем нажимая кнопку “Пуск” каждый раз фиксировать выходной сигнал ЛЭ по индикатору У и определить его соответствие табл. 1.1.
Таблица 1.1 –
Таблица истинности ЛЭ “3И-НЕ”
| № п.п. | x1 | x2 | x3 |
|
4. С помощью передаточной характеристики логического элемента (пункт 2) определить параметры логического элемента: выходные напряжения
, пороговые напряжения
. Определить статическую помехоустойчивость, т.е. максимальную амплитуду помехи, которая, будучи наложенной на сигнал, не вызывает ложного срабатывания.
5. Для заданных преподавателем логических выражений 3х переменных составить таблицы истинности и реализовать их с помощью ЛЭ DD2-DD6. Данные занести в табл. 1.2.
Таблица 1.2 –
Таблица истинности комбинационной схемы, реализующей функцию
F = xxxxxx.
| № п.п. | x1 |
| x2 |
| x3 |
|
|
Примечание: при реализации функции F использовать входы x1, x2, x3 (
) генератора Г, наборное поле логической “1” и логического “0”; дизъюнктивную функцию преобразовать в конъюнктивную по правилу Де Моргана, затем собрать схему и проверить таблицу истинности с использованием индикатора У.






