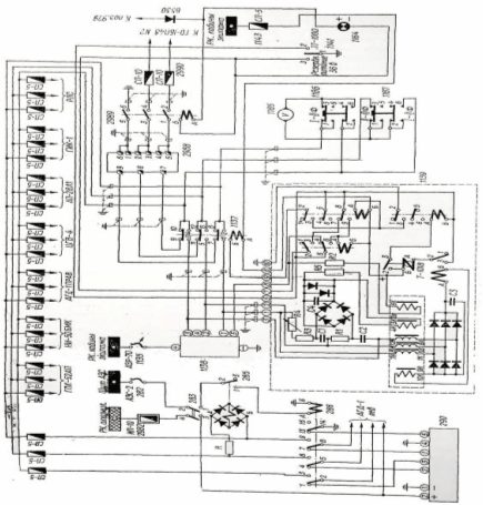
Для питания самолетных потребителей трехфазным переменным током 36 В, 400 Гц на самолете установлены: преобразователь ПТ-1000ЦС, трансформатор ТС310СО4А централизованной системы питания (первый – рабочий, второй – резервный) и преобразователь ПТ-200Ц. Преобразователи ПТ-1000ЦС и ПТ-200Ц установлены в правом носовом отсеке. Трансформатор ТС-310С04А установлен под полом между шпангоутами 9– 10. Схема источников электроэнергии трехфазного тока 36 В, 400 Гц показана на рис. 10
Переключение с преобразователя ПТ-ЮООЦС на трансформатор ТС310СО4А осуществляется переключателем 1141, расположенным на щитке управления электроэнергетикой. При включении трансформатора на щитке загорается сигнальная лампа 11 64.
В случае двухфазных и трехфазных коротких замыканий и обрывов питающей трехфазной сети происходит автоматическое переключение питания потребителей трехфазного переменного тока с преобразователя ПТ-1000ЦС на трансформатор ТС-310СО4А благодаря коробке КПР-9, установленной в правом носовом отсеке. Коробка КПР-9 обеспечивает только одностороннее переключение нагрузки переменного тока с преобразователя на трансформатор.

Рис. 10. Схема источников электроэнергии трехфазного тока 36 В, 400 Гц






