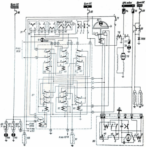
Электрическая схема флюгирования (рис. 11) обеспечивает:
- ручное флюгирование винта с одновременной подачей команды на электроклапан останова на флюгнруемом двигателе;
- автоматическое флюгирование винта при отказе двигателя (при падении крутящего момента двигателя), работающего в режиме не ниже 0,7 номинала с одновременной подачей команды на останов флюгируемого двигателя;
- автоматическое флюгирование винта от датчика по отрицательной тяге с одновременным остановом флюгируемого двигателя;
- частичное флюгирование винта без останова двигателя (на работающем двигателе);
- проверку системы автофлюгера по крутящему моменту без ввода винта во флюгер и без останова двигателя;
- проверку системы автофлюгера по отрицательной тяге без ввода винта во флюгер и без останова двигателя;
- расфлюгирование воздушного винта.
Органы управления и сигнализация системы размещены на электрощитке флюгирования, установленном на потолке кабины летчиков.
Все входящие в схему реле расположены в одной РК флюгирования, которая установлена на потолке между шпангоутами 10–11; два программных механизма ПМК-18 установлены между шпангоутами 9–10; контакторы флюгерных насосов размещены в левом ЦРУ. Флюгерные насосы установлены на двигателях.

Рис. 11. Схема флюгирования воздушного винта левого двигателя






