Наружное освещение
Наружное освещение самолета предназначено для обеспечения в ночных условиях видимости земной поверхности во время рулежки, взлета и посадки, а также для опознавания самолета в воздухе.
Фары
Для освещения взлетно-посадочной полосы при ночных полетах на самолете установлены две посадочно-рулежные фары типа ПРФ-4, по одной на левом и правом полукрыльях (рис. 16, 16, а).
Фара ПРФ-4 2-й серии применяется с лампой СМФ-3 с двумя нитями накала: посадочной, включаемой при посадке, и рулежной, включаемой при рулежке самолета.
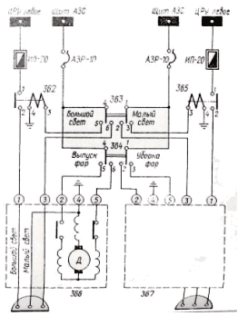
Управление выпуском и уборкой фары, а также ее включение и выключение производятся переключателями на средней панели приборной доски. Предохранитель и контактор 362 (рис. 17) цепи левой фары, предохранитель и контактор 365 цепи правой фары находятся в левом ЦРУ.
При помощи концевых выключателей обеспечивается отключение электромеханизма фары в крайних положениях.
На средней панели приборной доски переключателем 363 устанавливается «Большой свет» или «Малый свет». При положении переключателя «Малый свет» питание фары обеспечивается со щита АЗС через АЗР-10. При положении переключателя «Большой свет» срабатывают контакторы 362У 365 в левом ЦРУ и фары получают питание соответственно через предохранители ИП-20.
|
|
|
Выпуск и уборка фар производится переключателем 364, установленным на средней панели приборной доски.

Рис. 16. Фара ПРФ-4

Рис. 16, а. Установочные углы фар ПРФ-4

Рис. 17. Электросхема управления фарами






