Расчет диаметра посадочного отверстия резца

Крепление круглых фасонных резцов в державке может быть односторонним и двусторонним. Первый метод применяется для резцов шириной до 30 мм. При > 30 мм применяют двустороннее крепление, при котором ось для установки резца имеет две опоры, при этом у резца не делают выточку диаметром и длиной , в которой размещается головка оси.

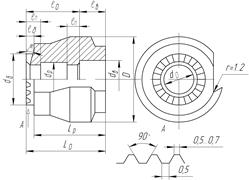
На рис.3.14 показан круглый резец с отверстием под ось для его закрепления в державке. Диаметр посадочного отверстия рассчитывается в зависимости от ширины резца и силы резания . Диаметр выточки под головку оси принимают = 1,5 с округлением до следующих значений:16, 20, 25, 34, 40 мм, а ее ширина = (0,25…0,5) , обычно 5…8мм. При > 15 мм базирование резца осуществляется по двум шлифованным пояскам, при этом ширина шлифованной части отверстия = 0,25( - ), а диаметр расточки = + 2 мм.

Рис. 3.14. Конструктивное оформление посадочного отверстия и буртика с рифлениями

Диаметр посадочного отверстия определяют из условия достаточной прочности и жесткости оправки в зависимости от главной составляющей силы резания

= ,

где - удельная сила резания, приходящаяся на единицу длины режущей кромки (табл.3.2).

Таблица 3.2





Подборка статей по вашей теме: