1. Сапожников В.В. и др. Теория дискретных устройств железнодорожной автоматики, телемеханики и связи: Учебник для вузов ж-д. тр-та. –М.: УМК МПС России, 2001. –312 с.
2. Теория передачи сигналов на железнодорожном транспорте: Учебник для вузов ж-д. тр-та // Г.В. Горелов и др. –М.: Транспорт, 1999. –312с.
3. Единая система конструкторской документации: Обозначения условные графические в схемах – ГОСТ 2.743 – 91
4. Кондаков Н.И. Логический словарь – справочник –М.: Наука, 1975.
–720 с.
5. Теоретические основы управления в электроэнергетике: Методические указания к курсовому проекту. –СПб. ПГУПС, 2000.
–32 с.
6. Компьютерные автоматические обучающие системы по анализу дискретных устройств
7. Бурков А.Т. Электроника: физической основы, полупроводниковые приборы и устройства: Учебное пособие.–СПб,: ПГУПС, 1999.
–290 с.
8. Импульсная и цифровая электроника в устройствах электроснабжения: Учебное пособие / сост. А.Т.Бурков, А.И. Бурьяноватый и др. –М.: ЛИИЖТ, 1987. –52с.
9. Электрические железные дороги....
10. Телемеханика “Лисна”..............
ПРИЛОЖЕНИЕ 1
Логические функции двух аргументов
| № | Значения функций для заданных наборов аргументов | Алгебраическая запись функции | Название функции | |||
| ||||||
| ||||||
| Тривиальная | |||||
| Конъюнкция (И) | |||||
| Запрет по | |||||
| Тождественность | |||||
| Запрет по | |||||
| Тождественность | |||||
| Неравнозначность (сложение по модулю 2) | |||||
| Дизъюнкция (ИЛИ) | |||||
| Стрелка Пирса (ИЛИ – НЕ) | |||||
| Равнозначность | |||||
| Инверсия (НЕ) | |||||
| Импликация | |||||
| Инверсия (НЕ) | |||||
| Импликация | |||||
| Штрих Шеффера (И – НЕ) | |||||
| Тривиальная |
ПРИЛОЖЕНИЕ 2
Основные правила алгебры логики
| № | Название | Содержание |
| Аксиомы: | | |
| Переместительный закон: | | |
| Сочетательный закон: | | |
| Закон повторения: | | |
| Закон обращения: | если то | |
| Закон нулевого множества: | | |
| Закон универсального множества: | | |
| Закон двойной инверсии: | | |
| Закон абсорбции отрицания: | | |
Распредели тельный закон: для умножения путем сложения | | |
для сложения путем умножения | | |
| Закон поглощения | | |
| Закон склеивания | | |
| Закон инверсии (двойственности), правило Де Моргана | | |
| Обобщенный закон двойственности (получите инверсной функции) | Здесь знак дизъюнкции знак конъюнкции |
ПРИЛОЖЕНИЕ 3
Основные логические элементы комбинационных схем
| Обозначение логического элемента | Реализуемая элементарная функции (операция) | Таблица переключений (истинности) | |||||||||||||||||||||
| Буквенно–цифровое | Графическое | ||||||||||||||||||||||
| И | | |
| ||||||||||||||||||||
| ИЛИ | | |
| ||||||||||||||||||||
| НЕ | | |
| ||||||||||||||||||||
| И – НЕ | | |
| ||||||||||||||||||||
| ИЛИ – НЕ | | |
| ||||||||||||||||||||
| 2И – ИЛИ – НЕ | | |
| ||||||||||||||||||||
| «ЗАПРЕТ» | | |
|
ПРИЛОЖЕНИЕ 4
Функциональные элемент комбинационных схем
| Название | Условное графическое обозначение | Таблица приключений (истинности) | |||||||||||||||||||||||||||||||||||||||||||||||||||||||||||||||||||||||||||||||||||||||||||||
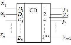
| Шифратор (CD) | |
| |||||||||||||||||||||||||||||||||||||||||||||||||||||||||||||||||||||||||||||||||||||||||||||
| Дешифратор (DC) | |
| |||||||||||||||||||||||||||||||||||||||||||||||||||||||||||||||||||||||||||||||||||||||||||||
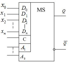
| Мульти-плексор (MS) | |
| |||||||||||||||||||||||||||||||||||||||||||||||||||||||||||||||||||||||||||||||||||||||||||||
| Демульти-плексор (DMS) | |
| |||||||||||||||||||||||||||||||||||||||||||||||||||||||||||||||||||||||||||||||||||||||||||||
| Програм-мируемые логические матрицы (PLM) | | Реализует систему функций алгебраически: -- - - - - - - - - - - - - - - - - - |
ПРИЛОЖЕНИЕ 5
Петербургский государственный университет путей сообщения
Электромеханический факультет
Кафедра «Электроснабжение железных дорог»
то
для умножения путем сложения
Здесь
знак дизъюнкции
знак конъюнкции
-- - - - - - - - - - - - - - - - - -






