(формула Д.И.Журавского для τ)
При плоском поперечном изгибе в сечении балки возникают как нормальные (s), так и касательные (t) напряжения, равнодействующими которых являются изгибающий момент (М) и поперечная сила (Q), соответственно.
Рассмотрим простую балку в состоянии плоского поперечного изгиба.

Рис.4.22
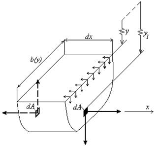
Выделим элемент балки длиной dx на расстоянии х от опоры 0. В левом сечении балки, согласно методу сечений, действуют положительные поперечная сила Q и изгибающий момент М, в правом сечении – поперечная сила Q и изгибающий момент М + dМ. В левом и правом сечениях на расстоянии у1 от главной центральной оси z выделим, симметрично относительно оси у, элементарные площадки с площадью dA и приложим к ним нормальные и касательные напряжения, соответствующие действующим внутренним усилиям. Также как и момент М, нормальные напряжения в правом сечении будут больше, чем в левом, на величину ds.
![]() |

Рис.4.23
Заметим, что наряду с касательными напряжениями tу, в сечениях будут действовать также касательные напряжения tz. Однако, у балок, сечения которых симметричны относительно оси у, что имеет место при плоском поперечном изгибе, эти напряжения малы и распределены по сечению симметрично относительно оси у (см. рис.4.23), поэтому ими пренебрегают. Также заметим, что напряжения tz играют существенную роль при расчете балок из тонкостенных несимметричных профилей.
Определим напряжения ty (индекс «у» у напряжений в дальнейшем будем опускать). Для этого плоскостью, параллельной нейтральному слою, расположенной от него на расстоянии у, рассечем элемент и рассмотрим равновесие нижней его части (рис.4.24).

Рис.4.24
Согласно закону парности касательных напряжений, по площади горизонтального сечения, перпендикулярно ребру, будут действовать касательные напряжения, которые равны по величине касательным напряжениям t, действующим в поперечном сечении на уровне у. Обозначим через А1 – площадь части поперечного сечения, расположенной ниже уровня горизонтального сечения (у).
Используем следующие допущения:
1) касательные напряжения равномерно распределены по ширине сечения;
2) при определении t будем пользоваться формулой для s, полученной при чистом изгибе;
3) продольные волокна балки не надавливаются друг на друга (sy =0).
Заметим, что по длине элемента dx, из-за ее малости, напряжения t также распределены равномерно.
Запишем уравнение равновесия для проекций сил на ось х
.
Здесь интегралы представляют собой равнодействующие нормальных напряжений s, которые прикладываются по площади А1 левого и правого поперечных сечений. Приводя в полученном уравнении подобные члены, выразим искомые касательные напряжения. При этом внесем под знак интеграла длину элемента dx, как величину, не зависящую от переменной интегрирования. В результате получим
. (4.9)
Выполним в этом соотношении ряд преобразований и подстановок. Представим интеграл в виде
, куда подставим выражение для нормальных напряжений, записанное согласно принятому допущению 2. В результате будем иметь
.
Напомним, что второе дифференциальное соотношение Журавского имеет вид
, где Q – поперечная сила в сечении. С учетом этого, рассматриваемый интеграл запишется в форме
.
Вынесем за знак интеграла величины, которые не зависят от переменной интегрирования, и подставим полученное выражение в формулу (4.9)
.
Здесь:
- статический момент относительно главной центральной оси z отсеченной части площади поперечного сечения А1. С учетом этого формула для касательных напряжений t при ППИ (формула Д.И.Журавского) принимает вид
(4.10)
Напомним обозначения, входящие в формулу Журавского:
Q – поперечная сила в сечении, в котором определяются напряжения t;
Iz – момент инерции поперечного сечения относительно оси z;
b(y) – ширина сечения на уровне, где определяется напряжения;
– статический момент относительно оси z части площади, которая лежит либо выше (АотсВ), либо ниже (АотсН) уровня, где определяются касательные напряжения t (см. рис.4.25).
Последнее положение требует пояснения. Согласно теореме сложения, статический момент всего поперечного сечения относительно оси z равен
, где
и
статические моменты верхней и нижней частей сечения относительно оси z.

Рис.4.25
С другой стороны, поскольку ось z является центральной,
. Отсюда следует
. В формулу Журавского подставляется абсолютная величина рассматриваемых статических моментов, т. е.
, где

В этих формулах:
,
- площади верхней и нижней частей сечения;
,
- расстояния от оси z до центра тяжести верхней и нижней частей сечения.
Отметим, что знак касательных напряжений, вычисляемых по формуле Журавского, определяется только знаком поперечной силы Q.
