1. Прямоугольное сечение
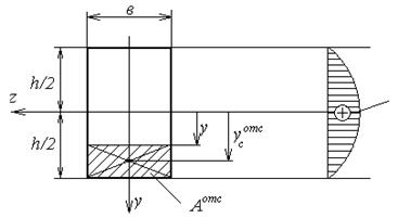
Определим для балки прямоугольного сечения касательные напряжения t в произвольной точке (на расстоянии у от оси z, см.рис.4.26) заданного сечения и построим эпюру t.
Полагаем, что в заданном сечении Q >0. Используя формулу Журавского (4.10), определим напряжения t на уровне y. Для этого запишем соотношения для всех величин, входящих в формулу Журавского, через размеры прямоугольного сечения
;
;
;
;
;
.

Рис.4.26
Подставим эти соотношения в формулу (4.10), получим
; либо 
Из полученных формул видно, что t по высоте сечения изменяется по закону квадратной параболы.
Строим эпюру t по трем точкам:
1) на контуре при
, имеем t =0.
2) на оси при y=0:
.
Учитывая, что bh=A – площадь сечения, для прямоугольного сечения получаем:
(4.11)
2. Круговое сечение
Эпюра t для балки кругового сечения при Q> 0 имеет такую же форму, но другое максимальное значение напряжений (см. рис.4.27).

Рис.4.27
3. Двутавровое сечение
Представим двутавровое сечение в виде трех прямоугольников (рис.4.28). Для стенки двутавра эпюра t строится так же, как и для прямоугольного сечения. Заметим, что для стандартного двутаврового сечения в сортаменте приводится статический момент полусечения (Sx либо max S), подстановка которого в формулу (4.10)
= Sx = max S, наряду с подстановкой Iz =
и b(y)=d (эти величины берутся также из сортамента), дает максимальное значение напряжений в стенке двутавра (max t). В случае рассматриваемого нестандартного сечения значения Iz и
следует вычислять, как для сложного сечения, состоящего из трех прямоугольников.
Определим напряжения t в точке К, лежащей на границе полки и стенки.

Рис.4.28
Заметим, что со стороны стенки b(y)=b, а со стороны полки – b(y)=d. Таким образом, напряжения на границе между стеной и полкой со стороны полки (tп) и со стороны стенки (tст) будут соответственно равны
,
.
Здесь:
- статический момент полки относительно оси z.
Для стандартного профиля величина
определяется по формуле
, где:
- статический момент полустенки (величины h, t, d берутся из сортамента)
.
Для рассматриваемого нестандартного сечения
, где: площадь полки Ап=b×t, расстояние от оси z до центра тяжести полки
.
Сравнивая выражения для напряжений tп и tст, получим
.
Заметим, что для стандартных профилей отношение b / d изменяется в пределах от 12 до 24, т.е. минимальные касательные напряжения, возникающие в стенках двутавровых балок, оказываются более чем на порядок выше максимальных касательных напряжений в полке. Кроме того, в точке В, лежащей на контуре полки на уровне точки К, отсутствует внешняя нагрузка, а следовательно отсутствуют и касательные напряжения (t = 0), Это указывает на неравномерность распределения t по ширине полки, что противоречит допущению, положенному в основу вывода формулы Журавского. Таким образом, формула Журавского для определения t в полке двутавра не применима. В этой связи, а также учитывая, что tп << tст, касательными напряжениями в полках двутавра пренебрегают и строят для этого профиля, так называемую, действительную эпюру t (только для стенки). На рис.4.28 для случая Q >0 приведены условная и действительная эпюры для балки двутаврового сечения при плоском поперечном изгибе.
В общем случае формула Журавского применима для балок, сечение которых не имеет резких изменений по высоте.
Максимальные касательные напряжения в сечении, как правило, действуют в области оси z, однако есть исключения (сечения, вытянутые в области оси z по ширине).