Принципиальная схема приведена на рис.74.

Рисунок 74.Быстродействующий короткозамыкатель.

1-катущка;
2- палец;
3-якорь;
4-пружина;
5-зубчатый сектор;
6,7-контакты мгновенного действия;
8-шестерня;
9-подвижный контакт;
10-неподвижный контакт;
11-шкала.
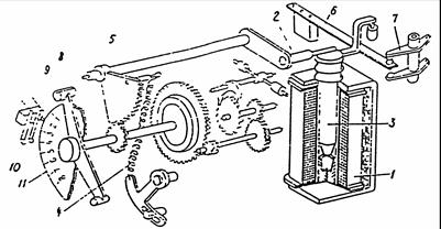
Рисунок 68. Кинематическая схема реле времени серии ЭВ.

1-электромагнит; 2- короткозамкнутые витки; 3- диск; 4- рамка; 5- пружина; 6- постоянный магнит;7- червяк; 8- зубчатый сегмент; 9- коромысло; 10- якорь; 12- контакты; 13- винт; 14- штепсель; 15- гнезда планки; 16- винт; 17,11- упоры рамки; 18- подшипник; 19- обмотка; 20- упор.
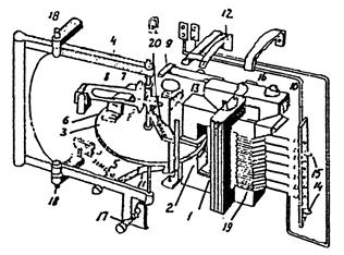
Рисунок 69. Реле серии РТ-80.

а- общий вид; б- схематический разрез; 1- основание; 2- крышка; 3- шина; 4- неподвижный контакт; 5,6- подвижный контакт; 7- гибкий проводник; 8 шина расцепителей; 9- якорь электромагнита; 10-сердечник электромагнита; 11- пружина; 12- термобиметаллический элемент; 13-ось;14-16- рычаги механизма свободного расцепителя; 17- рукоятка; 18- дугогасительная решетка; 19-отключающая пружина; 20- собачка расцепителя.
Рисунок 70. Автомат серии А3100.

1-предохранители ПК; 2- каркас для предохранителей; 3-резиновые шайбы; 4- отключающая пружина; 5- неподвижный контакт рабочего контура; 6- дугогасительная камера; 7- неподвижный контакт рабочего контура; 8- подвижный контакт дугогасительного контура (нож); 9-подвижный контакт рабочего контура; 10- стальные полосы.
|
|
|
Рисунок 71. Выключатель нагрузки ВНП-16.

а- общий вид; б- бак выключателя; 1- рычаг; 2- отключающая пружина; 3- тяга; 4- вал; 5- рама; 6- изоляторы; 7- бак; 8 и 17- пробки; 9- механизм управления; 10- токосъемное устройство; 11 и 20- фланцы; 12- стержневой контакт; 13- камера поперечного дутья; 14- маслоуказательное стекло; 15 и 25- крыши; 16- отверстие; 18 и 22- выводы; 19- розеточный контакт; 21- цилиндр; 23- направляющая; 24- корпус.
Рисунок 75. Масляный выключатель ВМП-10.

1- бак; 2- трубчатые нагреватели; 3- траверса с подвижными контактами; 4- дугогасительное устройство с шунтом; 5- направляющее устройство; 6- изоляция бака; 7- трансформаторы тока; 8- механизм выключателя; 9- маслонаполненный ввод.
Рисунок 76. Разрез полюса выключателя.
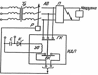
Главная задача аппарата – осуществить быстрое К3 цепи (за 1-2 мс). В качестве привода контактов используют ИДП.
Конденсатор С заряжается от постороннего источника. При возникновении аварии в нагрузке датчик тока открывает тиристор К и конденсатор С разряжается на катушку ИДП (У0). Диск привода перемещает подвижные контакты и замыкает три фазы на питающем трансформаторе.
Учитывая быстродействие датчика тока и привода ИДП, длительность пребывания тиристоров преобразователя под большим током резко ограничивается. При замыкании вспомогательных контактов ВК подается команда на расцепитель Р автомата АВ. Происходит отключение автомата. Существенным осложнением применения короткозамыкателей является большие эл. динамические силы, возникающие в обмотках трансформатора.
|
|
|
От трансформатора требуется повышенная динамическая стойкость.
Литература:
1. Чунихин А.А. «Электрические аппараты», М.: Энергоатомиздат,
1988-720 с.
2. Под редакцией Таева И.С. «Основы теории электрических аппаратов», М,: Высшая школа, 1987.






