Методы контурных токов и узловых напряжений
Для разветвленных электрических схем метод уравнений Кирхгофа приводит к необходимости решения большого количества уравнений. Уменьшить количество уравнений анализа электрических цепей, отдельно метод контурных токов и узловых напряжений.
С помощью метода контурных токов анализируют цепи, решая не
уравнений (количество ветвей), а
(количество независимых контуров) для схем, которые содержат идеальные и реальные источники напряжения (рисунок 2.5 и рисунок 3.7 соответственно). В схемах с источниками тока последние следует заменить эквивалентной схемой (рисунок 3.9).
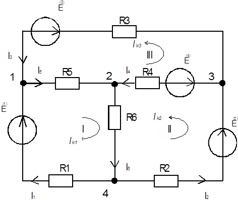
Рассмотрим этот метод на примере схемы (рисунок 3.11). Пронумеруем узлы и обозначим число независимых контуров:
. Выберем для анализа независимые контуры
. Зададим приблизительно направление тока в ветвях и направление обхода контуров.

Рисунок 3.11 Схема соединения сопротивлений и источников ЭДС
По второму закону Кирхгофа составим уравнение для первого контура:

Выразим токи «внутренних» ветвей
через токи «внешних» цепей
. По первому закону Кирхгофа для узлов
и
запишем:
|
|
|
;
, откуда
;
.
Тогда уравнение для первого контура примет вид:
.
Сгруппировав слагаемые с одинаковыми членами, получим:
. (3.10)
Введем понятия контурных токов, контурных ЭДС и сопротивлений. Контурный ток
– ток в главной ветви, номер которой совпадает с номером контура и которая является внешней
.
Другими словами, это токи внешних ветвей, которые как бы соединяются в соответствующих контурах. Для удобства будем считать, что направление контурного тока совпадает с направлением обхода соответствующего контура. В общем, контурные токи – это условные величины, но иногда они могут совпадать с токами ветвей схемы.
Контурная ЭДС
-го контура
равна алгебраической сумме всех ЭДС, которые входят в этот контур. Для рассмотренного примера:
;
;
.
Собственное сопротивление
-го контура
равно сумме всех сопротивлений, которые образуют этот контур:
;
;
.
Взаимное сопротивление
-го и
-го контуров
равно сопротивлению ветви, которая входит в эти контура, со знаком “плюс”, если направления контурных токов в ней совпадают и со знаком “минус”, если они противоположны. Для схемы (рисунок 3.11) имеем:
;
;
.
С учетом введенных обозначений, уравнение (3.10) будет таким:

Записав аналогично уравнения для второго и третьего контуров, получим систему уравнений, из которой можно определить любой контурный ток:
(3.11)
или в матричной форме:
(3.12)
где
– квадратная симметричная матрица сопротивлений, число столбцов и строк которой равно
;
– матрицы – столбцы контурных токов и Э.Д.С. соответственно.
|
|
|
Также МКТ позволяет решить задачу анализа схемы с числом уравнений
. Найдем из (3.2) первый контурный ток.
.
где
– обозначение и алгебраическое дополнение матрицы резисторов.
Аналогично можно найти любой (
– й) контурный ток в схеме:
, (3.13)
где
– количество независимых контуров;
;
;
– обозначения и алгебраические дополнения матрицы резисторов;
– элемент матрицы - столбца контурных Э.Д.С.
Токи внутренних ветвей записываются как линейная комбинация контурных токов. Для схемы (рисунок)
;
;
.