Распределение токов и напряжений в электрической цепи не изменится, если один из узлов (любой) заземлить, чтобы сделать его потенциал нулевым.
Базисным называется узел, потенциал которого равен нулю. Напряжения других узлов схем, которые отсчитываются относительно базового узла, называются узловыми напряжениями. Узловые напряжения принято закорачивать к точке заземления (рисунок 3.12). Ток в ветви, которая соединяет узел с базисным узлом, определяется по закону Ома:
;
. Напряжение
между узлами, ни один из которых не является базисным, определяется по второму закону Кирхгофа (рисунок 3.13):
;
.

Рисунок 3.12 Схема поясняющая принцип заземления узлов в электрической цепи

Рисунок 3.13 Конечная схема соединений проводимостей после применения принципа заземления узлов
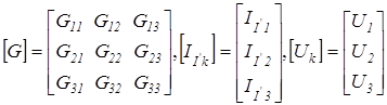
Анализируя электрическую цепь по методу узловых напряжений, необходимо произвести эквивалентную замену источников Э. Д. С. источниками тока. Проведем такую замену для электрической цепи (рисунок 3.11). Обозначим источник тока
, а токи в ветвях –
(рисунок 3.14).
|
|
|

Рисунок 3.14 Схема соединения сопротивлений после эквивалентной замены источников ЭДС источниками тока
Выберем как базисный, узел
, и запишем по первому закону Кирхгофа уравнение для узла
:
, (3.14)
или
.
Воспользуемся законом Ома и выразим токи через узловые напряжения:
;
; 
Подставив эти значения в последнее уравнение, получим:
;

Группируя дополнения, запишем:
. (3.15)
Обозначим
– собственная проводимость
- го узла, которая равняется сумме проводимостей ветвей, прилегающих к
-ому узлу 
;
– общая проводимость
-го и
- го узлов, - которая равна сумме проводимостей ветвей которые объединяют эти узлы, со знаком «минус»
;
– узловой ток любого
- ого узла, который приравнивается алгебраической сумме токов независимых источников, которые собираются в
–ом узле
. Источники тока, которые входят в узел (вытекают из узла) входят в узловой ток
со знаком «плюс» («минус»).
Учитывая, эти значения. Запишем уравнение (3.15) в виде:
.
Записав аналогичные уравнения для узлов
и
, получим систему:
(3.16)
или в матричной форме:
,
где
– матрицы проводимостей, узловых токов и узловых напряжений, соответственно.
Выразим из системы (3.16) узловое напряжение какого-нибудь узла по формуле:
, (3.17)
где
– определитель и алгебраическое дополнение матрицы проводимостей
;
– число независимых узлов;
;
.
Напряжения на проводимостях, которые не соединены с базовым узлом, обозначаются как линейная комбинация узловых напряжений. Для схемы (рисунок 3.14):

Токи ветвей определяются по закону Ома:
Токи ветвей выходной схемы (рисунок 3.14)
определяются по первому закону Кирхгофа с учетом выбранных направлений. Например, для узла 
|
|
|
(рисунок 3.14) имеем:
, откуда
; для узла
:
, откуда
.
Для закрепления полученных знаний при изучении подраздела 3.5 дайте письменные ответы на контрольные вопросы, приведенные ниже.