Временные характеристики цепей
Ранее мы рассматривали частотные характеристики, а временные характеристики описывают поведение цепи во времени при заданном входном воздействии. Таких характеристик всего две: переходная и импульсная.
Переходная характеристика - h(t) - есть отношение реакции цепи на входное ступенчатое воздействие к величине этого воздействия при условии, что до него в цепи не было ни токов, ни напряжений.
Ступенчатое воздействие имеет график:

1(t) – единичное ступенчатое воздействие.

Иногда используют ступенчатую функцию, начинающуюся не в момент «0»:


Для расчёта переходной характеристики к заданной цепи подключают постоянный ЭДС (если входное воздействие – напряжение) или постоянный источник тока (если входное воздействие – ток) и рассчитывают заданный в качестве реакции переходный ток или напряжение. После этого делят полученный результат на величину источника.
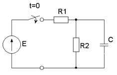
Пример: найти h(t) для uc при входном воздействии в виде напряжения.
|
|
|

1)
,
2)
,
3)
,
,

,
,

Пример: ту же задачу решить при входном воздействии в виде тока

1)
,
2)
,
3)
,
,

,
,







