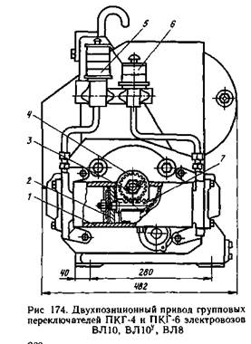
Он имеет два фиксированных положения, соответствующих двум соединениям тяговых двигателей. В двухпози-ционном приводе имеется один цилиндр / (рис. 174) с двумя поршнями 2 и зубчатой рейкой 7, связанной с шестерней
4 кулачкового вала 3. Управление приводом осуществляется вентилями выключающим 5 и включающим 6, пневматически соединенными с полостями цилиндра /.
Когда катушки вентилей не возбуждены, сжатый воздух через клапан вентиля
5 поступает в первую полость цилиндра,
|
вторая полость которого через клапан вентиля 6 сообщена с атмосферой. Под действием сжатого воздуха поршень вместе с зубчатой рейкой перемещается, поворачивая шестерню и кулачковый вал, чем фиксируется первое положение переключателя.
Для того чтобы получить второе положение, возбуждают катушки вентилей. При этом вторая полость цилиндра через клапаи вентиля 6 сообщается с источником сжатого воздуха, а первая через клапан вентиля 5 соединяется с атмосферой. Под действием сжатого воздуха на поршень цилиндра зубчатая рейка перемещается в другое крайнее положение, поворачивая шестерню и кулачковый вал. При этом фиксируется второе положение группового переключателя.
Привод группового переключателя (рис. 75) двухпозиционный. Цилиндр привода представляет собой стальную трубу 2, на концах которой напрессованы и приварены держатели 8, служащие для крепления крышек к цилиндру и самого цилиндра к каркасу аппарата.
Крышки / цилиндра отлиты из чугуна. Воздух подается по трубопроводу от вентиля в держатель 8 и далее через систему отверстий в крышку. Таким образом, съем крышки для сборки или ревизии цилиндра возможен без съема системы трубопровода.
Два поршня 3 цилиндра скреплены между собой зубчатой рейкой 5. Фиксация положений поршня привода осуществляется упорами 4. Для предотвращения утечки воздуха в поршне установлены две резиновые манжеты 6 и войлочное кольцо 7, которое служит также для смазывания внутренней поверхности (зеркала) цилиндра.







