Данные функции в модулях МААЛ реализуются следующим образом.
7.2.1 Функция В-Battery feed - электропитание, I0 = 60мА.
В отличие от аналоговых АТС, где ток питания микрофона телефонного аппарата подается из АК (через ИШК), возможны два способа организации электропитания:
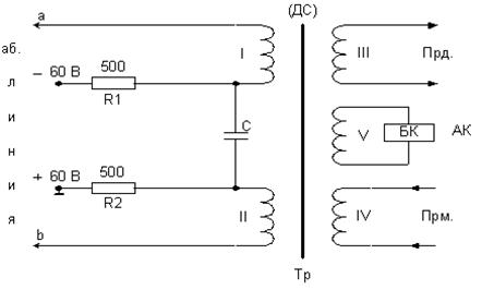
1)при первом способе ток питания микрофона ТА проходит через первичную обмотку трансформатора диффсистемы, как показано на рисунке 7.4.
Особенностью данной схемы является то, что постоянный ток питания микрофона протекает через первичные полуобмотки трансформатора. Это приводит к намагничиванию сердечника и уменьшению его магнитной проницаемости, что приводит к увеличению габаритных размеров трансформатора.

Рисунок 7.4 - Схема питания АК через обмотки трансформатора
Для обеспечения меньшей зависимости тока питания микрофона от сопротивления абонентской линии, а также для устранения короткого замыкания в абонентской линии в цепь питания включены дополнительные резисторы R1 и R2 по 500Ом.
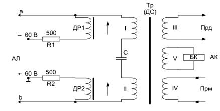
2) для уменьшения габаритных размеров трансформатора применяется вторая схема питания микрофона через дроссели. Схема питании АК через дроссели показана на рисунке 7.5.
|
|
|

Рисунок 7.5 - Схема питания АК через дроссели
Дроссели служат добавочными резисторами, так как их сопротивление достаточно велико на частотах разговорного спектра, то есть дроссели создают большое сопротивление для разговорных токов и предотвращают шунтирование токов через цепь питания микрофона.
7.2.2 Функция О - Over voltage - перенапряжение
Оборудование станции и оконечные устройства должны быть защищены как от случайных разовых воздействий, например, удара молнии или касания высоковольтных линий, так и от постоянных воздействий индуктивного характера со стороны идущих параллельно высоковольтных линий и электрифицированных железных дорог. Схема включения разрядников и предохранителей в кроссе показана на рисунке 7.6.

Рисунок 7.6 - Схема включения разрядников и предохранителей в кроссе
Эта защита осуществляется с применение защитных устройств в кроссе
(разрядников, предохранителей, термокатушек).
Для защиты от перенапряжения электронных устройств в АК используются включенные встречно друг другу полупроводниковые диоды, вольтамперная характеристика которых (ВАХ) (показана на рис.7.8) имеет различную крутизну при различных напряжениях. Схема включения диодов представлена на рисунке 7.7.

Рисунок 7.7- Схема включения диодов Рисунок 7.8- ВАХ диодов
При малом напряжении, приложенном к диоду (U < Uзащ) диод закрыт, и ток через него не идет. При U > Uзащ диод открывается, сопротивление p-n перехода падает и ток возрастает, то есть при превышении напряжения, приложенного к диоду Uзащ, пара диодов шунтирует перенапряжение проводе «а» и проводе «b» на землю. Пары диодов включены так, чтобы защита работала при любой полярности высокого напряжения на проводах «a» и «b». Д1 и Д2 защищают провод «а», Д3 и Д4 защищают провод «b».
|
|
|
7.2.3 Функция R – Ringing- посылка вызова (ПВ)
Эта функция используется при индукторном способе посылки вызова, при котором подается сигнал напряжением 80-100 В и f = 25 Гц. От этого переменного тока работает обычный поляризованный звонок в телефонном аппарате.
Реализуется посылка вызова с использованием электромеханических контактов герконовых реле, через которые подключается генератор вызывных сигналов и отключается абонентская линия от станционных устройств. Схема использования электромеханических контактов для ПВ показана на рисунке 7.9.

Рисунок 7.9- Схема использования электромеханических контактов для ПВ
Реле посылки вызова управляется от УУ МААЛ. Периодичность посылки вызова задается УУ(1с – сигнал, 4 с – пауза).
Возможен тональный способ посылки вызова, при котором в телефонный аппарат передается сигнал напряжением 5 В и f = 425 Гц. Этот способ посылки вызова возможен в телефонный аппарат, где вместо поляризованного звонка используется ТВУ (пьезоэлектрический излучатель).
7.2.4 Функция S - Supervision - контроль за состоянием шлейфа
Контроль за состоянием абонентской линии необходим для опознавания сигналов: вызов станции, ответ и отбой абонента, набор номера при шлейфном способе.
Сигналом вызова станции является замыкание цепи постоянного тока через телефонный аппарат вызывающего абонента при снятии им микротелефонной трубки
Сигналом ответа абонента служит изменение сопротивления телефонного аппарата вызываемого абонента по переменному току при снятии им микротелефонной трубки.
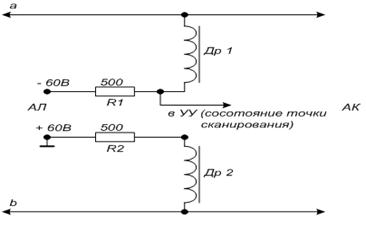
Состояние шлейфа абонентской линии определяется по изменению тока питания абонентской линии. Это изменение воспринимается ключевой схемой (точка сканирования), показанной на рисунке 7.10.
При разомкнутом шлейфе U = 0 в точке сканирования, при замыкании шлейфа потенциал в этой точке передается в УУ МААЛ.

Рисунок 7.10- Схема контроля за состоянием шлейфа
7.2.5 Функция С - Coding - кодирование
На передаче: кодирование – кодер. На приеме: декодирование – декодер.
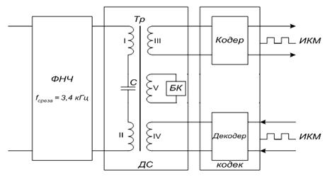
Совместная схема кодек-декодер показана на рисунке 7.11.

Рисунок 7.11- Схема кодирования и схема диффсистемы
Перед кодеком ставится ФНЧ с частотой среза f среза =3,4 кГц, представленный на рисунке 7.12.

Рисунок 7.12 - Схема фильтра нижних частот
ФНЧ необходим для выделения низкочастотной составляющей на приемном конце разговорного тракта и предотвращения проникновения токов с частотами, лежащими выше f среза фильтра, на передающем конце, устраняя этим искажения за счет возможного проникновения комбинационных частот.
Кодеки обычно делают групповыми, то есть один на 8(16) абонентских линий. Схема группового кодека показана на рисунке 7.13.

Рисунок 7.13- Схема группового кодека на 8(16) абонентских линий
7.2.6 Функция Н – Hybrid – диффсистема.
Служит для разделения цепей передачи и приема, а также для перехода от 2-хпроводной абонентской линии на 4-хпроводный тракт ИКМ.
Диффсистема необходима для предотвращения попадания сигнала с выхода АК на вход, и наоборот. Для согласования с абонентской линией в диффсистему включается балансный контур (БК), который обычно представляет собой RC-цепочки.
В некоторых системах используется электронная диффсистема на операционных усилителях и с автоматической настройкой БК для повышения качества связи (дорого).
7.2.7 Функция Т- Testing – тестирование.
Проверка состояния абонентской линии (тестирование) выполняется постоянным током, который выдается из АК в линию. Схема тестирования показана на рисунке 7.14.
|
|
|
Для испытаний используются испытательные схемы, которые подключаются через электромеханические контакты герконового реле «И». Во время проверки АК отключается от проводов «а» и «b», К этим проводам подключают испытательные устройства.
Могут производиться следующие проверки абонентских линий (АЛ):
- измерение постоянного и переменного напряжения на проводах «а» и «b»;
- проверка на короткое замыкание проводов «а» и «b»;
- проверка соединения проводов с землей;
- проверка сопротивления шлейфа АЛ;
- проверка сопротивления изоляции.
Эти проверки могут выполняться по заявкам оператора, также возможна оперативная проверка АЛ при каждом установлении соединения.

Рисунок 7.14 - Схема тестирования
С учетом задач BORSCHT можно изобразить структурную схему модуля аналоговых абонентских линий с распределением на ней всех основных функций. Такая структурная схема МААЛ показана на рисунке 7.15.

Рисунок 7.15 - Структурная схема МААЛ с учетом функций BORSCHT