Жидкость, находящаяся в покое или движении, обладает определенным запасом механической энергии Е, т.е. способностью производить работу.
Механическую энергию, как известно, можно представить в виде

| где | | - полная энергия потока жидкости, ; |
| - потенциальная энергия, ; | |
| - кинетическая энергия, . |
Если покоящаяся жидкость обладает только потенциальной энергией, то движущаяся – потенциальной и кинетической энергиями.
Различают следующие виды потенциальной энергии: потенциальная энергия положения
и потенциальная энергия давления
.
Отсюда механическую энергию потока жидкости в общем случае можно представить как
, (66)
Потенциальная энергия положения
выражает возможность совершения жидкостью работы при ее снижении до условного уровня
(плоскости отсчета).
Величина
определяется произведением веса жидкости
на расстояние
от центра тяжести рассматриваемого сечения до плоскости отчета.
Потенциальная энергия давления
выражает возможность совершения работы за счет гидростатического давления, возникающего в жидкости из-за ее весомости, или другими словами, это та работа, которую может совершить жидкость весом
, поднимаясь на пьезометрическую высоту
под воздействием гидродинамического давления
.
Величина
определяется произведением веса жидкости
на пьезометрическую высоту
.
Кинетическая энергия жидкости
определяется произведением веса жидкости
на высоту (скоростную)
, с которой должно свободно упасть тело, чтобы приобрести скорость
(рис. 24). Величина
называется также скоростным напором.
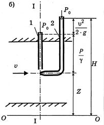
| |
Рис. 24. Схема к понятию полного напора жидкости в сечении
:
а – безнапорный поток; б – напорный поток;
1 - пьезометр; 2 - трубка Пито;
- плоскость сравнения (отсчета);
- давление на свободную поверхность жидкости.
Величину
можно измерить в натуре, если опустить в движущуюся жидкость (рис. 24) скоростную трубку, изогнутую в направлении, противоположном движению.
Отсюда полная механическая энергия потока жидкости выражается в виде
, (67)
В гидравлике принято относить механическую энергию потока жидкости к единице веса объема и называть ее удельной энергией жидкости, обозначая буквой (e):

| где | | - удельная энергия жидкости, ; |
| - полная энергия потока жидкости, | |
| - вес единицы объема жидкости, . |
Поскольку единицей измерения механической энергии жидкости является
, а веса –
, то единицей измерения удельной энергии жидкости является метр

Отсюда
, (68)
| где | | - полная удельная энергия потока жидкости, ; |
| - удельная энергия положения, ; | |
| - удельная энергия давления, ; | |
| - удельная кинетическая энергия, . |
Полная удельная энергия потока жидкости выразится в виде
, (69)
В технической литературе по гидравлике и гидравлическим машинам вместо выражения «удельная энергия» часто употребляют выражение «напор» и обозначают буквой
:
,
где
- удельная энергия жидкости,
;
-напор гидродинамический,
.
Кроме того, вместо термина «удельная потенциальная энергия» - «пьезометрический напор» или «гидродинамический напор»; вместо выражения «удельная кинетическая энергия» - «скоростной напор».
Отсюда, напор
представляет собой механическую энергию потока жидкости, протекающей через живое сечение потока в единицу времени, отнесенную к единице веса объема жидкости.
Иначе, напор – это мера механической энергии, принадлежащей единице веса жидкости.
;