Теоремы булевой алгебры
Функция равнозначности (инверсия суммы по модулю 2)
|
|
|
| 1) Переместительный закон |
|
| 2) Сочетательный закон |
|
| 3) Распределительный закон |
|
| 4) Закон склеивания |
|
| 5) Закон поглащения |
|
| 6) Законы Де-Моргана |
|
Стандартные серийные микросхемы часто состоят из элементов (вентилей) только одного типа. Например «2И-НЕ», «3И-НЕ», «3ИЛИ-НЕ».
В связи с этим, возникает задача реализации булевой функции (БФ) в базисе с ограничениями, это означает, что схема для реализации заданной функции может быть построена на элементах только одного или двух указанных условий и типов.
Для преобразования исходной БФ к заданному базису используется методика, в основе которой лежит применение законов Де-Моргана.
Методика преобразования состоит из двух пунктов.
1.Замена в исходном выражении несоответствующих функций на базисную («И» на «ИЛИ», «ИЛИ» на «И»).
2.Группировка переменных в термах и самих термов соответственно числу входов базисного элемента.
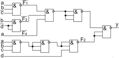
Пример: Реализовать ДНФ в базисе «3И-НЕ»

1 шаг. Замена функции «ИЛИ» на «И-НЕ».

На этом шаге получено функциональное соответствие формулы заданному базису (т.е. в формуле присутствует только умножение с инверсией «И-НЕ»).
2 шаг. Необходимо сгруппировать переменные в термах Fi, а также сами термы, так чтобы число аргументов в каждом произведении было не больше числа входов базисного элемента, т.е. не больше трех, для данного случая. Группировка выбирается путем заключения в скобки (скобки обозначают приоритетное выполнение, что в схеме реализуется на более раннем уровне). Так как каждая инверсия в формуле (кроме инверсии входных сигналов) реализуется в схеме одним элементов («3И-НЕ»), то чтобы реализовать скобки, то есть обеспечить приоритет, и при этом сохранить тождество, необходимо над фрагментов, взятым в скобки, поставить двойную инверсию. В схеме двойная инверсия реализуется последовательно из двух элементов.

Полученная формула является конечным результатом, т.к. полностью соответствует ограничения базиса.
Определим по формуле параметры схемы:
1. Число элементов в схеме (без учета инверсии входных сигналов) равно число инверсий в полученной формуле. NЭЛ=8.
2. Число уровней схемы равно числу инверсий в самом большом слое. NУР=4.
3. Если расчетное время задержки одного элемента τэл-та=10нс, то общее время задержки схемы определяется:
τсх=NУР * τэл-та.
И в данном случае оно равно τсх=4 * 10=40нс
Логическая схема нашей формулы имеет вид:

Из практики известно, что:
- чем меньше число входов базисного элемента, тем больше элементов потребуется для реализации схемы.
- для реализации ДНФ подходит базис «И-НЕ», а для реализации КНФ – «ИЛИ-НЕ».
Для подтверждения положений преобразуем эту же ДНФ к базису «3ИЛИ-НЕ», используя ту же методику.

NЭЛ=9; NУР=5; τсх=5 * 10=50нс
Еще одной важной характеристикой схемы является цена по Квайну, которая определяется суммарным числом входов всех элементов схемы.
Для данного примера цена по Квайну равна:
СКВ=NЭЛ * NВХ=9 * 3=27 входов
Для предыдущего примера («3И-НЕ») цена по Квайну:
СКВ=8 * 3=24 входов
Очевидно, что исходную функцию лучше реализовывать на элементах «И-НЕ».






