Так как дешифраторы и мультиплексоры являются комбинационными схемами, их можно использовать для реализации булевых функций и их схем. При этом DC и MUX можно использовать как отдельно, так и в комбинации.
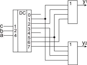
Пример 1 – Реализация СБФ на одном дешифраторе (тривиально)
Пусть СБФ задана таблицей истинности:
| a | b | c | y1 | y2 |

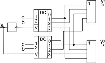
Пример 2 – Реализовать на DC 2à4 функцию от 3х переменных y=f (a,b,c),
Используя таблицу из предыдущего примера.

Пример 3 – Реализовать функцию y на мультиплексоре (тривиально).
Функция задана таблицей истинности:
| a | b | c | y |
Логическая схема имеет вид:

Для тривиальной реализации функции на мультиплексоре достаточно, чтобы число адресных входов совпадало с числом аргументов функции.
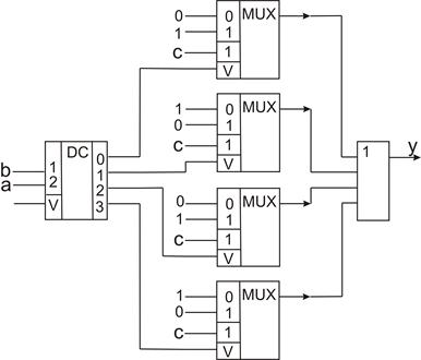
Пример 4 – Реализовать СБФ на мультиплексорах, если число аргументов функции больше на 1, чем число адресных входов мультиплексора.
Таблица истинности из предыдущего примера. Мультиплексор возьмем 4->1.
Для решения задачи добавим в таблицу столбец y' и сравним его со значением младшего бита (с) в каждой паре строк.
Таблица истинности:
| a | b | c | y | y' |
| c | ||||
| ||||
| c | ||||
| ||||
Получены четыре значения y', которые из преобразованной таблице переносятся на входы мультиплексора, при этом для адреса используются старшие биты (a,b).
Логическая схема имеет вид:

Для случаев, когда разница между числом аргументов функции и числом адресов мультиплексора составляет два бита и более, применяются схемы с каскадным соединением элементов, а также комбинированные схемы из дешифраторов и мультиплексоров.
Например, MUX 2 à 1
