Лекция 14
Конические передачи передают вращающий момент между валами с пересекающимися осями (от 100 до 1700, чаще всего под углом 90 0). Их зубья бывают прямыми, косыми, круговыми и обычно имеют эвольвентный профиль.
Конические зубчатые передачи по сравнению с цилиндрическими имеют большую массу и габариты, сложнее в изготовлении, а также монтаже, так как требуют точной фиксации осевого положения зубчатых колес.
Наибольшее распространение имеют конические передачи с прямыми и криволинейными зубьями; последние постепенно вытесняют передачи с тангенциальными зубьями.

Рис.14.1
Конические зубчатые колеса с криволинейными зубьями могут иметь круговую, эвольвентную и циклоидальную линию зубьев; наиболее распространенные колеса с круговыми зубьями.
Конические передачи с криволинейными зубьями по сравнению с прямозубыми имеют большую нагрузочную способность, работают более плавно, и следовательно, динамические нагрузки и шум при их работе меньше.
Рис.14.2
m – средний делительный окружной модуль;
|
|
|
d = mz – делительный диаметр среднего сечения;
z1 = 18...30 – число зубьев шестерни;
me – внешний делительный окружной модуль;
Сначала конструктор выбирает внешний окружной модуль mte, из которого рассчитывается вся геометрия зацепления, в частности, нормальный модуль в середине зуба
mnm= mte (1 – 0,5 b/Re ),
где: Re – внешнее конусное расстояние.
Силы в конической передаче действуют аналогично цилиндрической, однако следует помнить, что из-за перпендикулярности осей радиальная сила на шестерне аналогична осевой силе для колеса и наоборот, а окружная сила при переходе от шестерни к колесу только меняет знак
;
.
![]() |
Рис.14.3.
Прочностные расчёты конических колёс проводят аналогично цилиндрическим. Из условия контактной выносливости определяют внешний делительный диаметр dwe, из условия прочности на изгиб находят нормальный модуль в середине зуба mе. При этом в расчёт принимаются воображаемые эквивалентные колёса с числами зубьев Zэ1,2 =Z1,2 / cosd1,2 и диаметры dэ1,2 = me Z1,2 / cosd1,2. Здесь Z1, Z2, - фактические числа зубьев конических колёс. При этом числа Zэ1,2 могут быть дробными.
В эквивалентных цилиндрических колёсах диаметр начальной окружности и модуль соответствуют среднему сечению конического зуба, вместо межосевого расстояния берётся среднее конусное расстояние, а профили эквивалентных зубьев получают развёрткой дополнительного конуса на плоскость.
14.1. Расчёт закрытой конической зубчатой передачи
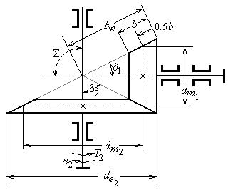
Рис.14.4 | Наибольшее применение в редукторостроении получили прямозубые конические колёса, у которых оси валов пересекаются под углом =90 (рис. 14.3). |
Проектный расчёт. Основной габаритный размер передачи - делительный диаметр колеса по внешнему торцу - рассчитывают по формуле [1]:
|
|
|
,
где: Епр - приведённый модуль упругости, для стальных колёс Епр =Естали= =2,1105 МПа;
T2 - вращающий момент на валу колеса, Нмм;
Kнβ - коэффициент неравномерности распределения нагрузки по длине зуба, определяют по графикам на рис.14.4.
Здесь Кbe - коэффициент ширины зубчатого венца относительно внешнего конусного расстояния,
.
Рекомендуют принять Кbe 0,3. Меньшие значения назначают для неприрабатываемых зубчатых колёс, когда H1 и H2 > 350 HB или V > 15 м/с.
Наиболее распространено в редукторостроении значение Кbe = 0,285, тогда предыдущее выражение для определения делительного диаметра по внешнему торцу колеса принимает вид
,
где: uр – расчетное передаточное число конической передачи.
.
Рис. 14.5
Геометрический расчёт. Определяют диаметр шестерни по внешнему торцу
.
Число зубьев шестерни
назначают по рекомендациям.
По значению
определяют число зубьев шестерни:
при Н1 и Н2 350 HB,
при Н1 45 HRC и Н2 350 HB,
при Н1 и Н2 45 HRC.
Вычисленное значение z1 округляют до целого числа.

Рис.14.6
Определяют число зубьев колеса
.
Вычисленное значение
округляют до целого числа. После этого необходимо уточнить:
- передаточное число передачи
,
- угол делительного конуса колеса
,
- угол делительного конуса шестерни
,
- внешний окружной модуль
.
Рекомендуется округлить
до стандартного значения mеф по ряду модулей: 1,5; 2; 2,5; 3; 4; 5; 6; 8; 10. После этого уточняют величины диаметров
и
.
Рассчитывают величину внешнего конусного расстояния передачи
.
Рабочая ширина зубчатого венца колеса
.
Полученное значение
округляют до ближайшего из ряда нормальных линейных размеров.
Определяют расчётный модуль зацепления в среднем сечении зуба
.
При этом найденное значение
не округляют!
Рассчитывают внешнюю высоту головки зуба
.
Внешнюю высоту ножки зуба определяют как
.
Внешний диаметр вершин зубьев колёс рассчитывают по формуле
.
Угол ножки зуба рассчитывают по формуле
.
Проверочный расчёт. При расчёте на выносливость зубьев колёс по контактным напряжениям проверяют выполнение условия
,
где: Eпр -приведённый модуль упругости, для стальных колёс Eпр = Eстали = =2,1105 МПа;
- вращающий момент на шестерне, Нмм,
;
здесь
- кпд передачи;
- коэффициент расчётной нагрузки,
; коэффициент концентрации нагрузки
;
- коэффициент динамической нагрузки, назначенной по окружной скорости
;
- делительный диаметр шестерни в среднем сечении зуба;
;
- угол зацепления,
=20.
Далее проверяют зубья колёс на выносливость по напряжениям изгиба по формулам:
и
,
где:
- окружное усилие в зацеплении, Н,
;
- коэффициент расчётной нагрузки,
. Здесь
, а
- коэффициент динамичности.
- коэффициент формы зуба соответственно шестерни и колеса, находят по таблице в зависимости от эквивалентного числа зубьев колёс
.
14.2. Проектный расчёт открытой конической прямозубой передачи
Модуль зацепления в среднем сечении зуба конического колеса рассчитывают по формуле
,
где:
и
=1,1…1,2.
Далее рассчитывают основные геометрические параметры зубчатых колёс открытой передачи:
- ширину зубчатого венца
(с округлением до целого числа по ряду нормальных линейных размеров);
- делительный диаметр в среднем сечении зуба шестерни
;
- по заданному (или принятому) передаточному числу uотк находим угол при вершине делительного конуса
;
- среднее конусное расстояние
;
- внешнее конусное расстояние
;
- модуль зацепления на внешнем торце
;
- внешний делительный диаметр шестерни
.
Проверочный расчет такой передачи на выносливость по контактным напряжениям выполняют также как и для закрытой конической передачи.

Рис.14.4