Обработка тоновых черно-белых иллюстраций.
Обработка иллюстрационной информации включает операции:
1) апертурная коррекция (нерезкое маскирование) – реализуется как аппарато, так и программно. Предназначена для компенсации погрешностей, возникающих при рассеивании света объективом анализирующей головки. Его задачей является восстановление интенсивности сигналов на границах светлых и темных элементов изображений;
2) градационная коррекция. Обеспечивает требуемое воспроизведение полутонов на репродукции. Она компенсирует не только те погрешности, возникающие при передаче полутонов, которые являются следствием несовершенства сканера, но и погрешности, возникающие при печате иллюстраций. Основными причинами градационных искажений при репродуцировании иллюстраций являются:
· нелинейность световых характеристик фотоэлектрических датчиков;
· нелинейность амплитудных характеристик устройств обработки информации;
· уменьшение интервала оптических плотностей при растрировании изображений.
|
|
|
;
3) электронное растрирование изображений;
4) электронное масштабирование оригиналов.
Репродукционные процессы цветной печати различаются по способу синтеза цвета:
1) аддитивный – пространственное или временное суммирование. С помощью синего, зеленого и красного участка люминофора суммируются цвета по площади и по времени и в силу ограниченной разрешающей способности человеческого глаза эти три цвета при суммировании воспринимаются в виде единого светового потока с суммарным цветом. Способ аддитивного синтеза получается так же при печати в случае запечатывания каждой из указанных красок на чистом листе бумаги;
2) субтрактивный синтез – цветное изображение получается в результате различного поглощения света окрашенными участками бумаги. Этот способ реализуется в цветных фотографиях, в полиграфических процессах, при печати полутоновых цветных изображений. Для субтрактивного синтеза используются дополнительные краски Г, П, Ж.
Малая толщина слоя краски при офсетной печати обеспечивает хорошую прозрачность для излучений соответствующих частот.
Основная задача обработки цветных иллюстраций: цветокоррекция. В некоторых случаях необходимо компенсировать цветоделительные искажения. В некоторых случаях производят художественную коррекцию.
Структура обеспечения автоматической системы обработки текстовой информации
Информационное обеспечение в зависимости от назначения и организации обработки информационное обеспечение делится на ВНЕШНЕЕ и ВНУТРЕННЕЕ
Внешнее: размеченная к набору и верстке рукопись издания, то есть кодированный текст рукописи на магнитном носителе, параметры набора, команды полиграфического оформления издания, различные виды распечаток текста.
|
|
|
Внутреннее: основные рабочие и выходные массивы информации, а так же нормативно-справочную информацию и шрифтовое обеспечение.
Основой информационного обеспечения является базы данных АС ПереработкиТИ. В ее состав входят: текст издания, основные параметры набора, таблицы перекодирования символов, словари, инструкции, подготовленные для организации процесса набора и верстки издания. Все эти данные формируются в виде специальных массивов.
Особенностью базы данных АС ПТИ является ее обязательное постоянное обновление. Так как в ЭВМ нового издания меняется содержание массивов этих данных.
Для того, чтобы новое содержание массивов не потребовало пересмотра программ, необходимо обеспечить при формировании базы независимость данных от программного обеспечения.
посмотреть самостоятельно структуру базы данных, независимой от программного обеспечения стр. 63, рис. 4.6
База включает в себя 4 массива:
1) входной внешний;
2) основной;
3) выходной внешний;
4) нормативный (справочный).
Массивы базы хранятся во внешней памяти системы переработки текстовой информации. По мере необходимости частично или полностью считываются в оперативную память. Выходной внешний массив записан в кодах устройства подготовки данных. В нем содержатся файлы текста издания, параметров набора и корректирующей информации. Параметры набора включают в себя формат издания, величину абзацного отступа, гарнитуру, кегль и т. д.
Основной массив представляется на внутреннем языке системы и содержит текст издания, сноски, инструкции к сноскам и строкам. Этот массив используется как программами правки, так и верстки полос.
Результат обработки издания помещается в выходной внешний массив. При этом файл сформированного издания представлен на внутреннем языке, а файл для вывода – в кодах наборного автомата.
Массив нормативных данных включает в себя словари, команды полиграфического оформления издания, таблицы перекодирования, таблицы ширин символов и знаков, таблицы приставок. Этот массив по мере надобности может дополняться, исправляться. Постоянно.
Базы данных, как видно из той схемы, имеют иерархическое построение. В соответствии с этим и программное обеспечение системы переработки текстовой информации имеет такую же иерархическую структуру. Программная иерархия предусматривает наличие программных диспетчеров, которым подчиняются другие управляемые ими программы. Эти диспетчеры находятся на более высоком уровне, по сравнению с подчиненными ему программами.
Программы связи между программным и информационными уровнями выглядят так:

На приведенном рисунке показаны взаимосвязи между программными и информационными уровнями. Для упрощения схемы в нее включена только одна подсистема верстки. Аналогичными подсистемами, не указанными в данной схеме являются подсистема ввода, корректуры и вывода. При создании программного обеспечения, его удобно конструировать из отдельных программных модулей. Модулем считается совокупность команд, предназначенных для реализации отдельной логически завершенной функции.
Модули самого низкого, четвертого уровня, называются исходными, а модули более высоких уровней – производными.
Совокупность модулей низшего уровня совместно с соответствующим модулем более высокого уровня образует более крупную структурную программную единицу. Основными требованиями, предъявляемыми к программным модулям, являются:
1) универсальность – его можно использовать для обработки изданий любой категории сложности, а так же в других вариантах АС ПТИ. Это достигается за счет однотипности оформления текста, отдельных символов с помощью команд с числовыми параметрами;
|
|
|
2) унифицированность – состоит в согласованности представлений входов, выходов модуля, оформлении программ стандартным путем, снабжение их дополнительной информацией для использования в автономном режиме. Вертикальная соподчиненность модулей позволяет логически обоснованно включать их в единый программный комплекс;
3) координируемость – однозначность реакции модуля на управляющий сигнал. Способность воспроизводить действия, которые обеспечивают решение поставленной задачи. Управляющая команда в модуль может поступать из различных источников, но вышестоящего по уровню модуля (команды постоянных параметров набора, имеющихся в тексте набора оператора ЭВМ);
4) модифицируемость – предполагает возможность внесения изменений и усовершенствований в программный модуль. Важность обеспечения этого требования проявляется при тестировании и отладке программного обеспечения;
5) агрегируемость – заключается в способности модуля к объединению в более крупные программные блоки. При выполнении этого требования необходимо решать задачи размещения модулей в памяти ЭВМ. Согласование управления или реализации способа передачи данных от модулей к модулю.
Рассмотренная структурная схема ПО является открытой. Это значит, что она может включать в себя любое число дополнительных модулей, при чем на любом иерархическом уровне. Включение в нее новых подсистем требует установления дополнительных связей между модулями и модификации информационной базы.
Методы оценки качества процесса переработки текста
Количество ошибок – это та характеристика, которая определяет качество набора текста. Естественно, количество ошибок в нем определяет уровень качества. В некоторых изданиях (энциклопедиях, справочной литературе, важных политических документах) в принципе ошибки недопустимы. Поэтому такие издания должны снабжаться списками замеченных опечаток. Для анализа качества выполнения отдельных этапов переработки текста целесообразно применять метод дискретных Марковских процессов. Основными понятиями, которыми целесообразно пользоваться, будут:
|
|
|
· вектор состояния текста – записывается в виде матрицы строки Рi = |P0P1P2…Pn|;
Pi – вероятность того, что количество ошибок в тексте равно величине і. Компонента вектора должна удовлетворять требованию: сумма Pi=1, при і от 1 до n.
Чем больше объем текста, тем больше вероятность нахождения ошибки. Идеальный авторский текст после вычитки автором может быть описана вектором 10000. Идеальный компонент вектора: данные получены на основании обработки газетного текста, на фотонаборном аппарате.
· матрица переходов текста из одного состояния в другое.
ЛК
пропуск
где а и b – постоянные параметры, определяющие уровень подготовки оператора, а N – общее число клавиш на наборном поле.
При вводе сообщения на специализированной клавиатуре другое количество клавиш. Эффективность ввода с помощью специализированной клавиатуры достигается в том случае, если клавиатура содержит число клавиш, не превышающее 200.
Современные тенденции в полиграфии таковы, что построение наборных комплексов и АС ОТП производятся на базе вычислительной техники. Современные клавиатуры выполняют в конструктивно и функционально оформленных электронных узлов, оснащенных клавишными переключателями. Они преобразуют движения пальцев в сигнал, реализуя функцию кодирования. Современные клавиатуры содержат порядка 100 клавиш – стандарт.
Для упрощения работы со стандартной клавиатурой используется принцип кодирования клавиш, не связанный с кодированием символа, воспроизводимого ей. То есть в системное устройство ПЭВМ посылается от клавиши, а не код символа, а процессор ПЭВМ позиционный код клавиши преобразует с помощью специальной программы в код символа. Такая структура работы ПК расширяет его функциональность, обеспечивая гибкость и мобильность, и позволяет работать с несколькими фонетическими системами, или обеспечивать с помощью специальных программ использование клавиш и для других целей.
ПО функциональному призначению клавиши разделяются на наборные группировки:

1 – алфавитно-цифровое поле;
2—управляющие клавиши;
3 – поле редактирования;
4 – отдельное цифровое поле;
5 – функциональные клавиши.
Основное алфавитно-цифровое поле расположено в центре клавиатуры и состоит из символов многорядной матрицы клавиш, при чем позиции символов алфавитно-цифровых клавиш соответствуют стандарту 20 века для пишущих машинок, что способствует простому переключению с печатных машин. Помимо основного наборного поля клавиатура содержит вспомогательное поле, необходимое для ввода числовой информации. Это цифровое поле содержит не только цифры, но и символы арифметических операций. Кроме алфавитно-цифровых клавиш имеются управляющие клавиши, предназначенные для ввода прописных или строчных букв и других управляющих воздействий. Управляющие клавиши располагаются слева и справа от основного алфавитно-цифрового поля. К управляющим относятся и клавиши управления курсором. В некоторых моделях они могут размещаться в отдельной зоне. К управляющим можно отнести функциональные клавиши F используемые для ввода наиболее часто задаваемых команд или функций (наборное поле 5).
Технические и эргономические показатели клавиатур во многом определяются конструкцией и типом клавишных переключателей.
По способу управления клавишные переключатели делятся на контактные и бесконтактные.
КОНТАКТНЫЕ работают по принципу замыкания и размыкания цепи электромеханических контактов и срабатывают после нажатия или отпускания клавиш.
Достоинства этих переключателей:
1) простота конструкции;
2) дешевизна;
3) низкое омическое сопротивление контактов.
Недостатки:
1) наличие дребезга контакта в следствие неустойчивого замыкания или размыкания цепи при нажатии и отпускании клавиш;
2) непостоянство переходного сопротивления контакта по причине окисления и электроэрозии;
3) малый срок службы переключений до отказа.
Влияние некоторых недостатков можно устранить. В первую очередь это относится к дребезгу. Это устраняется схемным или программным путем. Путем некоторой задержки срабатывания клавиш.
Сопротивление контакта устраняют с помощью гериконовых контактных переключателей – герметизированные переключатели, у которых коммутационное устройство герметизировано. Они представляют собой герметизированные контакты из ферромагнитных материалов, замыкание которых осуществляется постоянным магнитом, приводимым в движение клавишным стержнем.
Широкое распространение получили простые по конструкции контактные переключатели на основе токопроводящей резине. На нижней поверхности таких переключателей помещается прокладка из токопроводящей резины, которая в момент нажатия замыкает на плате клавиатуры нужные контакты. Конструкция таких клавиатур характеризуется малым ходом и бесшумностью. Мембранные клавиатуры характеризуются хорошей герметичностью, низким дребезгом и относительно высокой технологичностью изготовления.
К БЕСКОНТАКТНЫМ переключателям относятся клавишные переключатели, механическое воздействие которых преобразуется в изменение емкости, индуктивности или чего-то другого J, или сопротивления. Это явление потом вызывает электрический сигнал.
Основное достоинство бесконтактных датчиков:
1) бесшумность;
2) влаго- и коррозионно- защищенность.
Управление работой ПЭВМ при наборе с клавиатуры осуществляется с помощью контроллера, выполненного на микропроцессорах. Микропроцессор, используемый в клавиатуре, производит сканирование матрицы матричного поля, обработку дребезга при нажатии клавиш, буферизацию кодов сканирования, поддержание двунаправленной последовательности передачи данных системным устройствам. Микропроцессор кроме этого выполняет постоянное тестирование клавиатуры при ее включении и по требованию системного устройства. При нажатии клавиши наборного поля микропроцессор посылает в системное устройство код нажатия, а при отпускании – подтверждает, что действие произведено. Таким образом работа клавиатуры происходит последовательно через ЦИКл сканирования клавишного поля и выдачи кода.
Назначение, структура и характеристика читающих автоматов
Читающие автоматы предназначены для автоматического чтения и распознавания цифр, букв, слов и любого печатного и рукописного текста с целью их ввода в ЭВМ Существуют принципиальные различия ввода с помощью сканера и с помощью читающего автомата. С помощью сканера текст не может быть подвергнут обработке, а с помощью читающего автомата ЧА можно.
Необходимость автоматизации распознавания знаков текста вызвана с большим разрывом между скоростью ввода текста в ЭВМ и скоростью обработки в ЭВМ набранного текста. Для ввода затрачивается 80% общего времени. Один ЧА заменяет около 20 операторов – большой экономический эффект! Второе достоинство ЧА: происходит повышение качества ввода текста в ЭВМ за счет значительного снижения количества ошибок. Читающие автоматы могут быть использованы для автоматизации процесса корректуры, объективной оценки степени сложности текста и прочее.
Применение ЧА началось в банковском деле для считывания цифр на чеках, а затем на почте – для сортировки писем.
Распространению ЧА в полиграфии по настоящее время препятствуют их некоторые технические недостатки, главным из которых является НЕОБХОДИМОСТЬ применения специальных шрифтов с целью улучшения вероятности распознавания.
Системы чтения и распознавания реализованы в:
1) специализированные ЧА;
2) ЭВМ со сканером и принтером.
ЧА состоит из трех основных устройств:
1) рецепторное устройство – предназначено для сбора информации и служит для считывания текста (типа ПЗС-линейки). Является важнейшим в ЧА. Оно выполняет еще и:
· нахождение начальной точки;
· определение положения знака в каждой строчке;
· определение конца строчки и начала страницы;
2) селекторное устройство – служит для выбора признаков идентификации, классификации и распознавания образов. Может быть представлено в виде самонастраивающегося фильтра, который синтезирует воспринимаемый образ, либо самонастраивающегося генератора электронных образцов и устройства, которое производит сравнение эталона и считанного;
3) эфекторное устройство – для представления результатов распознавания на каком-либо носителе.
Кроме трех основных устройств существуют следующие устройства:
1) входной бункер со счетчиком и транспортирующим устройством для подачи листа. Лист подается в рецепторное устройство с последующим выводом листа в выходной бункер или вывода листа в бункер листов с отказами, если такие обнаружены;
2) устройство передачи символа отказа со счетчиком числа этого отказа, с указанием строки и знака, в котором произошел отказ. Это необходимо, чтобы не искать ошибку.
Основными характеристиками ЧА являются:
· скорость считывания;
· вероятность ошибки.
Наибольшее количество ошибок при распознавании машинописи приходятся на ж, ю, и, й. Из анализа литературных источников видно, что различие в принципах построения читающих автоматов связано с их назначением. Одни предназначены для распознавания стилизованных, другие - печатных, рукописных.
Различие по назначению от методов считывания:
1) бегущим лучом;
2) линейкой фотоэлементов;
3) матрица фотоэлементов – скорость лучше (2700).
Максимальный размер листов: 279х216 – 356х356.
Речевой ввод информации
Системы распознавания звуков речи весьма перспективны, так как позволяют решить проблемы ввода информации в ЭВМ, возможность управлять голосом машинами и роботами.
Решение этой задачи сводится к распознаванию звуков речи – фонем. А затем к их идентификации, превращении в слова. Любое устройство, любое устное сообщение работает в виде последовательности фонем и пауз между ними. Точное выделение фонем и их число позволяют описать устную речь без искажений. В русской устной речи выделяют 40-45 фонем, которым соответствуют определенные коды, которые можно хранить в ЭВМ для воспроизведения некоторых команд. Распознавание может осуществляться на уровне объединения фонем в слова. В таком случае в ЭВМ должны храниться фонемы, которые в результате складываются в слова и сравниваются с моделью эталоном слова. Словари подобных эталонов насчитывают до нескольких десятков единиц. Главная трудность в реализации таких устройств – распознавание речи отдельных людей, так как одни и те же слова, произнесенные слова разными людьми отличаются дикцией, скорость и т. д. Поэтому сначала не производят сравнение слова с моделью, а отыскивают наиболее близкие модели.
Простейший анализатор представляет собой набор частотных полосовых фильтров – многоканальный анализатор. Позволяет разделить исследуемый сигнал на сумму частотных составляющих, которое анализируют поступающий сигнал одновременно во всем диапазоне частот.
Другой метод – методом разделения по признакам. Аналогичен рассмотренному методу частотного анализа и реализуется в последовательности: слова, подлежащие распознаванию – в них выявляются частотные спектры фонем. В силу того, что максимумы частот отдельных фонем не совпадают и сдвинуты, их анализируют на наличие максимумов и путем сравнения с моделью слова определяют сами фонемы, а потом и слово.
Практика применения метода показывает, что их распознавание производится на пределе. Всегда оказываются два-три близко расположенных максимума и избежать ошибки возможно при повторном произношении данной команды.
Метод многошаговой дифотомии: разделение звуков на глухие и звонкие – 1 звонкому, 0 глухому. Звонкие делят на шумные (0) и нешумные (1) и т. д. На каждом этапе распознавания предлагается альтернатива выбора между двумя множествами. Перемещаясь от узла к узлу мы записываем код распознавания звуков.
Современные устройства речевого ввода.
Сама система идентификации речи включает: человек, алгоритм распознавания, устройство реализации. Основная стратегия решения задачи распознавания речи базируется на заблаговременном формировании словаря речевых сегментов, которая играет роль эталона. Процедура распознавания сводится к сравнению сигнала на входе устройства с эталонами и определение для эталонов допустимой меры сходства. Обычно в таких системах в качестве речевого сегмента выбирается слово, так как для него просто определить границы. В этом случае словарь соответствует количеству распознанных слов. Аппаратно программные средства получили название речевых анализаторов. Они осуществляют преобразование речевых сигналов с микрофонов. Информационный поток сигналов порядком 100 000 бит/сек. в последовательность цифровых кодов с существенно меньшим информационным потоком (10 000 бит/сек), с обязательным сохранением передачи смыслового компонента речи. Сжатие осуществляется за счет распознавания смысловых элементов речи. Анализаторы разделяются на группы:
1) ограниченного словаря;

2) универсальные.
ЛК
пропуск
ЛК
02.04.13
Ввод изобразительной информации
Для ввода изобразительной информации в компьютеры используются сканеры и цифровые фотоаппараты. Эти устройства считывают иллюстрации, разлагая на оптические точки, анализируя оптическую, плотность точек и преобразуют их в двоичный числовой код. При этом осуществляется для цветного изображения разложение его на основные цвета.
Развитие программных и аппаратных средств вычислительной техники привело к тому, что сканеры могут считывать и распознавать, а так же кодировать и текстовую информацию. При чем с достоверностью 98-99%. Кроме того, сканеры позволяют вводить в компьютер не только тексты, но и рисунки, слайды, фотографии, атак же изображения некоторых объемных объектов небольших размеров.
Механизм сканирования оригинала.
Устройство сканера во многом определяется фотоприемником. Профессиональные сканеры, используемые в допечатных процессах, можно классифицировать:
ПО ХАРАКТЕРУ РАСПОЛОЖЕНИЯ ОРИГИНААЛА: плоскостные (планшетные), проекционные (для сканирования с высоким разрешением и качеством слайдов небольшого формата), барабанные (с расположением на внутренней или внешней стороне барабана.
ПО ХАРАКТЕРУ ПЕРЕМЕЩЕНИЯ: с подвижным оригиналом, с неподвижным оригиналом.
ПО ЦВЕТНОСТИ: цветные и черно-белые.
ПО РЕЖИМУ СКАНИРОВАНИЯ: однопроходные.
ПО ВИДУ ФОТОУСТРОЙСТВА: ФЭУ, ПЗС-линейка или матрица.
ПО ВИДУ ДВИЖУЩИХСЯ ПРИ СКАНИРОВАНИИ ОПТИЧЕСКИХ ДЕТАЛЕЙ: движущиеся считыватели, движущиеся зеркала, гибридные (движется всё).
Цифровой фотоаппарат – устройство для фотографической съемки, в котором изображение регистрируется, но не на пленку, а на несколько линеек или ПЗС-матрицу. Эти изображения сохраняются в цифровом виде.
ПО КОНСТРУКЦИИ: с задней разверткой, трехкадровые камеры, однокадровые камеры с одной матрицы, однокадровые камеры с тремя матрицами.
Основные параметры и технические характеристики фотоаппаратов аналогичны сканерам.
Оснонвые параметры цифровых камер:
выдержка – время, в течение которого засвечивается ПЗС элемент и формируется цифровое изображение.
Однокамерные фотоаппараты обязательно имеют ПЗС матрицу, на которой есть мозаичные фильтры, которые ставятся на каждый цвет RGB. Каждый пиксель видит свой цвет, а потом по определенной программе в зависимости от мощности, они перемешиваются.
Барабанные сканеры – дорогое и сложное устройство. С их помощью можно получить изображение с высокой степенью детализации. Эти изображения могут быть использованы для последующего ретуширования, цветоделения. Оригинал в них с помощью специальной ленты или масла закрепляется на поверхности прозрачного барабана. Этот барабан сделан из органического стекла и закреплен на массивном основании. Основание не воспринимает никаких вибраций. Барабан вращается с высокой угловой скоростью, а сканирующая головка через малую апертуру стоит в непосредственной близости к считываемому материалу. В сканерах используются так называемые микрообъективы, позволяющие производить увеличение довольно в больших размерах (70—80 раз). Окошечко, через которые они видят – мало (аппретура), 0,1 мм! иногда. В качестве фотоприемника используются ФЭУ. Они перемещаются по направляющим вдоль образующей барабана и точечно сканируют оригинал. Для освещение оригинала используются ксеноновые или галогенные источники света. Стабильности и волновому диапазону этих источников предъявляются очень высокие требования: излучение постоянной интенсивности света, не только по световым характеристикам, но и по качеству излучения. Источник света должен быть во всем видимом волновом диапазоне. Характеризуется источник света так называемой цветовой температурой: температура, до которой нагрето абсолютно черное тело, излучающее тот же волновой диапазон электромагнитных волн, что и свет, который мы вилим. Белый свет при дневном освещении имеет температуру 6400 К. При сканировании прозрачных оригиналов.
При сканировании прозрачных оригиналов используется внутренний источник света. при сканировании в отраженном свете – в непосредственной близости с поверхностью барабана. Несмотря на то, что лампы накаливания нагревают поверхность сканируемого материала, она не портится, не загорается, не подвергается тепловому воздействию, так как скорость вращения барабана очень высока. Это вращение позволяет использовать яркий мощный источник света.
В наиболее простом исполнении это полупрозрачные хроматически нейтральные цветоделенные элементы, частично пропускающие пропорциональные световые потоки энергии, независимо от их спектрального анализа.
Более совершенные барабанные сканеры используют дихроичные зеркала: полупрозрачные, но пропускают только одну какую-то длину волны: красный или синий или зеленый. При таком распределении световая энергия используется более рационально и правильно. Могут использоваться специальные цветоделительные призмы. Могут быть и дихроичные зеркала. В зависимости от типа материала (прозрачный или нет) сканируемый оригинал закрепляется или снаружи, или внутри.
Размещенные в анализирующей головке ФЭУ принимают этот разделенный свет, усиливают его, затем полученные аналоговые сигналы преобразуются в цифровой код.
Для повышения производительности и универсальности некоторые сканеры имеют различные по размеру прозрачные барабаны. То есть барабан становится сменным элементом, ведь на него не может закрепляться фотоформа, если она очень большая, а фотоформа делается исходя из того, какая у нас печатная машина. Современные барабанные сканеры позволяют сканировать с интерполяционным разрешением 24000 дпи. Отличительный признак – возможность сканировать оригиналы с большой оптической плотностью в отраженном и проходящем свете.
Для повышения разрешения, качества картинок, используются специальные конструкции сканирующих анализирующих головок. Анализирующие головки в барабанных сканерах имеют специальный дополнительный канал – канал нерезкого маскирования. Для освещения в этих головках используются ксеноновые или металлогалогенные лампы накаливания. Свет от этой лампы берется в разных точках нити накаливания. С помощью пяти световодов этот свет подается или во внутрь барабана, или наружу. Это делается для того, чтобы расширить частотную величину этого диапазона. Свет отличается длиной волны. Они проецируются с помощью пяти конденсоров на поверхность сканируемых материалов. Конденсоры – оптические устройства, обеспечивающие равномерность излучения. Отдельно взятые потоки перемешиваются, светят фактически в одну точку, таким образом добиваются усреднения частоты светового потока, обеспечения его стабильности и расширения диапазона светового потока. Отраженный свет попадает в диафрагму анализирующей головки.
Диафрагма микро объектива представляет собой микроотверстие в зеркале, которое установлено под углом 45 градусов. Оно конструктивно выстроена на турели, что позволяет изменять диафрагмы в зависимости от линиатуры и масштаба сканирования. Отраженные от зеркальной поверхности диафрагмы свет, проходит через нейтральный фильтр, цветоделительный фильтр и попадает на ФЭУ канала нерезкого маскирования. Часть света, прошедшая через диафрагму, разворачивается призмой и попадает на цветоделительные дихроичные зеркала, которые делят световой поток на три спектральных зоны: синюю, зеленую, красную. Спектрально поделенные потоки с помощью призм направляются на дополнительные светофильтры, после чего они попадают на фотоумножители соответствующих цветоделенных каналов. Потери качества наиболее заметны при воспроизведении мелких деталей. Уменьшить потери качества при растрировании можно путем электронного нерезкого маскирования, при помощи которого даже удается выделить и заметить существенные для изображения детали. Эта задача решается с помощью канала нерезкого маскирования. Он получает одновременно с цветовым каналом сигнал соответствующего цветоделенного изображения. Диафрагма в канале нерезкого маскирования больше, чем диафрагма, передающая изображение. Большая точка нерезкого маскирования при прохождении контура характеризуется перепадом плотностей и обеспечивает более качественный сигнал, так как во время сканирования больший элемент улавливает больше подробностей изменения плотностей, чем малый канал основной.
В результате вышеприведенного вычисления в канале в сканере между разностью основного и нерезкого сигналов и последующего суммирования результат этого вычитания с основным цветоделенным каналом образуется нерезкая градационная маска. Разностный сигнал добавляется к основному. Благодаря увеличению контраста деталей и образованию дополнительной канвы, повышается резкость изображения и улучшается прорисовка отдельных деталей. Степень прорисовки деталей можно регулировать выбором величины диафрагмы в канале нерезкого маскирования. Канал нерезкого маскирования тоже имеет свои величины.
Основные достоинства барабанного сканера:
1) возможность сканирования высокохудожественных работ с разрешающей способностью 24000 дпи с динамическим диапазоном более 4 единиц;
2) возможность сканирования как в отраженном, так и в проходящем свете. Единственное условие – носители информации должны быть гибкими;
3) повышение производительности сканирования за счет автоматической корректировки апертуры и освещенности в зависимости от световой плотности оригинала и его насыщенности; возможность использования сменных барабанов;
4) возможность изменения фокусного расстояния позволяет автоматически или вручную изменять разрешение сканирования в зависимости от требуемой степени детализации изображений.
Недостатки барабанных сканеров:
1) невозможность сканирования переплетенных оригиналов;
2) большие габариты и большая масса;
3) невозможность сканирования оригиналов на жесткой основе;
4) сложность загрузки оригиналов;
5) так как скорость вращения барабаны высока, то оригинал крепится с большой аккуратностью.
Устройства вывода изображения используемые для контроля
Цветопроба – цветной отпечаток, получаемый с целью оценки качества, обработки и цветоделения изобразительной информации. Особенностью цветопробы является то, что она выполняется с помощью печатающих устройств непосредственно с компьютера: цифровая цветопроба. В настоящее время для получения цифровых цветопроб используются принтеры, работающие на различных технологиях нанесения краски на запечатываемую основу:
1) по принципу термопереноса;
2) сублимационной печати;
3) струйные;
4) лазерные;
5) принтеры на твердых чернилах.
ЛК
04.04.13
Цветопроба – моделирование оттиска с целью колориметрического контроля качества и его предсказания. Так же может быть использована в качестве подтверждения правильности выполненного заказа при возникновении разногласий в случае конфликтной ситуации между заказчиком и полиграфистом.
Цветопробы:
· экранные – изображения на откалиброванном качественном мониторе. При такой цветопробе можно говорить лишь о первоначальной визуальной оценке качества будущего тиражного оттиска. Эта цветопроба не является документом, подтверждающим правильность последующего репродуцирования;
· на твердых носителях:
а) цифровая – ее место в технологической печати отведено сразу после верстки. По окончании верстки полос, до изготовления цветоделенных растровых фотоформ, производится контроль и прогнозируется будущее качество полученного оттиска;
б) аналоговая – ее место в технологическом цикле после получения цветоделенных фотоформ. Призвана контролировать качество самих технологических процессов до получения цветопробы и прогноз изготовления печатных форм и качества печати;
в) пробная печать – печатный оттиск с печатных форм. Контролируется качество изготовления фотоформ и печатных форм, и всех технологических процессов вплоть до печатания тиража.
На любом из перечисленных этапов цветопроба должна максимально соответствовать качеству оттиска. Наиболее часто применяемый цветопробы: аналоговые, цифровые.
Цветные отпечатки, получаемые с целью проверки качества и обработки, цветоделения изобразительной информации – цифровые цветопробы. Особенность ее в том, что она выполняется с помощью печатающих устройств непосредственно с компьютера с цифрового массива. В настоящее время в качестве устройств для получения цифровых цветопроб используются принтеры, работающие с различными технологиями нанесения красочного пигмента на запечатываемый материал.
Различают:
· принципы, работающие по принципу термопереноса;
· сублимации;
· струйные;
· лазерные;
· принтеры на твердых чернилах.
В основу принтера с термопереносом цветных красителей, нанесенных на специальной лавсановой пленке, на бумагу под действием высоких температур. Красители содержат в своем составе воскоподобные красящие вещества, которые плавятся при нагревании, и это позволяет расплавленным точкам переходить с лавсановой основы на бумагу. В процессе печати на лавсановой подложке, которая является носителем красящих пигментов, создается в местах, где должна производиться растровая структура, высокая температура. Каждый цветной оттиск печатается в 4 прогона. Краски по цвету очень близки к триадным, а отсутствие их смешения позволяет получить хорошую цветопередачу. Разрешающая способность принтеров такого типа 300dpi. При печати используется специальная бумага и скорость печати такого принтера 1—2 страницы/мин.
Недостатки способа:
1. Низкая разрешающая способность.
2. Специальная бумага.
3. Неэкономичное использование пленочного красителя.
Сублимационные принтеры используют практически такой же принцип переноса красящего вещества на подложку, как и предыдущие технологии, но с одной немаловажной особенностью. Это отличие заключается в том, что при сублимационной печати не создается растровая структура. Запечатывание происходит равномерно и полностью, а изображение имеет фотографический вид, лишено растровой структуры. В этих принтерах специальные красители, которые обладают повышенной прозрачностью. Формирование того или иного оттенка во многом зависит от толщины слоя базового красителя, перенесенного на бумагу. Кроме того, что не создается растровая структура, присутствует и некоторая особенность нанесения самого красителя. Процесс переноса красителя основывается на нагревании его до состояния, близкого к парообразному. Краситель испаряется, и выделившиеся пары красителя соприкасаются со специальным покрытием на бумаге. Это покрытие способствует отсорбирования красителя и его закреплению на поверхности бумаги. Степень переноса красителя зависит от температуры и длительности нагревания в данной точке. После завершения процесса на этих четырех базовых цветах на бумаге формируется полноцветное изображение.
Недостатки:
1. Высокая стоимость оттиска.
2. Невозможность печати на простой бумаге.
3. Невозможность воспроизведения растровой структуры.
Струйные принтеры – наиболее распространенные устройства для получения цветовых цветопроб. Это связано не только с относительно небольшой стоимостью печати, но и дешевизной самого устройства. Делятся на: каплеструйную печать, струйно-импульсная (с пьезоэлектрической головкой, с термоголовкой).
Принтеры с твердыми чернилами – чернила в процессе печати изменяют фазу своего состояния. В них имеется 4 цветные восковые палочки. Основной недостаток печати: нерациональное расходование чернил. Для того, чтобы работать успешно, она расплавляет большую часть палочки сразу, не задумываясь, как будет печатать. Остатки расплавленного воска выплевываются. Нагреватели расплавляют воск до 90 градусов. Для получения изображения печатное устройство откачивает небольшое количество чернил. Подлетая к бумаге восковые капли сразу же застывают и имеют выступающую фактуру. преимущества: высокое качество. Недостаток: высокая стоимость печати.
Аналоговая цветопроба без изготовления печатных форм. В печатном процессе для контроля качества обработки, в том числе цветоделения изображения, кроме цифровых цветопроб используются также и аналоговые цветопробы с вещественным носителем изображения – фотоформ. Ее целесообразно применять в допечатных системах, реализующих технологию Компьютер-фотоформа, после изготовления комплекта цветоделенных растрированных фотоформ.
Подразделяются на сухие и мокрые. На сухих цветопробах не используются химические растворы. Пигмент с пробельных элементов удаляется механически. В случае мокрой цветопробы процесс проявления, то есть разрушения и вымывания элементов, происходит с помощью приобретения пробельными элементами растворимости, путем вымывания этих пробельных элементов.
Этапы получения:
1) ламинирование – приклеивание пигментного слоя к основе под воздействием температуры;
2) экспонирование – воздействие на пигментный слой УФ-излучением;
3) проявление – удаление пигментного слоя с пробельных элементов (в мокрой цветопробе путем вымывания, в сухих – механически).
Изготовление сухим способом:
на лист бумаги со специальным покрытием при помощи ламинатора наносится слой светочувствительного материала с защитной пленки сверху. Затем поверх защитной пленки крепится фотоформа. Проламинированная бумага с фотоформой помещается в копировальную раму и подвергается кратковременному экспонированию. Происходящий при этом фотохимический процесс является основой формирования изображения. Светочувствительный слой, который был клейким по всей поверхности до экспонирования, полимеризуется и теряет свою клейкость именно в тех местах, в которых УФ свет попал, то есть на пробельных элементах. После экспонирования фотоформа снимается, защитная пленка удаляется.
Бумага с воспринявшим изображение светочувствительным слоем пропускается через валики, где по ней прокатывается металлическая алюминиевая фольга, на поверхности которой имеется пигментный слой. Процесс, происходящий при этом достаточно прост. Слабо держащийся на поверхности фольги пигмент прилипает к оставшимся клейким элементам и в результате этого на участках бумаги, соответствующем печатным точкам, появляется изображение. Для получения цветного изображения процесс повторяется четыре раза с использованием последовательно всех фотоформ. Каждый раз берется фольга с соответствующим пигментом на ней и прокатывается по полученным растровым точкам в виде клейкой массы. При чем совмещение красок осуществляется вручную -- основной недостаток, так как получение оттиска полноцветного зависит от мастерства человека, который его производит.
Данная технология обеспечивает имитацию фиксированной величины растискивания растровой точки, которое закладывается в клеящемся веществе. Это растискивание 17-20%. Красители соответствуют по спектральному составу офсетным краскам, что обеспечивает довольно точное соответствие тиражным оттискам.
При мокром прокатываемый по основе ламинат уже содержит красящее вещество внутри светочувствительного слоя. После экспонирования, подвергшиеся воздействию света участки меняют свою чувствительность к реактивам и при обработке в проявочном устройстве удаляются химическим способом вместе с защитным слоем ламината.
Основной недостаток систем аналоговой цветопробы:
1. Высокая себестоимость оттиска.
2. Трудоемкость.
3. Невозможность использования тиражного запечатываемого материала.
ЛК
09.04.13
Аналоговая цветопроба с изготовлением печатной формы
Качество будущего тиража в некоторых случаях проверяют до печатания тиража. Такая цветопроба производится на специальных пробопечатных станках, условия печати на которых максимально приближены к тиражным условиям. Это позволяет получать наиболее достоверный результат о качестве получаемого тиража. Существуют специальные пробопечатные станки, оснащенные увлажняющим аппаратом, красочным аппаратом и позволяющие печатать оттиски на полученных уже изготовленных печатных формах и на тиражной бумаге. Процесс получения оттиска заключается в том, что предварительно форма увлажняется, затем производится нанесение краски на печатную форму и перенос краски с печатной формы на офсетный цилиндр, после чего происходит печать.
При изготовлении пчеатного оттиска каретка офсетного цилиндра освершает холостой ход и рабочий ход. Во время рабочего – движется над столом с формой, валики опускаются и наносят. Офсетный цилиндр прокатывается под давлением по печатной форме, в результате чего получаются отпечатки.
Пробная печать обеспечивает полную гарантию соответствия пробного оттиска тиражу. Это достигается за счет использования тиражных форм, всех расходных материалов, краски, увлажняющего раствора, бумаги, но по сравнению с цифровой и аналоговой цветопробами пробная печать – более дорогой процесс. Кроме того, надо помнить, что в случае несогласия заказчика с результатом качества будущего тиража, возникают большие проблемы по замене печатных форм. Поэтому желательно проверять качество печатного процесса на каждом этапе.
CtP технологии. Рекордер для записи форм на внутренней поверхности барабана
СтП – Компьютер ту принт. Цифровая технология получения печатных форм. Позволяет автоматизировать процесс записи формных пластин. Все рекордеры, устройства, изготавливающие печатные формы, делятся на:
1) по месту закрепления формной пластины на поверхности барабана: с внутренней рабочей поверхностью барабана, с наружной, плоскостные.
Рекордеры для записи формных пластин на внутренней поверхности барабана состоят из трех секций: ввода, экспонирования, вывода. Секция ввода оснащена кассетами с формными пластинами и устройством автоматического или ручного ввода в секцию экспонирования. Секция экспонирования формных пластин предназначена для записи на рабочей поверхности формных пластин растрового изображения. Секция вывода проэкспонированных пластин предназначена для подачи заэкспонированных пластин на последующую обработку и как правило подключается к проявочным устройствам, которые называются часто процессорами. Все секции объединяются в общую линию с помощью устройств транспортирования пластин. Эти устройства транспортирования в каждой конструкции рекордера имеют свои особенности. Наиболее распространена система транспортирования, в которой подачу пластин из кассеты производят в вертикальном положении пластины, после чего ее размещают на рабочую поверхность внутреннего барабана. В секции экспонирования пластине предварительно прошиваются базовые отверстия. На эти отверстия пластина позиционируется на внутренней поверхности в рекордере. При помощи вакуума плотно прижимается к его рабочей поверхности. Прошивка штифтовых отверстий позволяет использовать их для базирования как при экспонировании, так и при закреплении на формном цилиндре печатной машины. Это позволяет получить максимальную точность приводки. После экспонирования пластина вновь вертикально извлекается из секции, кантуется на транспортное устройство в горизонтальное положение и отправляется в проявочный процессор. Проявочный процессор – устройство, которое удаляет с поверхности незаполимеризованные пробельные элементы. Вымывание в процессоре осуществляется с помощью специальных растворов и щеток.
Загрузка и выгрузка пластины с позиции экспонирования осуществляется параллельно во времени. Пока экспонируется предыдущая – последующая извлекается, а загрузка в барабан осуществляется одновременно с выгрузкой проэкспонированной.
В секции экспонирования экспонирование производится с помощью лазера. В зависимости от типа пластины используются как инфракрасные, так и фиолетовые лазеры. Самым распространенным лазером, который используется в редукторах с внутренним барабаном, является твердотельный миодиновый лазер, мощностью до 100 мили ватт. Особенность: длина волны может меняться от 1064 до 532 нм. Удвоение частоты накачки такого лазера и позволяет трансформировать его излучение из инфракрасной зоны в 1064 нм в видимую, фиолетовую (зелено-фиолетовую) с длиной 532 нм.
Оптическая система рекордера с внутренним барабаном обеспечивает высокоточную запись изображения со следующими разрешениями: 1270, 1692, 2540, 3386 dpi. Рекордер состоит из лазера, затвора, который открывается и закрывается. Имеется в нем акусто-оптический модулятор, который позволяет записать растровую структуру по принципу вкл./выкл. Кроме того, у него имеется объектив, который может изменять фокусное расстояние. Линзы, установленные на поворотной турели и выставляются в соответствии с разрешением, формирую лазерную точку нужной апертуры. Мощность луча контролируется с помощью фотодиода. Для приведения мощности лазерного луча в соответствие со светочувствительностью формных пластин в записывающей головке рекордера имеются два набора светофильтров, расположенные на поворотной турели. После того, как фотодиод определил мощность лазера, выставляется необходимая светочувствительность луча, для чего используются серый светофильтры. Проходя через поворотное зеркало, он поворачивается дважды, при чем одно из поворотных зеркал является регулируемым. Оно установлено с возможностью регулировки по двум координатам. Это необходимо для того, чтобы луч попал в записывающую головку, которая движется внутри барабана, параллельно внутренней образующей поверхности. Управление отклонением луча осуществляется с помощью подачи напряжения на Пьезоэлемент, который в результате этого поворачивается в ту или другую сторону. Команду на этот поворот подает специальный фотодиодный датчик, определяющий положение луча и дающий управляющий сигнал на пьезоэлемент. Датчик и зеркало закрепленные на пьезоэлементе являются измерительным и исполнительным элементами автоматической системы коррекции пространственного положения луча. Данная система призвана компенсировать погрешности, возникающие при перемещении головки во время экспонирования, а так же некоторые погрешности, возникающие в результате износа подвижных частей записывающей головки.
Второе поворотное зеркало направляет лазерный луч в объектив, который имеет привод для осуществление фокусировки луча на рабочей поверхности пластины. Развертку производит двигатель, который вращает пентапризму, установленного на ней. И вместе с объективом, турелью и датчиком коррекции составляет записывающую головку рекордера. Фокусировка лазерного луча на рабочей поверхности пластины осуществляется потому что пластины, подаваемые в барабан, могут быть разные по толщине.
Устройство рекордера и наличие транспортных систем между его отдельными звеньями позволяет полностью автоматизировать процесс получения печатных форм. Этим рекордером могут экспонироваться различные формные пластины в зависимости от используемого в нем лазера.
Рекордеры для плоскостной записи форм
Не деформируют поверхность пластины – так как не надо изгибаться. Эта особенность позволяет работать с пластинами разной толщины и формата. Обеспечивают экспонирование с высокой точностью. Они оснащены системой позиционирования по двум краям формной пластины с последующей вакуумной фиксацией ее на подвижном двух координатном столе. В качестве источника света используются лазерные диоды с длинной волны 633 нм. Специальная оптическая система имеет двойную фокусировку луча, до и после многогранного зеркала.
Если запись осуществляется не с помощью поворотного дефлектора, а осуществляется субрастровая запись, которая заключается в том, что когда стол перемещаем вдоль, то пишем не просто один луч, а отклоняем его туда-сюда. Луч ходит на промежуток и пишет полоску шириной небольшой. Лучевая запись – лазер идет и построчно ставит промежутки. Можно лазерный луч разбивать на две-три строчки и они пишут тогда три сразу строчки. При субрастровой записи применяется акусто-оптический модулятор. Это значительно повышает производительность.
ЛК
Рекордеры обеспечивают экспонирование с высокой точностью, так как головка перемещается, пластина крепится на неподвижный стол, базируется по двум сторонам – точность.
Конструкция рекордера такого как правило соединяется в автоматическую линию с проявочным процессором. В такой линии используется рекордер с источником света лазерный диод. Специальная оптическая система имеет двойную фокусировку пластин: до и после многогранного зеркала. Такая двойная фокусировка компенсирует нелинейность развертки и угла поворота луча, что обеспечивает точное соблюдение геометрических размеров изображения. На ряду с субрастровой записью для обеспечения высокой скорости подачи информации (записи) используется буфер с емкостью 2 жестких диска по 1 Гб. Пока информация с одного диска выводится на пластину, растровый процессор записывает следующую битовую карту на второй диск. Такое технологическое решение позволяет более плавно и равномерно производить запись пластины в зоне экспонирования, что обеспечивает точность совмещения и высокую скорость записи. Такие рекордеры имеют довольно высокие скорости записи – 1014 мм/мин при разрешении 1200 дпи. Исходя из этих параметров они используются в основном для записи газетных полос на формы.
Рекордер обеспечивает довольно высокую точность совмещения 25 мкм на 4х последовательно выведенных пластинах.
Рекордер снабжен устройством подачи пластин в зону экспонирования. Подача осуществляется автоматически с автоматическим удалением с кассет прокладочной бумаги и не требует никакой ручной загрузки пластин.
Рекордеры снабжены системой автоматического распознавания номера газеты и автоматической выборки из памяти параметров, находящихся в ней пластин (формат, светочувствительность, центровка изображения, необходимость прошивки штифтовых отверстий).
При заполнении кассет данная информация вносится в память машины, что позволяет оперативно переключаться из одного вида записи пластины на другой вид записи пластины.
При экспонировании 4х пластин максимального формата рекордеру требуется порядка 1 минуты для их записи и проявления. Широкий диапазон доступных разрешений позволяет выбрать оптимальное соотношение между скоростью записи формной пластины и качеством ее.
При записи изображения на формной пластине методом субрастрового сканирования записывающая головка совершает непрерывное возвратно-поступательное движение по одной оси координат и старт-стоповое поступательное движение по другой. Один из акустических модуляторов работает в режиме акусто-оптического дефлектора, производя модуляцию и отклонение луча параллельно возвратно-поступательного движения. Головка записывает полосу изображения небольшой ширины. После записи полосы записывающая головка смещается на ширину этой полосы и возвращается в исходное положение, записывает следующую полосу. Так повторяется до полной записи пластины.
Рекордеры, в которых используются два акусто-оптических модулятора, один из которых работает в режиме акусто-оптического дефлектора, а другой – модулятора, записываются по двум координатам. Они содержат три кассеты для формных пластин и механизм их смены. Эти рекордеры имеют механизм подачи и выборки формных пластин из кассет, которые после выборки подаются на вакуумную плиту и на ней закрепляются. Над вакуумной плитой в двух направлениях перемещается записывающая головка, которая производит запись растрового изображения и после окончания экспонирования пластины она по транспортному устройству передается в процессор для последующей обработки. Такие рекордеры обеспечивают запись формных пластин как серебросодержащих, так и гибридных, и фотополимерных. При этом разрешение может изменяться от 1270 до 3386 дпи. Повторяемость в них достигает 5 микрон. Время записи зависит от разрешения и формата. Для 650х550 мм при разрешении 2032 дпи – 3,3 мин.
Как видно, CtP технология, реализуемая на различных рекордерах, легко позволяет автоматизировать процесс и записи, и связать его в автоматическую линию, применяя процессоры. Технологический процесс позволяет легко с цифры получить готовые печатные формы, которые могут быть использованы в частности для офсетной печати.
Система непосредственной записи формы в машине
Данная система реализовалась в двух различных технологиях: Компьютер-печатная форма; Прямая цифровая печать (ЦПМ). По сути обе технологии являются выводными устройствами компьютерной системы допечатной подготовки.
Применение цифровых печатных машин позволяет сократить сроки выпуска печатной продукции за счет сокращения технологического цикла. А так же повысить качество этой продукции и обеспечить гибкость производства за счет повышения уровня автоматизации и контроля технологических параметров при печати. Сократить номенклатуру технологического оборудования и численность персонала. Данные технологические системы можно разделить на две группы:
1) машины первой группы предусматривают запись печатных форм автоматически, непосредственно на своем формном цилиндре с использованием так называемых пленочных технологий. Печать после этого осуществляется традиционным, например офсетным способом. Технология таких машин называется Компьютер-Печать.
2) машины второй группы реализуют прямую цифровую печать, где каждый оттиск получается непосредственно из цифрового массива и из технологического цикла этой машины выпадает процесс подготовки и изготовления вещественной печатной формы. В этих машинах перед получением каждого оттиска происходит повторная запись изображения на специальном носителе, которые называют «фоторецепторными носителями». Технология таких машин носит название Компьютер-ту-принт.
ЦПМ первой группы, у которых на формном цилиндре производится изготовление печатных форм соединяют в себе рекордер с лазерной записью формы и собственно саму печатную машину. Изготовление форм в печатных машинах происходит под действием лазерного излучения с использованием так называемых пленочных технологий. Примером такой ЦПМ является офсетная машина для печати без увлажнения форм (сухой офсет).
Структурная форма пленочного материала показана на рисунке:

Рис. 1
Машина использует рулонный формный материал толщиной 0,18 мм, состоящий из полиэстеровой основы 4 с нанеченным теплопоглощающем слоем 5 меньше 1 микрона (слой графитовой пыли) и силиконовым слоем 3 (около 3 мкмк). Поверхность этого силиконового слоя 2 отталкивает краску и является пробелообразующими элементами. Проэкспонированный лазерным лучом силиконовый слой под действием тепла (используется ИК лазер) с длиной волны 830 нм удаляет силикон и теплопоглощающий слой и тем самым образует печатные элементы. Рулон формного материала, рассчитанный на 35 печатных форм, имеет специальную систему подачи материала, которая устанавливается в формном цилиндре.
Схема установки формного материала в ЦПМ показана на рисунке:

Где 1 – рулонный формный материал, 2 – формный цилиндр, 3 – офсетный цилиндр, 4 – устройство удаления остатков формного материала, 5 – валики красочного аппарата.
Формный материал рассчитан на 35 печатных форм, устанавливается внутри формного цилиндра и обладает тиражестойкостью 20 тыс. оттисков при скорости печати до 10 000 отт./час.
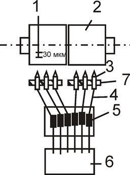
Для замены формы формный материал перематывается с одного рулона на другой. Запись формы на материале осуществляется лазером ИК излучение 830 нм. Записывающая головка этого лазерного устройства состоит из 16 модулей, расположенных вдоль оси формного цилиндра и конструктивно выглядит так:

Данная линейка располагается вдоль образующей формного цилиндра 2 (параллельно ей). Каждый модуль содержит инфракрасный лазерный диод 5 мощность 1 Вт, световод 4 и фокусирующую оптику 3. Оптика фокусируется так, что на печатной бумаге образуется точечный печатный элемент 1, диаметр минимальный которого 30 мкм, что позволяет получить разрешение 1270 дпи. цифровые сигналы об изображении от компьютера поступают а контроллер 6, который управляет модуляцией лазерных диодов 5. Модули лазерных диодов закреплены на линейке 7 и распределены вдоль формного цилиндра 2 через равные расстояния. Запись по оси х осуществляется за счет возвратно-поступательного движения линейки. Размер шага этого движения определяется разрешением записи, а по оси у за счет частоты вращения формного цилиндра. Для экспонирования пластины форматом 460х340 мм с разрешением 1270 дпи уходит 6 минут.
ЦПМ работает следующим образом:
цифровая информация, обработанная в РИП поступает на контроллер 6 печатной машины, который управляет процессом записи формного материала головками 3. Материал закреплен на формном цилиндре 2. После записи формы красочный аппарат валиками 5 рис.1 наносит на форму слой краски, которая затем переносится на офсетный цилиндр, а затем и на запечатываемые листы, закрепляемые на печатном цилиндре. После печатания тиража пленочное изображение формы убирается с офсетного полотна устройством 4 рис. 1, предназначенного для удаления формного материала.
Печатная секция построена по планетарному типу: в центре расположен большой барабан, по окружности расположены печатный, офсетный, печатный, офсетный, печатный, офсетный, печатный, офсетный цилиндры. Барабан вращается. На нем с одной стороны приемный стол, а с другой стороны – стапик с бумагой.
Теоретические особенности электрофотографического процесса и его основные технологические этапы
Наиболее распространенной и в научной степени изученной является технология прямой цифровой печати Компьютер-ту-принт на основе электрофотографии.
Электрофотография – это совокупность технологических методов и средств, предназначенных для получения изображения на специальных формных материалах. Эти материалы изменяют свои электрические в соответствии с количеством световой энергии, попавшей на их поверхность. Другими словами, способ получения изображения основан на способности некоторых фотополупроводников в темноте воспринимать и удерживать заряд, а при воздействии света увеличивать электропроводность и разряжаться. Такое явление носит название фотоэлектропроводимость.
На основе этого явления создается так называемое скрытое электростатическое изображение на электрофотографических материалах, которые имеют общее название фоторецепторы.
Фоторецепторы – основной элемент электрофотографического устройства. Состоит из металлической подложки, как правило, алюминиевой. А в качестве фотополупроводниковых сенсоров используются чистый селен, селен с добавками, окись цинка, сернокислый кадмий, аморфный кремний, многослойные органические фотополупроводники (OPC).
Наиболее распространено покрытие в виде многослойного органического фотополупроводника. Этот материал состоит из нескольких тонких слоев.
На рисунке показано покрытие рецепторов в разрезе. Они состоят из нескольких тончайших полимерных слоев, нанесенных на электропроводящую подложку или металлизированную пленку.

Седьмой слой – подложка.
Шестой слой – грунтовый. Толщина 10—20 мкм. Назначение слоя – выравнивание подложки.
Пятый слой – барьерно-адгезионный. Толщина 0,2-1,5 мкм. Выполняет две функции: увеличивает адгезию генерационного слоя 5 и предотвращает перенос заряда на заземленную подложку.
Четвертый – генерационный. Толщина 0,2-1 мкм. Необходим для поглощения света и образования электронно-дырочной проводимости.
Третий – транспортный слой. Имеет толщину 25-35 мкм, выполняет функции удерживания поверхностного заряда и переноса носителей заряда к поверхности.
Второй – защитный слой. Толщина 0,5-5 мкм. Служит для защиты поверхности фоторецептора и для удержания поверхностного заряда. Защитные свойства слоя заключаются в том, что он содержит нитрит кремния.
Скрытое изображение формируется следующим образом:
свет проходит через збарьерный слоя. Светочувствительная молекула генерационного слоя, поглощая квант света распадается на пару свободных носителей заряда. Под действием электрического поля положительный заряд дрейфует к верхней поверхности генерационного и транспортного слоя. Подойдя к заряженной поверхности положительный заряд нейтрализует один из поверхностных отрицательных зарядов. В результате освещенные участки разряжаются, образуя скрытое электростатическое изображение. Электроны движутся в противоположном направлении к подложке и, таким образом, на фоторецепторе возникает потенциальный рельеф, называемый скрытым электростатическим изображением.
Генерационный слой – главный слой фоторецептора и представляет собой дисперсию твердых микрочастиц светочувствительного пигмента в прозрачном полимере, то есть этот слой гетерогенный, что значит неоднородный, что оказывает положительное влияние на светочувствительность, увеличивая квантовый выход свободных носителей заряда.
Выбор этого светочувствительного пигмента зависит от назначения фоторецептора. Слои на основе фталоцианинов чувствительны к ИК-излучениям и используется для записи на их поверхности ИК излучатели. В последнее время начали использоваться более чувствительные к ИК излучению пигменты.
В современной электрофотографии используются так же рецепторы с неорганическим электрофотоматериалом. Основным элементом в этих рецептрах является аморфный кремний, насыщенный водородом. Слой этого материала толщиной около 30 мкм наносится химическим осаждением из паров силана на токопроводящую основу, которую затем покрывают барьерно-адгезионным слоем. Затем наносят покрытие из карби