На рис. 9.12 приведена схема инвертирующего усилителя напряжения.

Рис.9.12. Схема инвертирующего усилителя напряжения с ОУ.
Входной сигнал и напряжение отрицательной обратной связи подаются на инвертирующий вход ОУ.
Здесь коэффициент усиления определяется следующим образом.
Так как Uвх2 = 0, Iвх1 = 0, Uвх1-Uвх2 ≈ 0 и Uвх1 = 0 из схемы получаем
I2 = Uвых /R2 = -I1, I1 = Uвх / R1.
Отсюда следует
KU1= Uвых / Uвх = - R2 /R1.
В следующих демонстрациях показаны свойства рассмотренных усилителей напряжения (demo9_5, demo9_6).

Рис.9.13. demo9_5. Схема опыта для определения коэффициента усиления инвертирующего усилителя напряжения с ОУ.
Из опыта следует
KU1= Uвых / Uвх =212,1мкВ/ 106,1мкВ =2
Должно быть KU1= - R2 /R1=-2.
Для определения знака обратимся к осциллограммам входного (синяя линия) и выходного (красная) напряжений:

Рис.9.14. demo9_5. Осциллограммы к опыту на рис. 9.13.

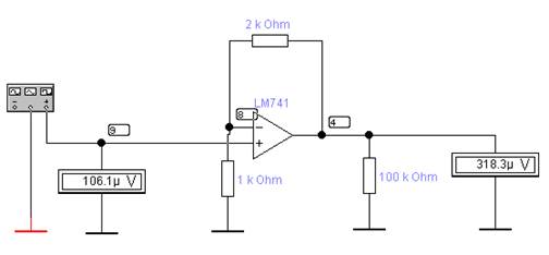
Рис.9.15. demo9_6. Схема опыта для определения коэффициента усиления неинвертирующего усилителя напряжения с ОУ.
Из опыта следует
KU1= Uвых / Uвх =318,1мкВ/ 106,1мкВ =3
По расчету должно быть KU1= 1+ R2 /R1=3.
Для определения знака обратимся к осциллограммам входного (синяя линия) и выходного (красная) напряжений:

Рис.9.16. demo9_6. Осциллограммы к опыту на рис. 9.15.
Выводы- коэффициент усиления по напряжению Ku рассмотренных усилителей практически не зависит от коэффициента усиления ОУ, если последний достаточно большой, но определяется сопротивлениями резисторов обратной связи R1 и R2. Получается, что такие важные параметры как точность и стабильность Ku определяются точностью и стабильностью значений этих резисторов. Этим достигается возможность использования ОУ с нестабильным значением коэффициента усиления (дешевое устройство).