Важная характеристика операционного усилителя – передаточная характеристика, зависимость выходного напряжения от напряжений на одном из входов (или напряжения между входами).
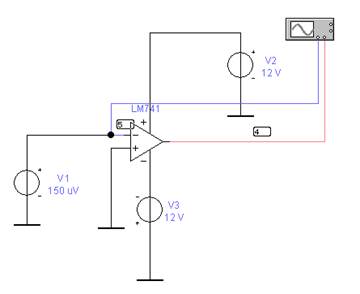
На рис.9.3 приведена схема (demo9_1) для получения передаточной характеристики по инвертирующему входу популярного импортного ОУ LM741 (изображен в схеме треугольником).

Рис.9.3. demo9_1. Схема для получения передаточной характеристики по инвертирующему входу.
В этом опыте источник сигнала V 1, напряжение которого изменялось в пределах -150мкВ…+150мкВ, включен между «землей» и инвертирующим входом (узел 5 схемы) ОУ. Двухканальный осциллоскоп подключен входом A к узлу 5 (синяя линия) и входом B – к узлу 3 (выход ОУ, красная линия). ОУ питается от двух источников постоянного напряжения V 2 И V 3.
Полученная передаточная характеристика приведена на рис.9.4. На кривой вертикальными линиями ограничен линейный участок со значениями U вх1,мин = -37мкВ, U вых,макс =11.03В слева и U вх1,макс =74мкВ, U вых,мин =10.99В справа. Заметим, что с увеличением входного напряжения выходное напряжение уменьшается, т.е. входное и выходное напряжения противофазные, т.к. вход «инвертирующий»
|
|
|
На линейном участке в интервале U вх от -37 мкВ до 74 мкВ коэффициент усиления операционного усилителя
KU,инв= (U вых,макс - U вых,мин)/(U вх,мин -U вх,макс) =
= -(11+10)/(74+37)*106 = -198*103 !!!

Рис.9.4. demo9_1. Передаточная характеристика ОУ по инвертирующему входу.
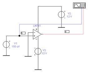
Передаточная характеристика по неинвертирующему входу в demo9_2, получена в схеме на рис.9.5.

Рис.9.5. demo9_2. Схема для получения передаточной характеристики по неинвертирующему входу.
Здесь источник V1, напряжение которого изменяется в интервале -150мкВ…+150мкВ, включен между «землей» и неинвертирующим входом (узел 5 схемы).
Полученная передаточная характеристика приведена на рис.9.6.
На линейном участке значениям U вх,мин = -75мкВ и U вх,макс =36мкВ соответствуют U вых,макс =-11.04В и U вых,мин =10.94В. На этом участке коэффициент усиления операционного усилителя KU,неинв= (U вых,макс - U вых,мин)/(U вх,макс - U вх,мин) = 198*103, т.е. равен KU,инв. В этой схеме увеличение напряжения на входе приводит к увеличению выходного напряжения, т.е. входное и выходное напряжения синфазные.

Рис.9.6. demo9_2. Передаточная характеристика ОУ по неинвертирующему входу.
Заметим, что на обеих передаточных характеристиках линейные участки несимметричны по входному напряжению.
На рис. 9.4 U вх,мин = -37мкВ и U вх,макс =74мкВ. Середина линейного участка U вх,ср,= 37мкВ.
На рис. 9.6 U вх,мин = -75мкВ и U вх,макс =36мкВ. Середина линейного участка U вх,ср,= -39мкВ.
Асимметрия вызвана индивидуальными особенностями ОУ, смещение вызывается напряжением смещения ОУ. Смещение компенсируется (при необходимости) включением дополнительных внешних элементов или элементами отрицательной обратной связи.
|
|
|
Источник сигнала можно включить между входами ОУ как в схеме на рис. 9.7, т.е. изменять напряжение между входами, тогда получим передаточную характеристику аналогичную на рис.4.11. Резисторы R1 и R2 включены для задания начального потенциала входов при отсутствии сигнала

Рис.9.7. demo9_3. Схема для получения передаточной характеристики ОУ при симметричном сигнале (источник подключен к обоим входам)
Передаточная характеристика для этой схемы приведена на рис. 9.8.

Рис.9.8. demo9_3. Передаточная характеристика ОУ при симметричном сигнале (источник подключен к обоим входам)
На рис. 9.8 линейный участок ограничен точками U вх,мин = -76мкВ, U вых,мин = -11В и U вх,макс =34мкВ, U вых,макс = 11В. KU,неинв= (11 +11)/(34 +76) = 198*103 . В этой схеме передаточная характеристика практически совпадает с передаточной характеристикой на рис.9.6.
Во всех трех случаях выходное напряжение ОУ изменяется в интервале предельных напряжений ОУ -11В…+11В. Это значение близко к напряжениям источников питания ОУ 12В, но меньше их.