Рисунок 2.6
Рисунок 2.5
Рисунок 2.4
Рисунок 2.3
Рисунок 2.2
Рисунок 1.7
Рисунок 1.5
Рисунок 1.3
Рисунок 1.2
Рисунок 1.1
Двухполюсник ‑ часть электрической цепи с двумя зажимами, которые называются полюсами.
Идеальный источник напряжения - активный элемент, напряжение на зажимах которого не зависит от тока, который в нем проходит. Если внешние зажимы разомкнуты, имеем режим холостого хода.
Максимальное напряжение возникает на зажимах разомкнутого источника, обозначается E (ЭДС) и носит название электродвижущей силы.
Условное обозначение идеального источника напряжения приведено на рис.1.1в (E отвечает постоянному значению, е(t) или e - переменному).
Мгновенное значение ЭДС е(t) (напряжения u(t) или u, тока i(t) или i) - значение ЭДС (напряжения, тока) в данный момент времени. График зависимости мгновенного значения e(t) от времени носит название временной диаграмы (рис.1.2). Постоянный ток (напряжение) ‑ ток (напряжение), который в установленном режиме электрической цепи не зависит от времени. На рис.1.2б приведенна диаграма постоянной ЭДС.
![]() |
а) б)
Идеальный источник тока - активный элемент, ток которого не зависит от напряжения на его зажимах. Условное обозначение (на рис.1.1г):
- const,
- var.
![]() |
а) б)
Вольт-амперная характеристика (ВАХ) (зависимость между напряжением на зажимах элемента электрической цепи и током в нем.
В соответствии с определением ВАХ идеальных источников постоянного напряжения и постоянного тока имеют вид, показанный на рис.1.3.
Часть электрической цепи, которая подключена к зажимам источника, носит название внешней цепи, нагрузки или приемника электрической энергии. В приемнике энергия электромагнитного поля превращается в другие виды энергии (тепловую, звуковую, механическую и т.п.). Приемники энергии являются пассивными элементами.
Пассивный элемент электрического цепи ‑ элемент, в котором электрическая энергия может быть только положительной или равняться нулю. Условное обозначение пассивного двуполюсника приведено на рис.1.1б.
Электрические цепи класифицируются по различным признакам: по количеству выводов (полюсов) - двух-, четырех- и многополюсники; по типу элементов - активные и Пассивные; дисипативные или резистивные (содержат резисторы R) и реактивные (содержат индуктивности L и емкости C).
1.2 Токи и напряжения в электрических цепях
1. Электрический ток - явление направленного движения носителей зарядов (заряженных частиц) и(или) явление изменения электромагнитного поля во времени. Положительным направлением тока считается направление движения положительно заряженных частиц (рис.1.4). Ток проходит от точки с более высоким потенциалом к точке с меньшим потенциалом (
). Напряжение u определяется как разница потенциалов
. Положительное направление напряжения совпадает с положительным направлением тока во внешней цепи.

Рисунок 1.4
Электрической ток (или сила тока) определяется количеством зарядов, которые перемещаются сквозь поперечный разрез проводника за единицу времени
. (1.1)
Единица измерения тока - ампер (А, ма =
А, мка =
А).
2. Электрический потенциал
некоторой точке электрического цепи - величина, которая равняется отношению потенциальной энергии w, которую имеет заряд q, который находится в данной точке, к этому заряду
.
3. Электрическое напряжение u между двумя точками цепи – разница потенциалов
и
этих точек
.
Единицы измерения потенциала и напряжения - вольт (В, мв=
В, мкв=
В).
4. Основные энергетические величины. Электрические процессы в цепи характеризуются также энергетическими величинами. Пусть, например, между точками a и b действует напряжение u(t). Тогда при перемещении от точки a к точке b элементарного заряда dq тратится энергия dw = udq. Подставляя значение i(t) из (1.1), получаем
,
где
- мгновенная Мощность, которая тратится в электрической цепи при прохождении в ней тока i под влиянием напряжения u.
Итак, мгновенная Мощность ‑ это произведение мгновенных значений напряжения и тока, которые касаются одного и того самого входа.
Вход (пара зажимов) ‑ совокупность таких двух зажимов схемы, что величина тока, который входит в один их них, равняется величине тока, который выходит из второго.
Единицы измерения Мощности - ватт (Вт, мВт =
Вт, мкВт =
Вт). Мощность можно рассматривать также как скорость изменения энергии за единицу времени.
1.3 Пассивные элементы электрического цепи
1. Дисипативный (резистивный) элемент ‑ элемент, который полностью рассеивает электрическую энергию. Этому определению удовлетворяет элемент, свойства которого описываются законом Ома. Закон Ома может быть представлен в двух формах:
,
где R - сопротивление, единица измерения Ом (Ом, кОм =
Ом, Мом =
Ом); G - проводимость, которая измеряется в сименсах (См, мСм=
См, МКТм=
См). Сопротивление R и проводимость G связаны соотношением
.
Идеальный резистор ‑ идеальный двухполюсник, в котором мгновенное значение напряжения прямо пропорционально мгновенному значению тока (рис.1.5а).
![]() |
а) б) в)
Существуют линейные (R = const) и нелинейные R(i) дисипативные элементы (рис.1.6а). Реальный физический элемент, свойства которого приближаются к свойствам линейного дисипативного элемента, носит название резистора.
Мощность, которая рассеивается в резисторе
, носит название мгновенной активной мощности. Активная Мощность всегда есть положительной.
Мгновенная энергия
- энергия в данный момент времени, также является положительной величиной.
2. Индуктивный элемент (индуктивность) - идеальный реактивный элемент цепи, в котором накапливается энергия магнитного поля (рис.1.5б). Свойства индуктивного элемента определяются возможностью появления в нем магнитного потока
при прохождении через этот элемент тока.
Подадим Индуктивный элемент в виде одного витка провода, который пронизывается изменяемым магнитным потоком
. Тогда по закону электромагнитной индукции в этом витке возникает ЭДС самоиндукции
, которая выравнивает подведенное напряжение
:
. Для катушки с N витками
, (1.2)
где
- потокосцепление, т.е. суммарный магнитный поток, который сцеплен с N витками.
|
|
![]() |
а) б) в)
Рисунок 1.6
Коэффициент пропорциональности между
и i(t) носит название индуктивности и обозначается L. Единицы измерения индуктивности - Генри (Гн, мГн =
Гн, мкГн =
Гн). Из формулы (1.2) получаем выражение для напряжения на индуктивном элементе:
;
.
Итак, индуктивность - это частица от деления потокосцепления катушки на ток, который его предопределяет. Индуктивный элемент характеризуется вебер-амперной характеристикой. Это - зависимость потокосцепления элемента электрической цепи от тока в ней (рис.1.6б). Зависимость при L = const соответствует линейному индуктивному элементу; если L = L(t) или L = L(i) имеем нелинейную и параметрическую индуктивность соответственно.
Энергия, которая накапливается в линейном индуктивном элементе, вычисляется по формуле:
.
Замечание: 1) для постоянного тока
, поэтому напряжение
, т.е. индуктивность эквивалентна короткому замыканию; 2) реальный физический элемент, близкий к индуктивности - катушка индуктивности, эквивалентная схема которой изображена на рис.1.7а. Согласно с ДСТУ 2815-94 индуктивная катушка ‑ устройство, основным свойством которого есть индуктивность (кроме индуктивности, есть еще сопротивление потерь
).

а) б)
3. Емкостной элемент (емкость) - идеальный реактивный элемент, в котором накапливается энергия электрического поля (рис.1.5в). Свойства Емкостного элемента обусловлены возможностью накопления в нем электрического заряда q, пропорционального напряжению u на элементе
. (1.3)
Коэффициент пропорциональности C = q/u носит название емкости, измеряется в фарадах (Ф, мкф =
Ф, нФ =
Ф, пф =
Ф).
Итак, емкость - это частица от деления заряда конденсатора на напряжение на нем; Емкостной элемент характеризуется кулон-вольтной характеристикой (КВХ). КВХ - зависимость заряда конденсатора от приложенного к нему напряжения (рис.1.6в). Значение C = const соответствует линейной, C =C(u) - нелинейной, C =C(t) – параметрической емкости.
Из формул (1.1) и (1.3) находим связь между током и напряжением для линейной емкости (C = const):
;
.
Энергия, которая накапливается в линейной емкости, исчисляется по формуле:
. В отличии от дисипативного элемента идеальные реактивные элементы не рассеивают, а накапливают электрическую энергию и могут возвращать ее в круг или источнику. Мощность реактивных элементов
;
носит название мгновенной реактивной мощности, измеряется в вольт-амперах реактивных (Вар).
Замечание: 1) для постоянного напряжения U ток
, т.е. емкость эквивалентна разрыву цепи (холостому ходу); 2) реальный физический аналог емкости - конденсатор - устройство, основным свойством которого есть электрическая емкость; кроме емкости есть еще сопротивление растекания
. Эквивалентная схема емкостного элемента изображена на рис.1.7б.
2 ОСНОВНЫЕ ЗАКОНЫ И МЕТОДЫ РАСЧЕТА
2.1 Элементы топологической структуры цепи
Реальные электрические цепи подаются в виде моделей, в которых все элементы являются идеальными.
Схема ‑ графическая модель электрической цепи, которая изображает ее с помощью идеальных элементов.
Топология схем ‑ раздел, который изучает соединение между собой идеальных элементов, которые входят в электрический круг. Основные элементы топологической структуры цепи (ветка, узел, контур ‑ рассмотрим на примере цепи (рис.2.1а).

а) б)
Рисунок 2.1
Ветка - часть схемы цепи, по которой проходит один и тот же ток. Узел - точка схемы цепи, в которой сходятся не меньше трех веток. Если количество веток равняется двум, узел носит название простого (его можно отстранить).
Контур - запертое очерчивание, которое проходит через узлы и ветки. Количество узлов схемы обозначим M, количество веток - N. Для схемы (рис.2.1а) - M = 4, N = 6.
Граф схемы - графическое представление электрической цепи с сосредоточенными параметрами, в которой ветки изображены отрезками линий – дугами (ребрами), а узлы - точками (вершинами). Граф, который может быть изображен на плоскости без сечения дуг (ребер), носит название планарного графа.
Дерево графа схемы - подграф как совокупность дуг графа, которые совмещают все его вершины, не образовывая контуров. На рис.2.2 показан планарный граф схемы (рис.2.1а) и два из возможных 6-ти деревьев графа.
Хорды графа (главные ветки) - подграф как совокупность дуг графа, которые не входят в выбранное дерево.

- количество веток дерева графа;
- количество главных веток дерева.
2.2 Задачи Анализа и синтеза электрических цепей.
Основные законы электрических цепей
Анализ цепи - определение электрического состояния цепи, т.е. определение токов и напряжений в ветках цепи по известным значениям параметров цепи.
Синтез цепи - определение топологии цепи и значений параметров идеальных элементов, из которых составляется круг, которые дают возможность получить заданную характеристику.
Рассмотрим три Основные законы теории электрических цепей.
1. Закон Ома: величина тока в замкнутой электрической цепи прямо пропорциональна электродвижущей силе и обратно пропорциональна сопротивлению электрической цепи:
.
2. Первый закон Кирхгофа: алгебраическая сумма токов, которые сходятся в узле, в любой момент времени равняется нулю:
.
При этом токи, которые входят в узел, надо брать с одним знаком (например, с "плюсом"), а те, что выходят из узла, - с противоположным ("минусом"). Тогда первый закон Кирхгофа можно сформулировать так: сумма токов, которые сходятся в узле, равняется сумме токов, что выходят из узла. Для каждого из узлов схемы (рис.2.1а) получим такие уравнения:
1.
; 3.
;
2.
; 4.
.
Количество независимых уравнений, которые составляются на основе первого закона Кирхгофа, равняется количеству веток дерева: n=M-1. В данном случае n = 3 (сумма левых частей уравнений для четырех узлов равняется 0, т.е. одно уравнение лишнее).
3. Второй закон Кирхгофа: алгебраическая сумма электродвижущих сил, действующих в запертом контуре электрической схемы, равняется алгебраической сумме спада напряжений на всех участках этого контура в любой момент времени:
,
где n - количество ЭДС; m - количество пассивных элементов контура
Спады напряжений и ЭДС, направление которых совпадает с направлением обхода контура, берут со знаком "плюс", а все напряжения и ЭДС противоположного направления ‑ со знаком "минус". Значение напряжений записываются в одной части уравнения, а значение ЭДС - в другой. Для схемы (рис.2.1) имеем такие уравнения.
I контур:
;
II контур:
;
III контур:
.
Количество независимых уравнений (контуров), которые составляются на основе второго закона Кирхгофа, равняется количеству главных веток дерева и представляет m = N - M +1 = 6-4 + 1 = 3.
Слагаемые рассмотренной системы уравнений определяют из соотношений:
;
;
.
Если учесть взаимное соответствие направлений ЭДС и падений напряжений (рис.2.3), второй закон Кирхгофа можно сформулировать так: алгебраическая сумма падений напряжений в запертом контуре равняется нулю.

2.3 Основные методы расчета электрических цепей
Метод уравнений Кирхгофа. Метод базируется на решении независимых уравнений, которые составлены для заданной цепи по первому и второму законам Кирхгофа. Предварительно необходимо определить количество веток в данной цепи, задать предполагаемые направления токов во всех ветках и направления обходов в контурах. Если N - количество веток, M – количество узлов схемы, то полученная система уравнений будет содержать N независимых уравнений:
.
Решение системы найдем подстановкой напряжений в первую группу уравнений или токов - в другую. В обоих случаях получим N токов или напряжений.
Рассмотрим пример для схемы (рис.2.1а) при E = const, т.е. рассчитаем режим схемы с постоянным током; учитывая, что
,
, получим схему (рис.2.1б):
.
Из первого уравнения найдем
и подставим в третье:
;
.
Выразим
и найдем ток
из последнего уравнения:
;

.
Метод эквивалентных преобразований. Преобразования носят название эквивалентных, если при изменении одной части схемы на другую, более простую, токи и напряжения в части схемы, которая не была преобразована, остаются неизменными.
1. Последовательное соединение элементов цепи - соединение нескольких элементов, по которым в них проходит один и тот же ток (рис.2.4).

а)

б)
В соответствии с принципом эквивалентного преобразования при переходе от последовательно соединенных ребер
к эквивалентному сопротивлению
, внешние токи и напряжения в схемах (рис. 2.4а) не изменяются, т.е.
.
По закону Ома можно записать
.
Сократив обе части этого уравнения на i, будем иметь
.
Рассмотрим Последовательное соединение n индуктивностей (рис. 2.4б). Рассуждая аналогично, будем иметь:
;
.
Сократив на производную токи по времени, получим:
.
2. Параллельное соединение элементов - соединение нескольких элементов так, чтобы все они были под одним и тем же напряжением (рис.2.5а).

а) б)
В соответствии с принципом эквивалентного преобразования при переходе от параллельно соединенных проводимостей
к эквивалентной проводимости
, внешний ток и напряжение не изменяются, т.е.
.
Из последнего уравнения по закону Ома можно записать
.
Сократив обе части этого уравнения на u, будем иметь
. (2.1)
Рассмотрим параллельное соединение емкостей (рис.2.5б). Рассуждая аналогично, будем иметь:
;
.
Сократив на производную напряжения по времени, получим:
.
Рассмотрим параллельное соединение двух сопротивлений. Согласно (2.1) для участка цепи с R1, R2 (рис.2.6)
. Поскольку
,
,
,
.
Найдем ток в каждой из параллельных веток
, если известен общий ток I и значение ребер
,
. По закону Ома
;
.
Тогда
;
.
Полученное выражение имеет название формулы разброса токов: ток в одной из параллельных веток равняется общему току, умноженному на сопротивление противоположной ветки и поделенному на сумму ребер обеих веток.
3. Смешанное соединение - это объединение последовательного и параллельного участков электрической цепи. Различных вариантов соединений может быть много, поэтому общей формулы для определения эквивалентного сопротивления (проводимости) нет. При расчетах таких электрических цепей рассматривают отдельные участки цепи с последовательным и параллельным соединением и применяют соответствующие формулы.

Например, для схемы (рис.2.6) будем иметь
;
;
;
.
Эту схему можно подать также как пассивный двухполюсник с входным сопротивлением
, к которому подключен источник ЭДС (Е), которое вызывает на внешних зажимах напряжение U. Тогда
.
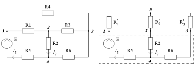
Рассмотрим схему (рис.3.1а). В данной цепи нет групп ребер, соединенных последовательно или параллельно относительно друг друга.

а) б)
Рисунок 3.1
Если цепь с четырьмя и больше узлами не может быть изображена схемой со смешаными соединениями элементов, то она носит название сложноразветвленной цепи. Такие цепи содержат ветки, которые входят в состав так называемых звезд (
,
,
;
,
,
) и треугольников (
,
,
;
,
,
). Такие соединение иногда создают трудности в расчетах элeктрических цепей, и возникает необходимость преобразования треугольника ребер в эквивалентную ЗВЕЗДУ и наоборот для перехода к цепи со смешанным соединением.
3.1 Преобразование треугольника ребер в ЗВЕЗДУ
Пусть известны сопротивления
,
,
, которые образовывают между узлами 1-2-3 треугольник ребер. Определим сопротивления
,
,
, соединенные в эквивалентную ЗВЕЗДУ между теми же самыми узлами (рис.3.2).
Рисунок 3.2
В соответствии с принципом эквивалентных преобразований внешние токи и напряжения не должны изменяться:
;
;
;
;
;
.
Чтобы получить формулы перехода от треугольника к звезде, воспользуемся таким приемом. Предположим, что ток
. Тогда входное сопротивление со стороны узлов 1-2 для треугольника составит
, а для звезды
.
Поскольку
, то
. Аналогично запишем Входные сопротивления со стороны других узлов. При обозначенных условиях
;
; (3.1)
;
; (3.2)
;
. (3.3)
Чтобы определить значение
, вычтем из (3.1) уравнение (3.2) и прибавим уравнение (3.3):
;
.
Из последнего уравнения получаем
. Проводя замену индексов по цепи 1-2-3-1, можно получить формулы для ребер звезды
и
:
;
;
. (3.4)
Итак, сопротивление луча звезды, соединенного с некоторым узлом, равняется произведению ребер сторон треугольника, соединенных с тем самым узлом, поделенному на сумму ребер всех его сторон.
3.2 Преобразование звезды ребер в треугольник
Для нахождения формул соответствия решим уравнение (3.4) относительно ребер
,
,
. Поделим третье уравнения на первое и второе, а потом подставим к первому.
:
;
;
:
;
.
Подставим значение
и
к первому уравнению, предварительно преобразовав его:
.
Тогда будем иметь
;
;
.
Формулы для
,
получают аналогично:
;
.
Итак, сопротивление стороны треугольника, близлежащей к двум узлам, равняется сумме ребер лучей звезды, близлежащих к тем самым узлам, плюс произведение этих ребер, разделенных на сопротивление противоположного луча звезды.
Пример. Выполнить расчет токов
,
в схеме (рис.3.1), пользуясь преобразованием треугольника ребер к звезде. Заменим треугольник ребер между узлами 1-2-3 эквивалентной звездой (рис.3.1б). Часть схемы, обозначенная пунктиром, остается без изменений. Согласно с (3.4) будем иметь
;
;
.
Итак, полученная эквивалентная схема (рис.3.1б) имеет только смешанное соединение элементов. В таком случае расчет токов упрощается. Например,
;
.
Ток
можно найти по формуле разброса токов
.
3.3 Эквивалентные преобразования схем с источниками
1. Закон Ома для участка цепи с источником.
Рассмотрим понятие одноконтурной (pис.3.3а) и двухузловой схемы (pис.3.3б). Эти схемы характерны тем, что имеют один контур и один независимый узел соответственно.

а) б)










